GM Service Manual Online
For 1990-2009 cars only
Makes
🢒
Chevrolet
🢒
2006
🢒
HHR
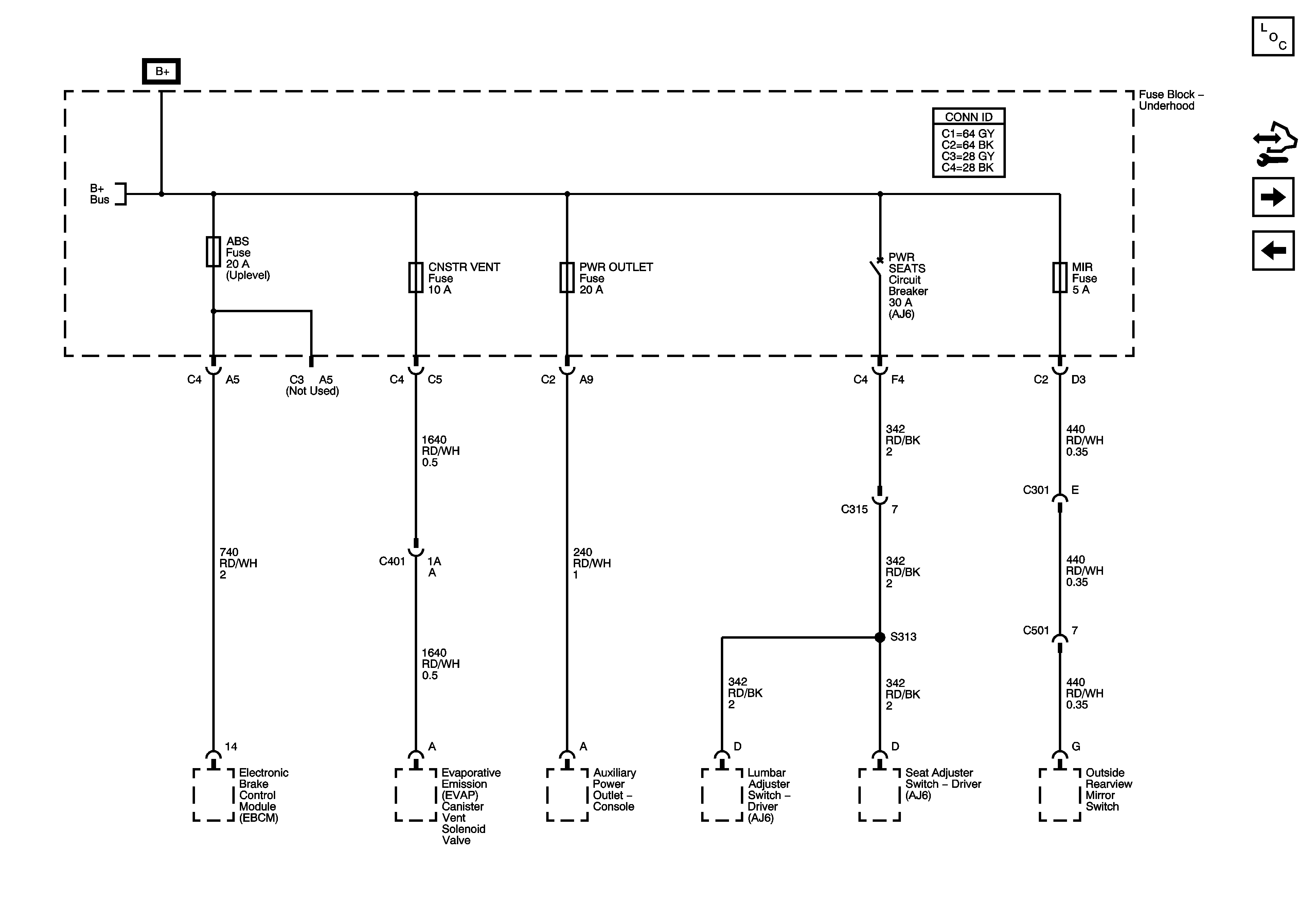
🢒 Underhood Fuse Block - ABS (20A), CNSTR VENT, PWR OUTLET and MIR Fuses, PWR SEATS Circuit Breaker
Underhood Fuse Block - ABS (20A), CNSTR VENT, PWR OUTLET and MIR Fuses, PWR SEATS Circuit Breaker
Underhood Fuse Block - ABS (20A), CNSTR VENT, PWR OUTLET and MIR Fuses and POWER SEATS Circuit Breaker
Master Electrical Component List
Control Module References
Body Control Module - RAP, DRIVERS DOOR UNLOCK PCB, DOOR UNLOCK PCB, DOOR LOCK PCB and INTERIOR LAMPS PCB Relays, RDO, PWR WINDW, DR LCK, INT LIGHT, ECM / TCM, SDM, S ROOF and SPARE Fuses
Underhood Fuse Block - LOW BEAM, HIGH BEAM Relays, RT LO BEAM, LT LO BEAM, LT HI BEAM, RT HI BEAM, and HTD SEAT Fuses
Underhood Fuse Block - B+ Bus