GM Service Manual Online
For 1990-2009 cars only
Makes
🢒
Chevrolet
🢒
2006
🢒
HHR
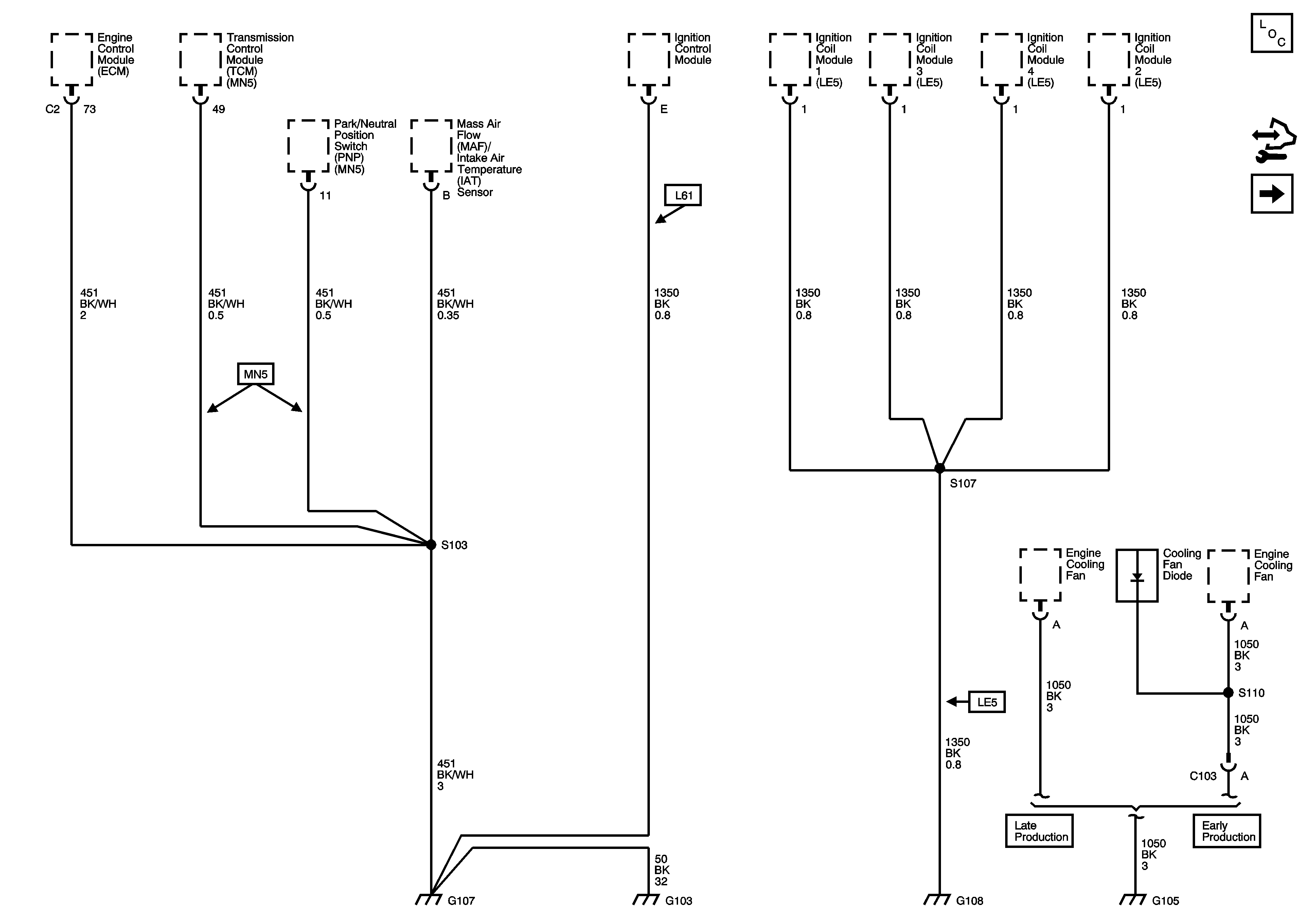
🢒 G103, G105, G017, and G108
G103, G105, G017, and G108
G103, G105, G107, and G108
Master Electrical Component List
Control Module References
G109