GM Service Manual Online
For 1990-2009 cars only
Makes
🢒
Chevrolet
🢒
2006
🢒
HHR
🢒 Engine Cooling
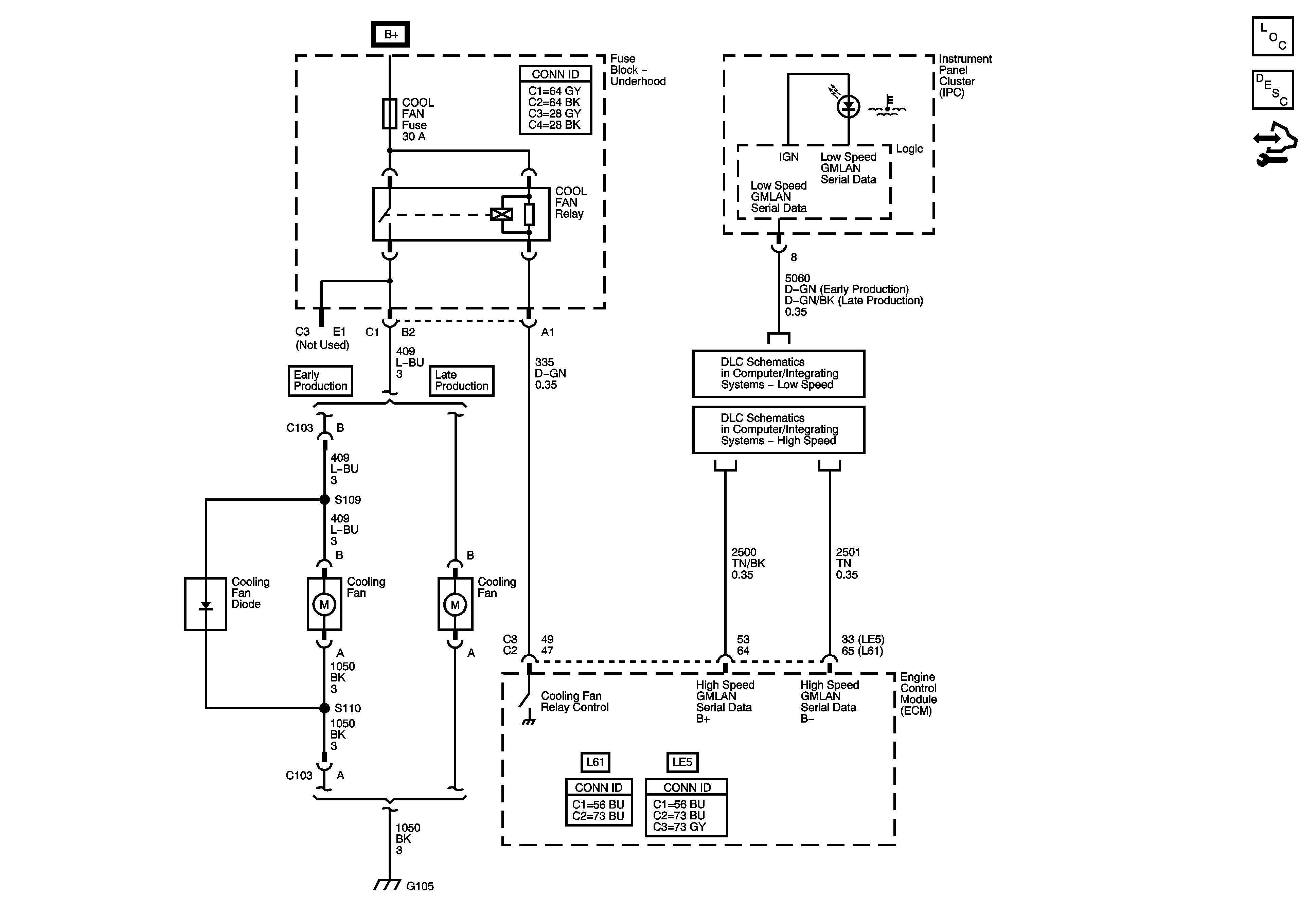
Engine Cooling
Master Electrical Component List
Cooling System Description and Operation
Control Module References
DLC Power Ground, and Low Speed GMLAN
High Speed GMLAN