GM Service Manual Online
For 1990-2009 cars only
Makes
🢒
Chevrolet
🢒
2006
🢒
HHR
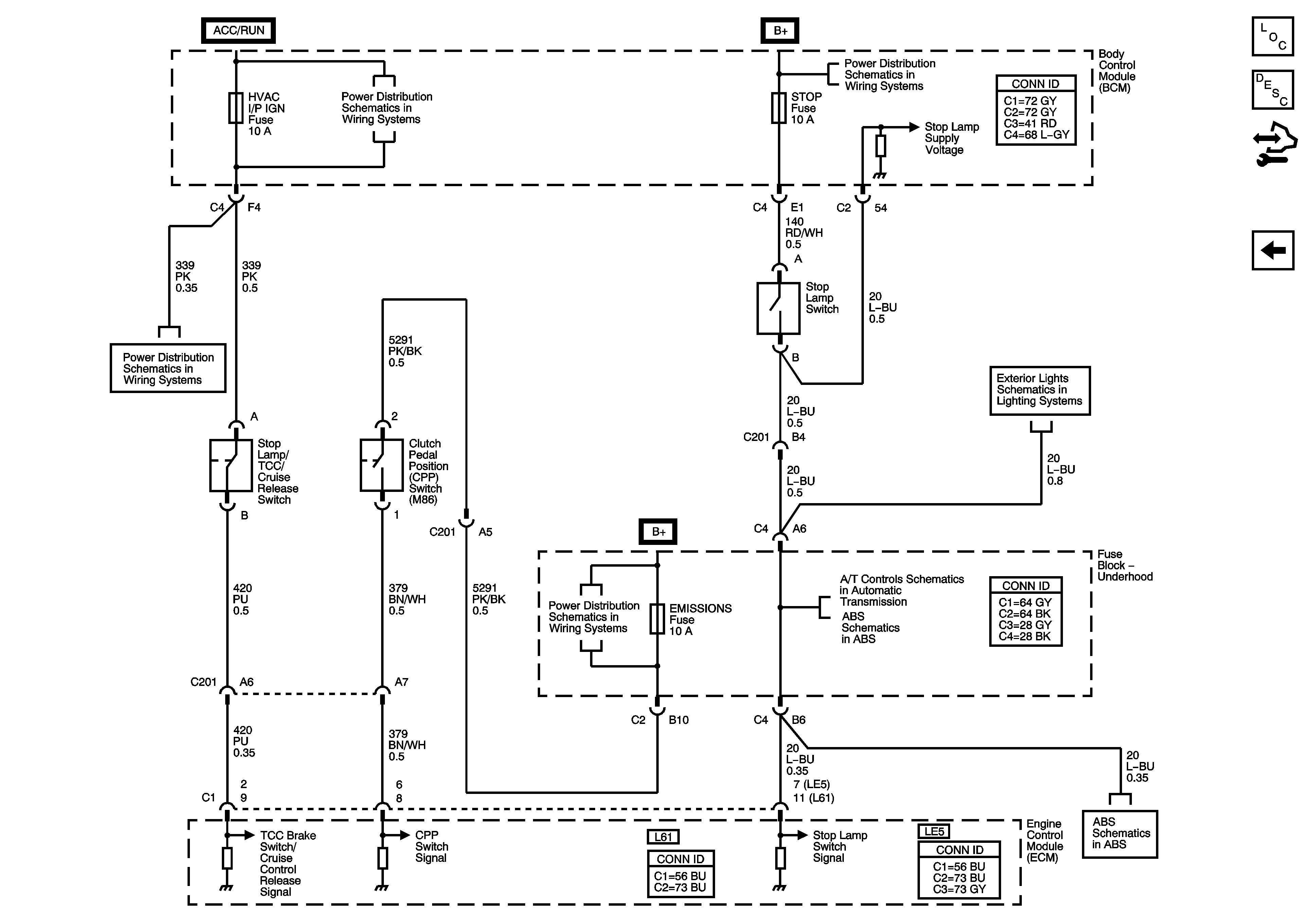
🢒 Clutch Pedal Position Switch and Stop Lamp Switch
Clutch Pedal Position Switch and Stop Lamp Switch
Clutch Pedal Position Switch and Stop Lamp Switch
Master Electrical Component List
Cruise Control Description and Operation
Control Module References
Power, Ground, and Switches
Body Control Module - RUN / CRANK and HVAC Relays, I/P IGN, BCM3, WPR, AIR BAG, EPS / STR WHL CNTRL and HVAC / IP IGNITION Fuses
Body Control Module - BCM 2, HVAC / PK3, CLUSTER, IGN SW, STOP LPS, and AMP Fuses
Body Control Module - RUN / CRANK and HVAC Relays, I/P IGN, BCM3, WPR, AIR BAG, EPS / STR WHL CNTRL and HVAC / IP IGNITION Fuses
Automatic Transmission Controls Schematics
Antilock Brake System Schematics
Underhood Fuse Block - B+ Bus
Power, Ground, and Wheel Speed Sensors
Center High Mounted Stop Lamp, B+
Power, Ground, and Wheel Speed Sensors