GM Service Manual Online
For 1990-2009 cars only
Makes
🢒
Chevrolet
🢒
2006
🢒
HHR
🢒 Power Sunroof Schematics
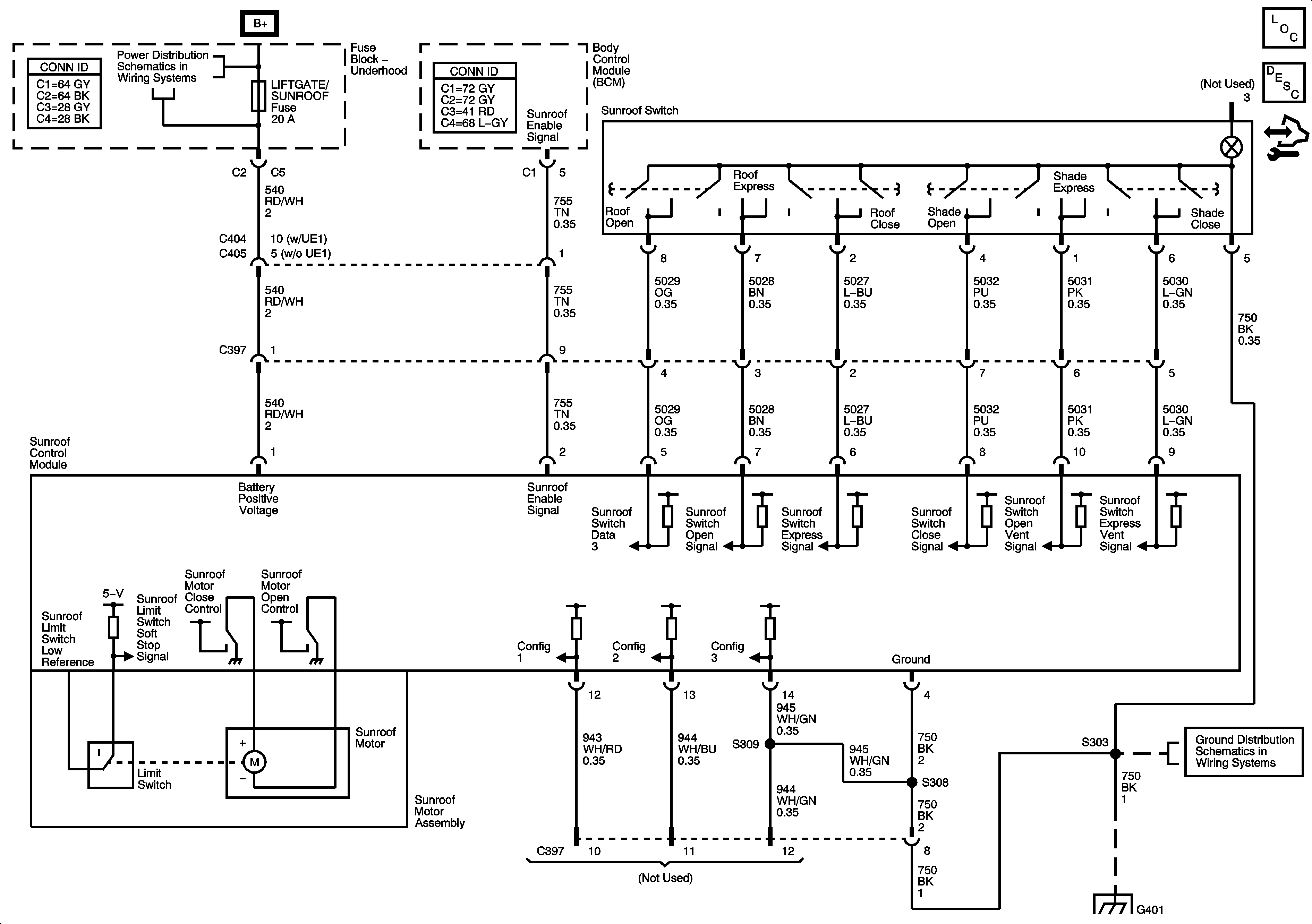
Power Sunroof Schematics
Master Electrical Component List
Sunroof Description and Operation
Control Module References
Underhood Fuse Block - B+ Bus
G401 and G403
G401 and G403