GM Service Manual Online
For 1990-2009 cars only
Makes
🢒
Chevrolet
🢒
2006
🢒
HHR
🢒 Rear Defogger Schematics
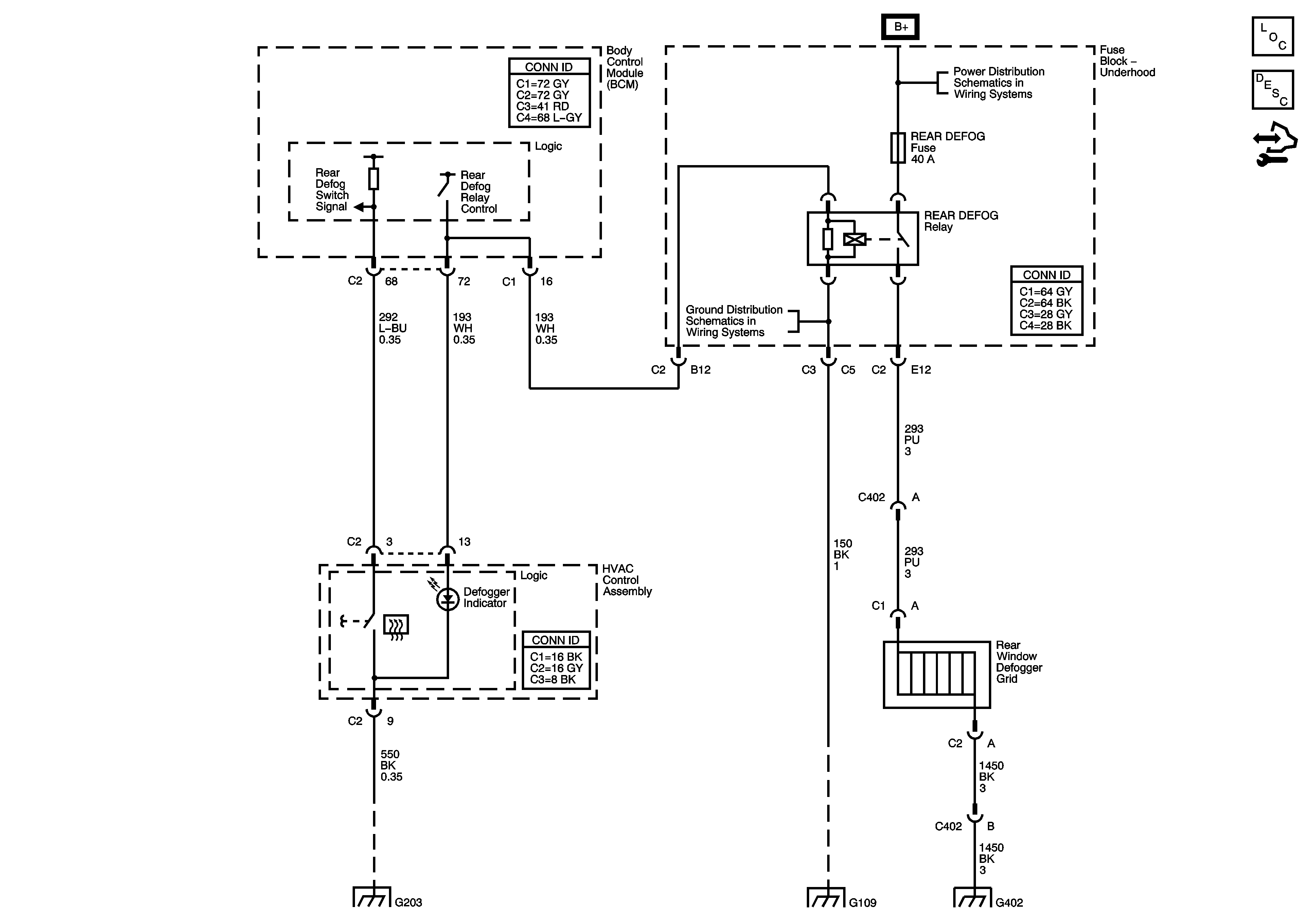
Rear Defogger Schematics
Master Electrical Component List
Rear Window Defogger Description and Operation
Control Module References
G109
Underhood Fuse Block - B+ Bus
G201 and G203
G109
G402