GM Service Manual Online
For 1990-2009 cars only
Makes
🢒
Chevrolet
🢒
2007
🢒
HHR
🢒
Seats
🢒
Power Seats
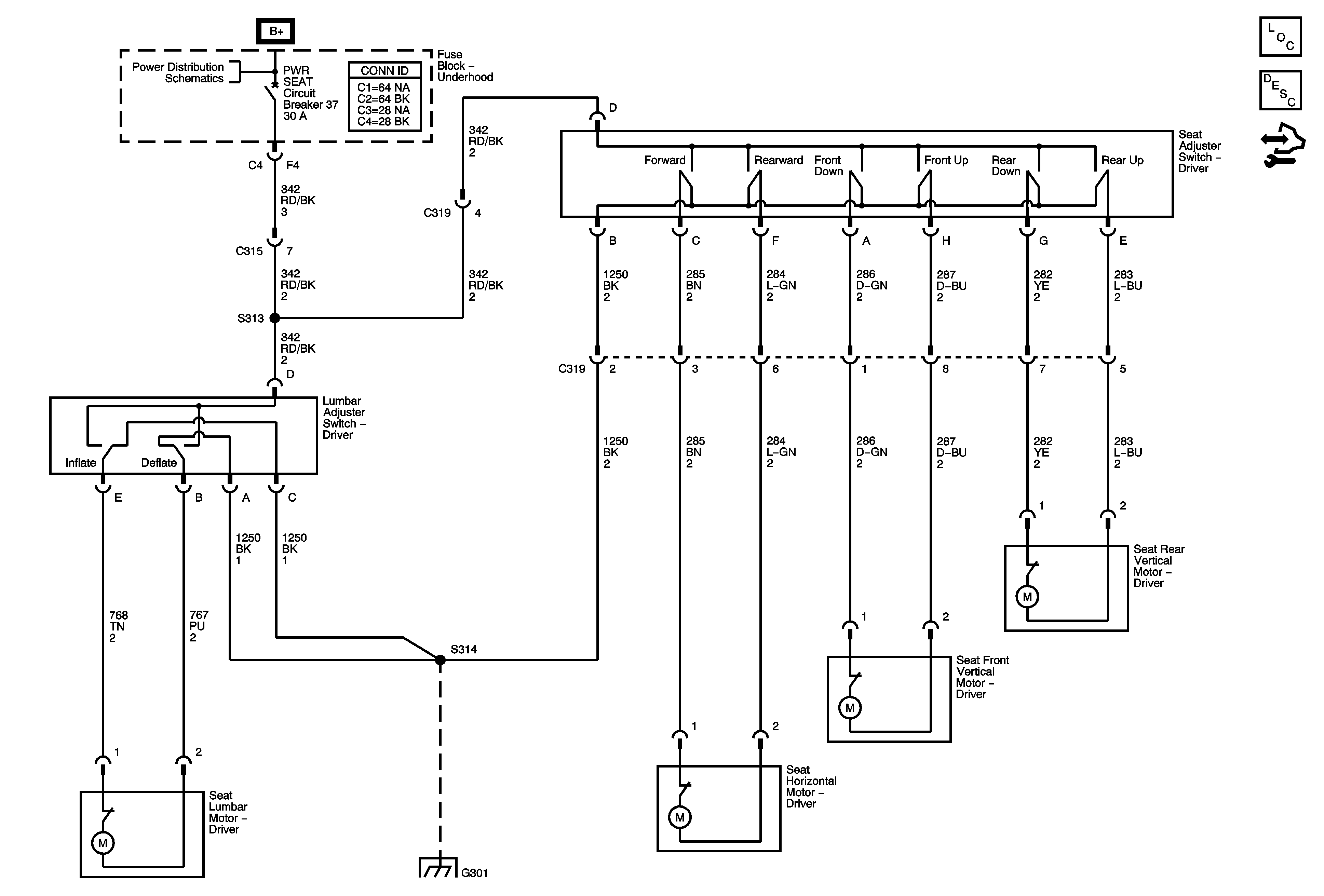
🢒 Driver Seat Schematics
Power/Lumbar Driver Seat
Master Electrical Component List
Power Seats System Description and Operation
Control Module References
Underhood Fuse Block - ABS (20A), CNSTR VENT, PWR OUTLET, REAR POWER PLUG, REAR AUX PWR OUTLET and MIR Fuses, PWR SEATS Circuit Breaker
G301, G306