GM Service Manual Online
For 1990-2009 cars only
Makes
🢒
Chevrolet
🢒
2007
🢒
HHR
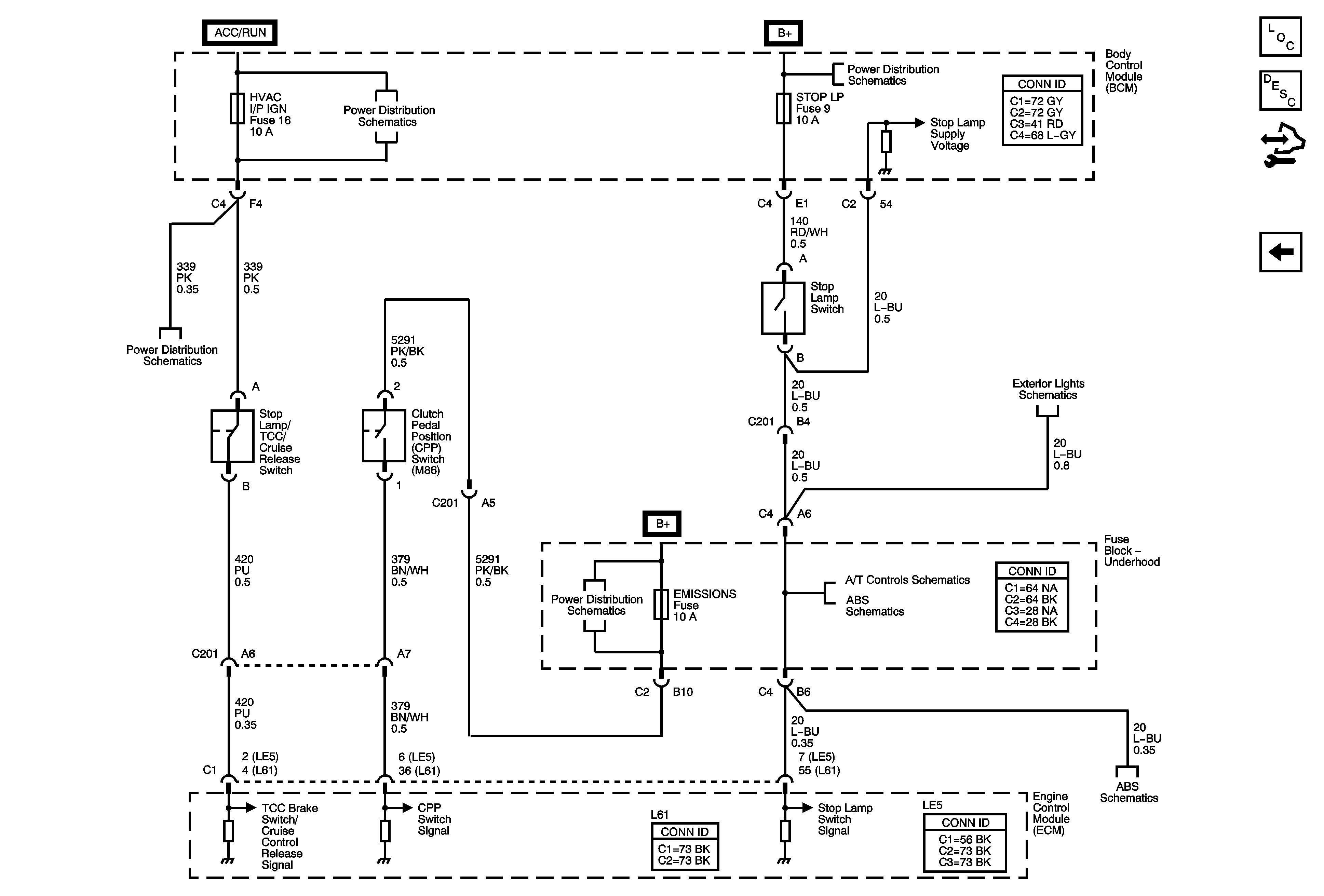
🢒 Clutch Pedal Position Switch, Stop Lamp Switch
Clutch Pedal Position Switch, Stop Lamp Switch
Clutch Pedal Position Switch and Stop Lamp Switch
Master Electrical Component List
Cruise Control Description and Operation
Control Module References
Power, Ground, and Switches
Body Control Module - RUN/CRANK and HVAC Relays, I/P IGN, BCM3, WPR, AIR BAG, EPS/STR WHL CNTRL and HVAC/IP IGNITION Fuses
Body Control Module - BCM2, HVAC/PK3, CLUSTER, IGN SW, STOP LPS, and AMP Fuses
Body Control Module - RUN/CRANK and HVAC Relays, I/P IGN, BCM3, WPR, AIR BAG, EPS/STR WHL CNTRL and HVAC/IP IGNITION Fuses
Underhood Fuse Block - L/GATE RELEASE, PWR/TRN Relays, L/GATE/S ROOF, EXH, INJ IGN MOD, and ECM Fuses
Center High Mounted Stop Lamp, B+
Power, Ground, and WSS