GM Service Manual Online
For 1990-2009 cars only
Makes
🢒
Chevrolet
🢒
2007
🢒
HHR
🢒 Charging
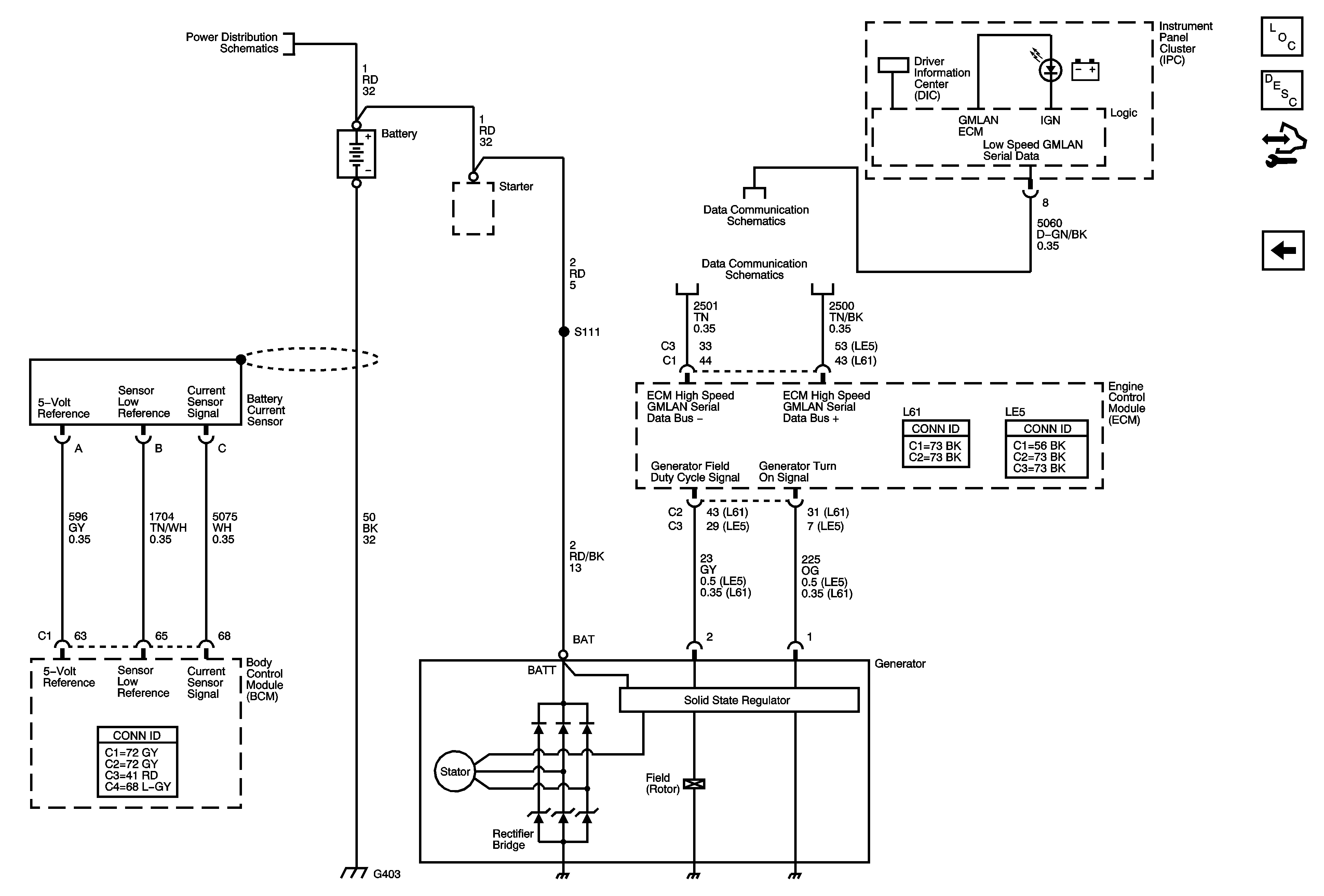
Charging
Charging
Master Electrical Component List
Charging System Description and Operation
Control Module References
Starting
Underhood Fuse Block - B+ Bus
DLC Power, Ground, and Low Speed GMLAN
High Speed GMLAN