GM Service Manual Online
For 1990-2009 cars only
Makes
🢒
Chevrolet
🢒
2007
🢒
HHR
🢒 Power Windows
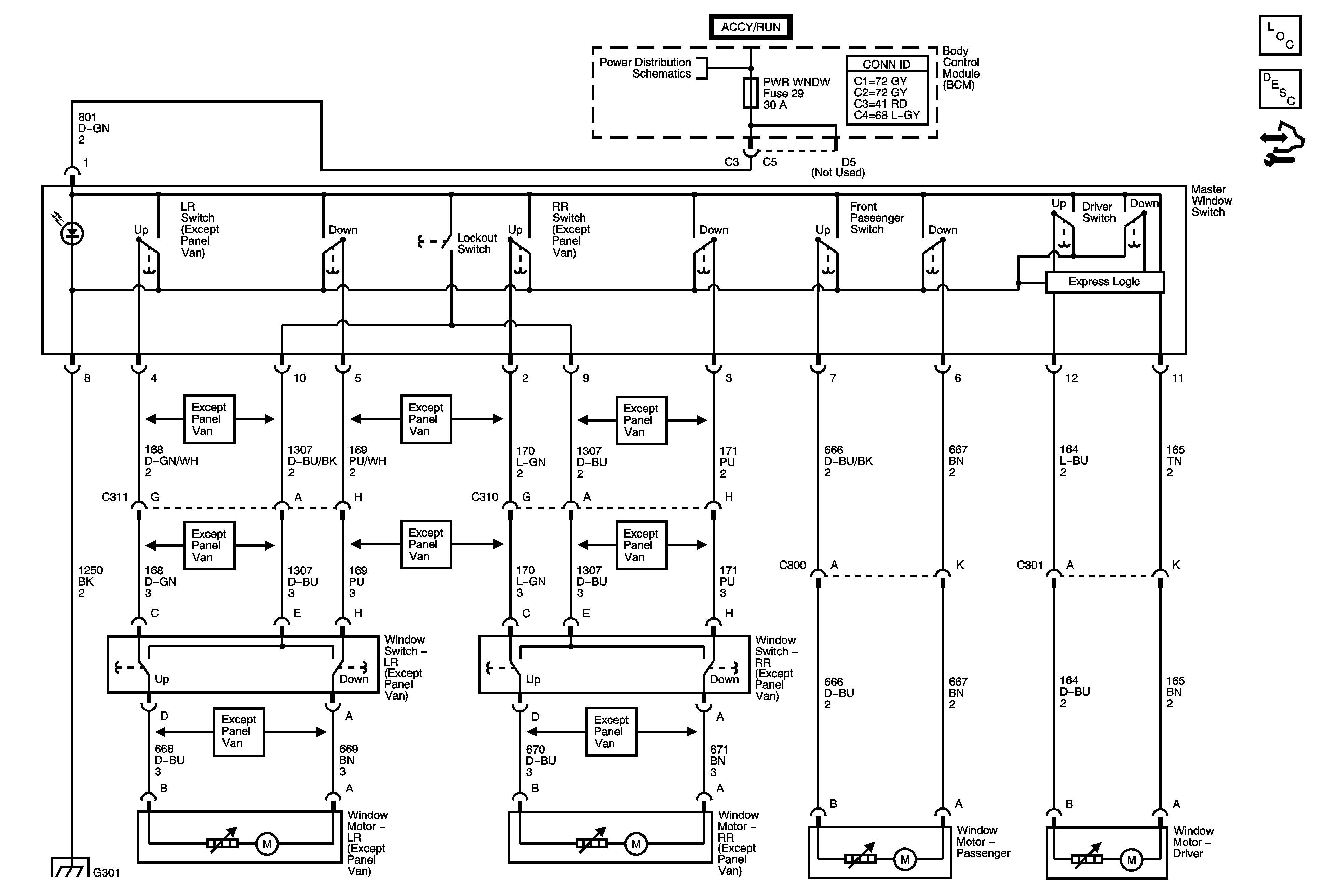
Power Windows
Master Electrical Component List
Power Windows Description and Operation
Control Module References
Body Control Module - RAP, DRIVER DOOR UNLOCK PCB, DOOR UNLOCK PCB, DOOR LOCK PCB, and INTERIOR LAMPS PCB Relays, RDO, PWR WINDW, DR LCK, INT LIGHT, ECM/TCM, SDM, S ROOF and SPARE Fuses
G301, G306