GM Service Manual Online
For 1990-2009 cars only
Makes
🢒
Chevrolet
🢒
2007
🢒
HHR
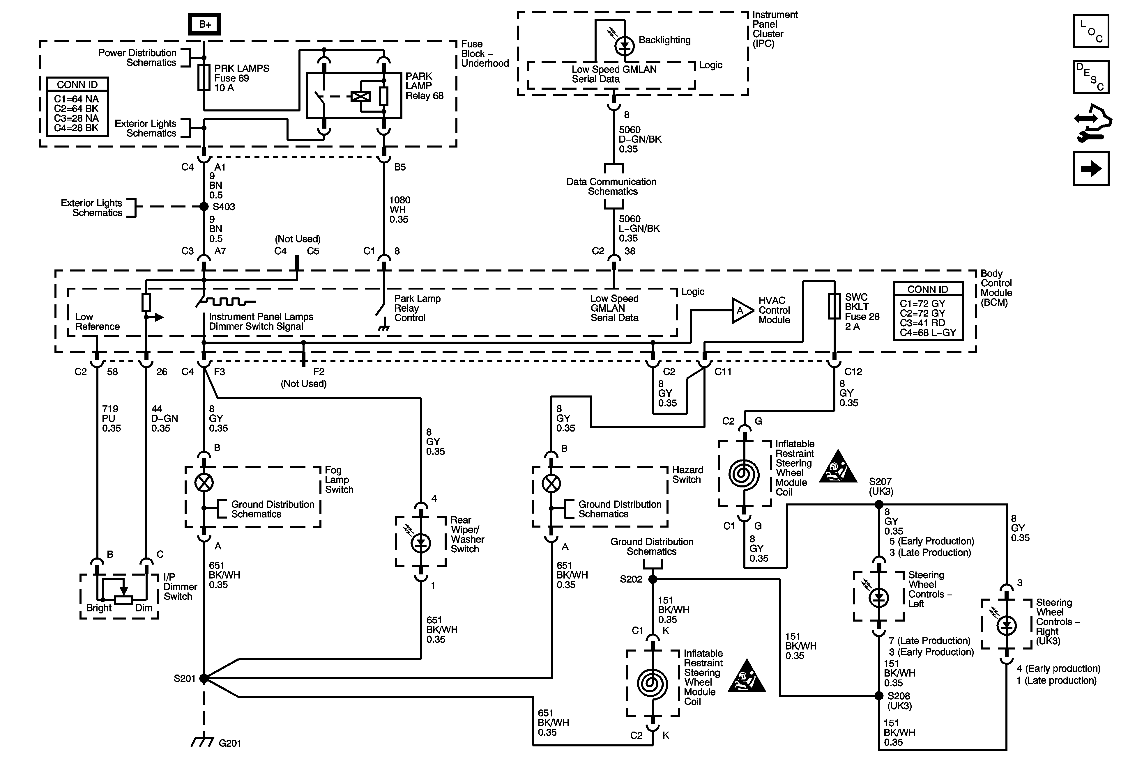
🢒 IPC, I/P Dimmer Switch, Fog Lamp Switch, Hazard Switch, Rear Wiper/Washer Switch, and Steering Wheel Control Switches
IPC, I/P Dimmer Switch, Fog Lamp Switch, Hazard Switch, Rear Wiper/Washer Switch, and Steering Wheel Control Switches
IPC, I/P Dimmer Switch, Fog Lamp Switch, Hazard Switch, Rear Wiper/Washer Switch, and Steering Wheel Control Switches
Master Electrical Component List
Interior Lighting Systems Description and Operation
Control Module References
Console Flood Lamp, Door Lock Switches, HVAC Control Module, Outside Rearview Mirror, PRNDL Lamp, and Radio
Underhood Fuse Block - B+ Bus
Park/Turn Signal/DRL, License and Side Marker Lamps
Park/Turn Signal/DRL, License and Side Marker Lamps
DLC Power, Ground, and Low Speed GMLAN
Console Flood Lamp, Door Lock Switches, HVAC Control Module, Outside Rearview Mirror, PRNDL Lamp, and Radio
G201, G203
G201, G203
G201, G203
Lighting Systems Schematic Icons
G201, G203
Lighting Systems Schematic Icons