GM Service Manual Online
For 1990-2009 cars only
Makes
🢒
Chevrolet
🢒
2007
🢒
HHR
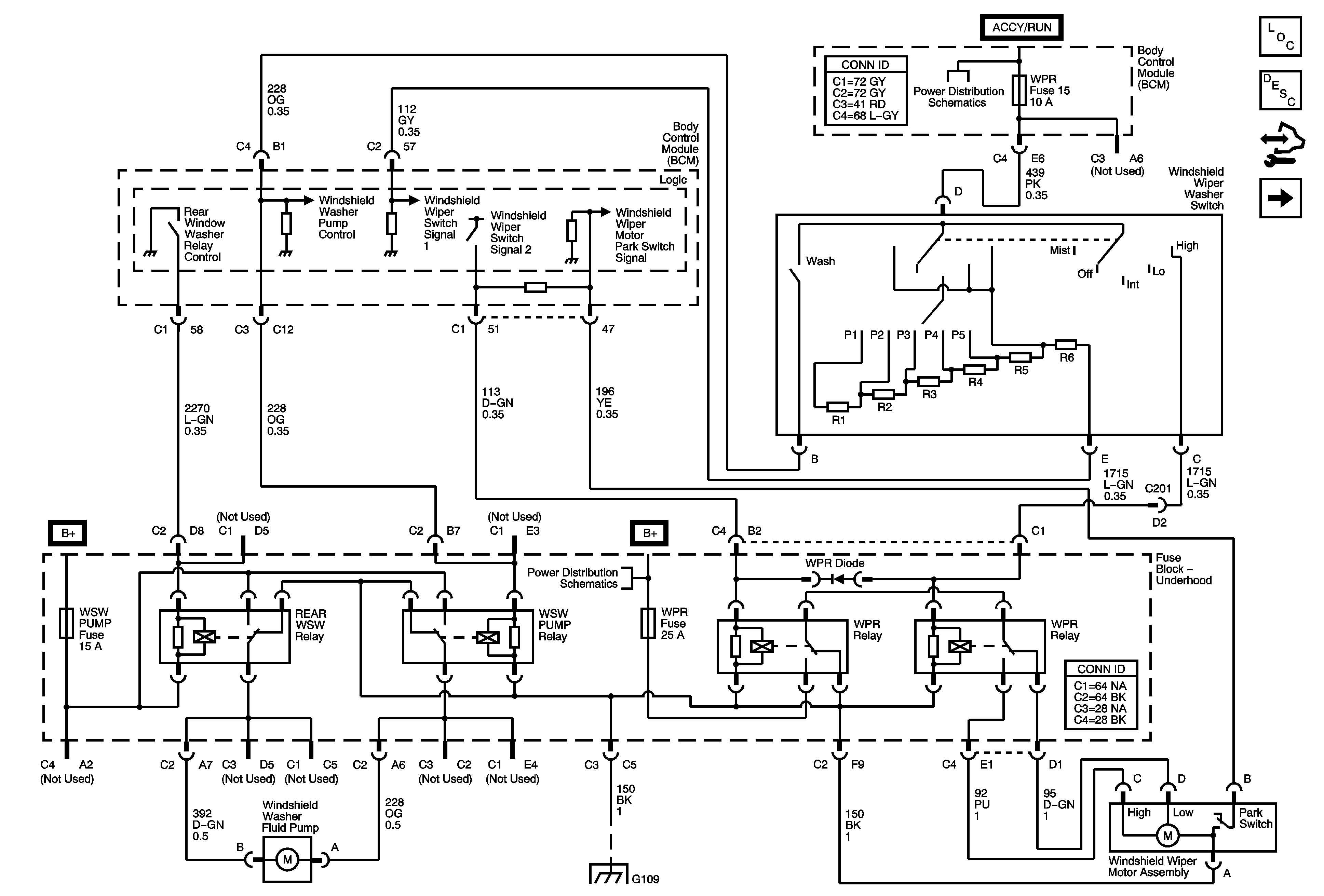
🢒 Front Wiper/Washer Control
Front Wiper/Washer Control
Front Wiper/Washer Control
Master Electrical Component List
Wiper/Washer System Description and Operation (Front)
Control Module References
Rear Wiper/Washer Control
Body Control Module - RUN/CRANK and HVAC Relays, I/P IGN, BCM3, WPR, AIR BAG, EPS/STR WHL CNTRL and HVAC/IP IGNITION Fuses
Underhood Fuse Block - B+ Bus
G109