GM Service Manual Online
For 1990-2009 cars only

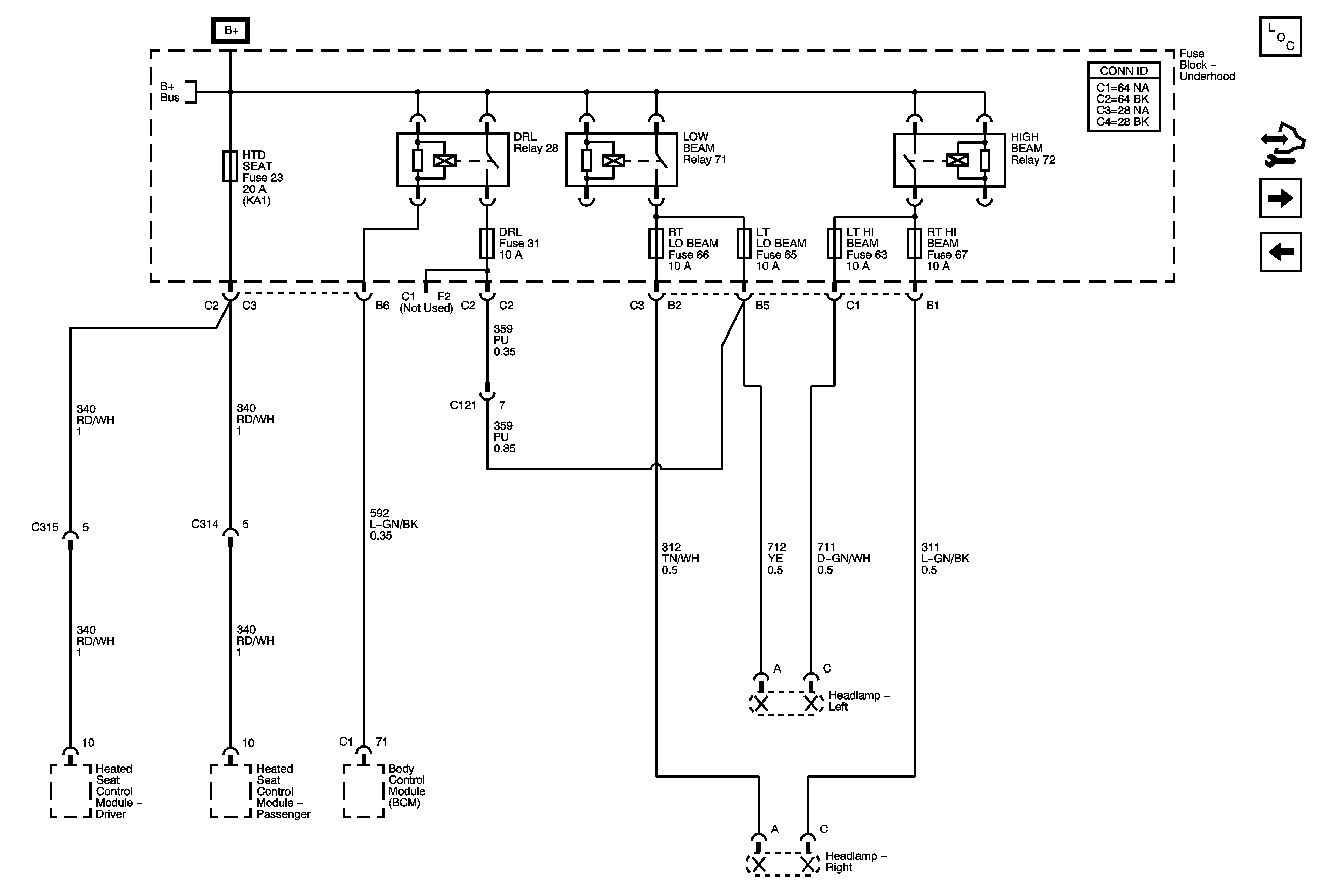
Underhood Fuse Block - LOW BEAM, HIGH BEAM, DRL Relays, HTD SEAT, DRL, RT LO BEAM, LT LO BEAM, LT HI BEAM, RT HI BEAM Fuses

Underhood Fuse Block - LOW BEAM, HIGH BEAM, DRL Relays, HTD SEAT, DRL, RT LO BEAM, LT LO BEAM, LT HI BEAM, RT HIGH BEAM Fuses


Object Number: 1769726  Size: FS
Master Electrical Component List
Control Module References
Underhood Fuse Block - ABS (20A), CNSTR VENT, PWR OUTLET, REAR POWER PLUG, REAR AUX PWR OUTLET and MIR Fuses, PWR SEATS Circuit Breaker
Underhood Fuse Block - L/GATE RELEASE, PWR/TRN Relays, L/GATE/S ROOF, EXH, INJ IGN MOD, and ECM Fuses
Underhood Fuse Block - B+ Bus