GM Service Manual Online
For 1990-2009 cars only
Makes
🢒
Chevrolet
🢒
2007
🢒
HHR
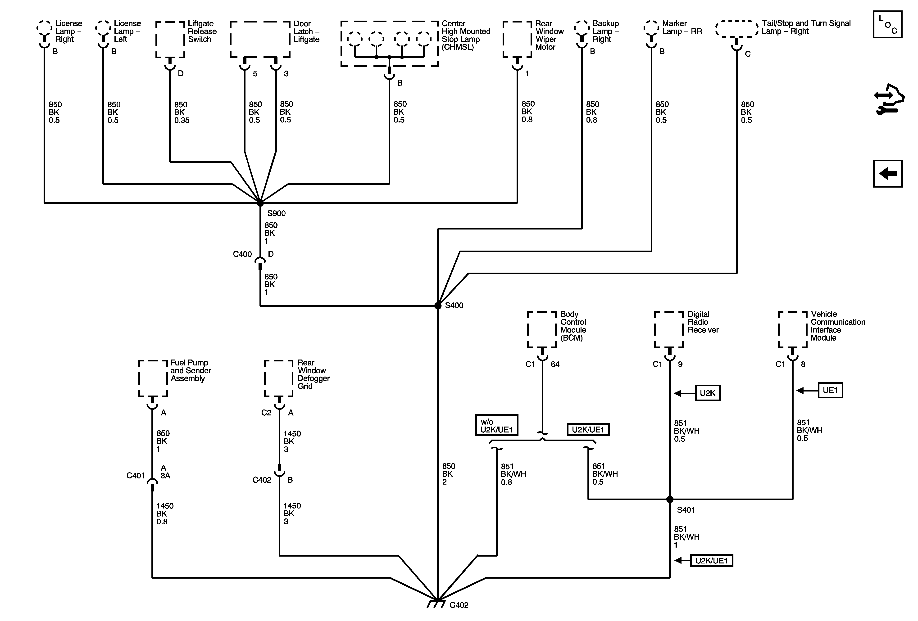
🢒 G402
G402
G402
Master Electrical Component List
Control Module References
G401, G403