GM Service Manual Online
For 1990-2009 cars only
Makes
🢒
Chevrolet
🢒
2007
🢒
HHR
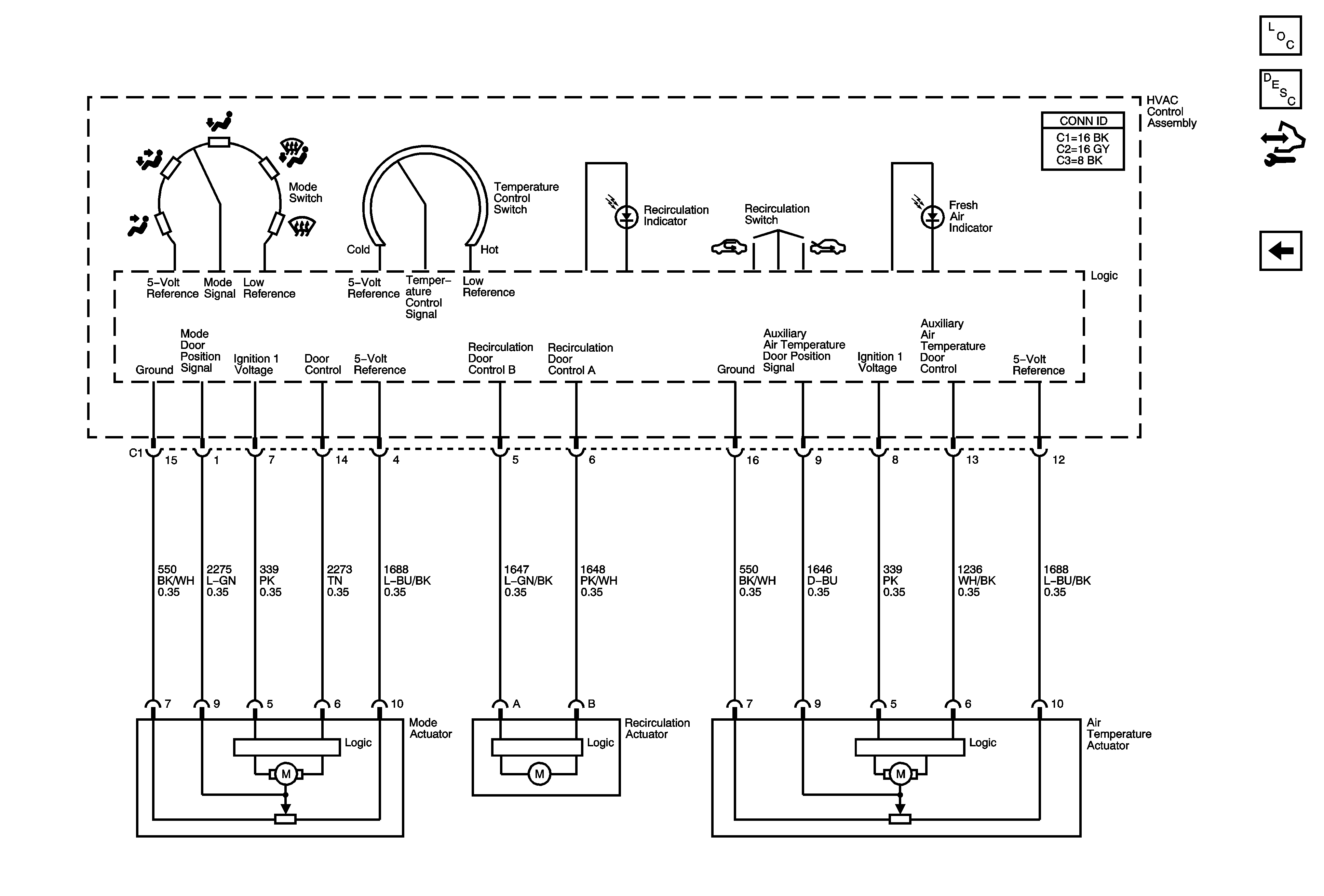
🢒 Mode and Air Temperature Controls
Mode and Air Temperature Controls
Mode and Air Temperature Controls
Master Electrical Component List
Air Temperature Description and Operation
Control Module References
Compressor Controls