GM Service Manual Online
For 1990-2009 cars only
Figure 1:

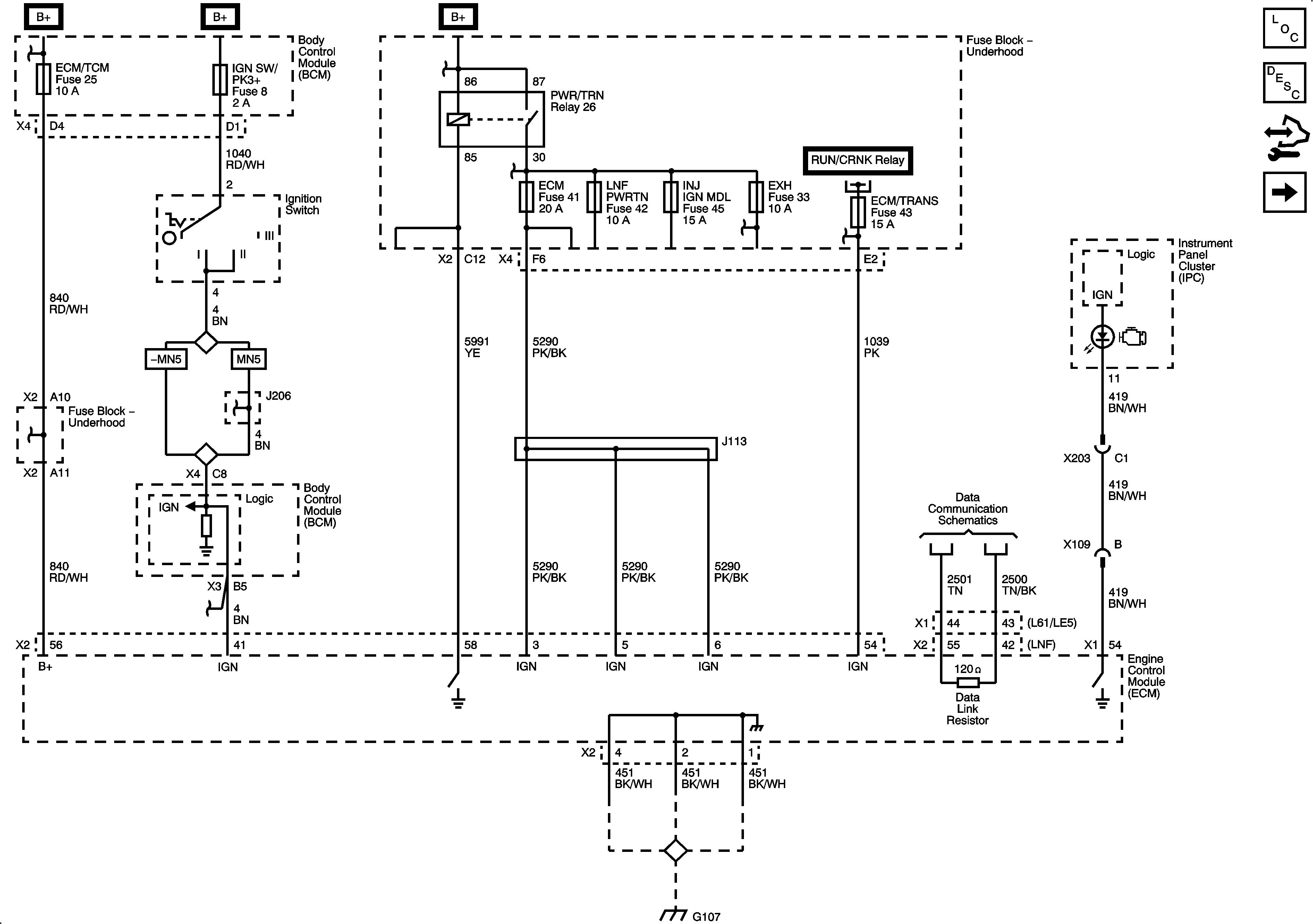
Data Link, Ground, MIL, and Power


Object Number: 1910671  Size: FS
Master Electrical Component List
Engine Control Module Description
Control Module References
5-Volt and Low Reference
Figure 2:

Engine Data Sensors - 5-Volt and Low Reference


Object Number: 1910674  Size: FS
Master Electrical Component List
Engine Control Module Description
Control Module References
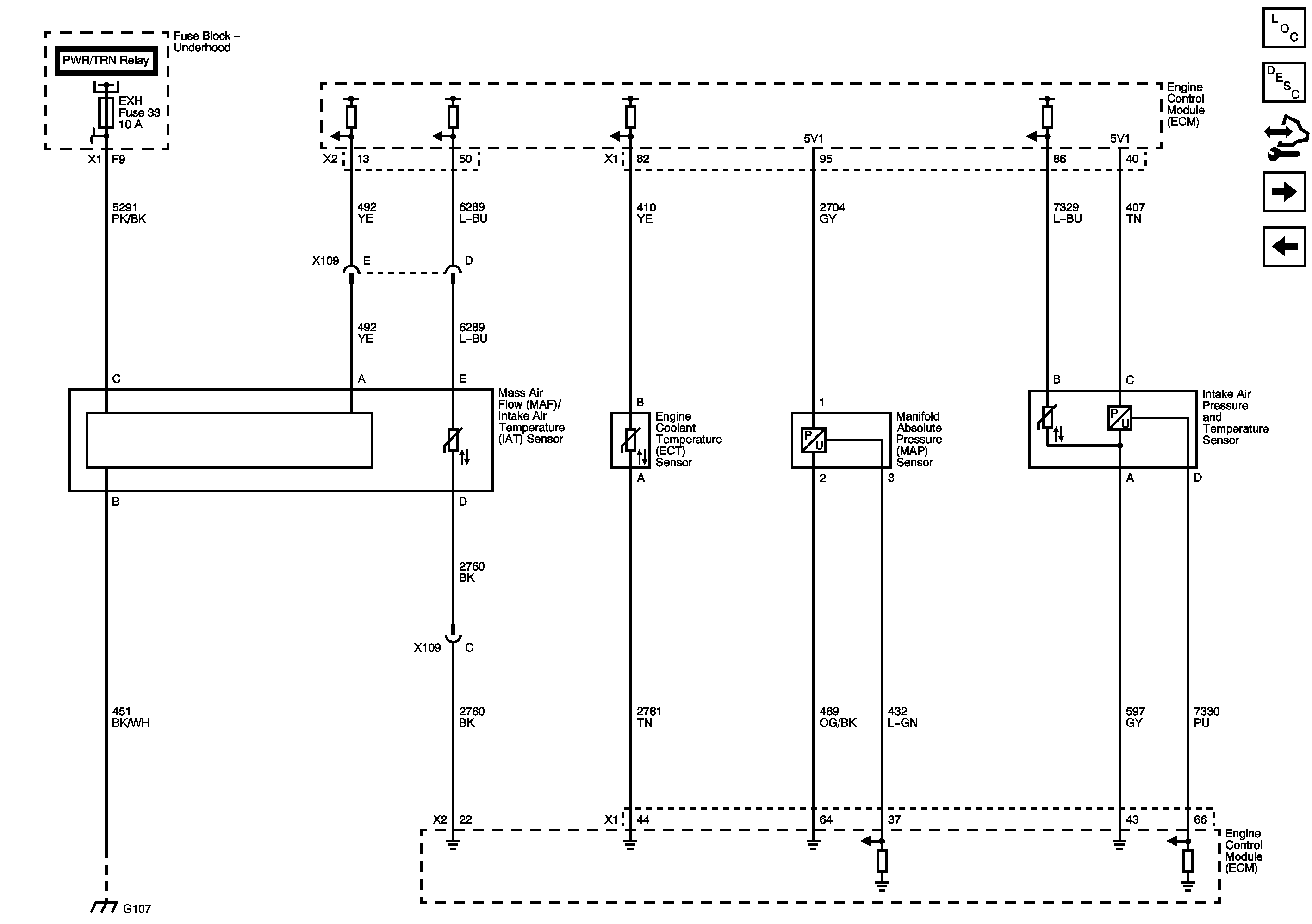
Engine Data Sensors - Pressure and Temperature
Data Link, Ground, MIL, and Power
Figure 3:

Engine Data Sensors - Pressure, Temperature and MAF/IAT


Object Number: 1910676  Size: FS
Master Electrical Component List
Engine Control Module Description
Control Module References
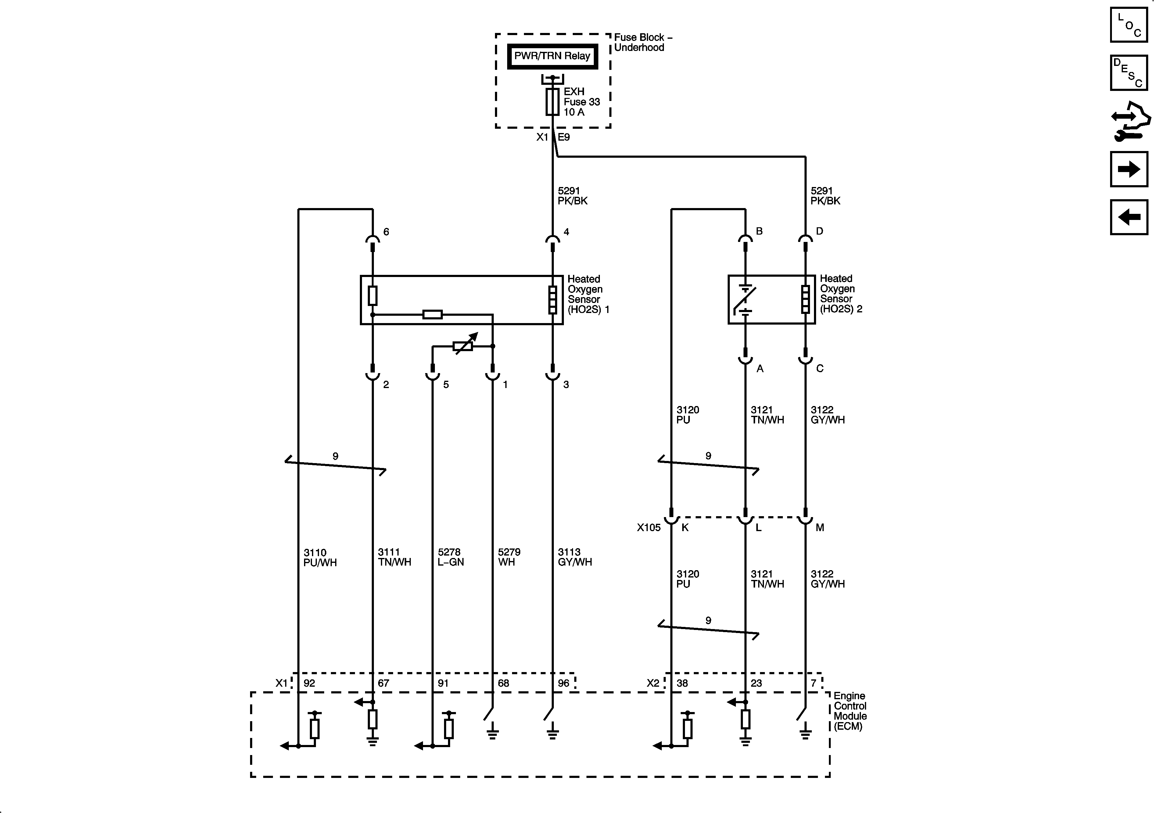
Engine Data Sensors - Oxygen Sensors
5-Volt and Low Reference
Figure 4:

Engine Data Sensors - Oxygen Sensors


Object Number: 1910678  Size: FS
Master Electrical Component List
Engine Control Module Description
Control Module References
Engine Data Sensors - Engine Throttle Controls
Engine Data Sensors - Pressure and Temperature
Figure 5:

Engine Data Sensors - APP and TAC


Object Number: 1910681  Size: FS
Master Electrical Component List
Engine Control Module Description
Control Module References
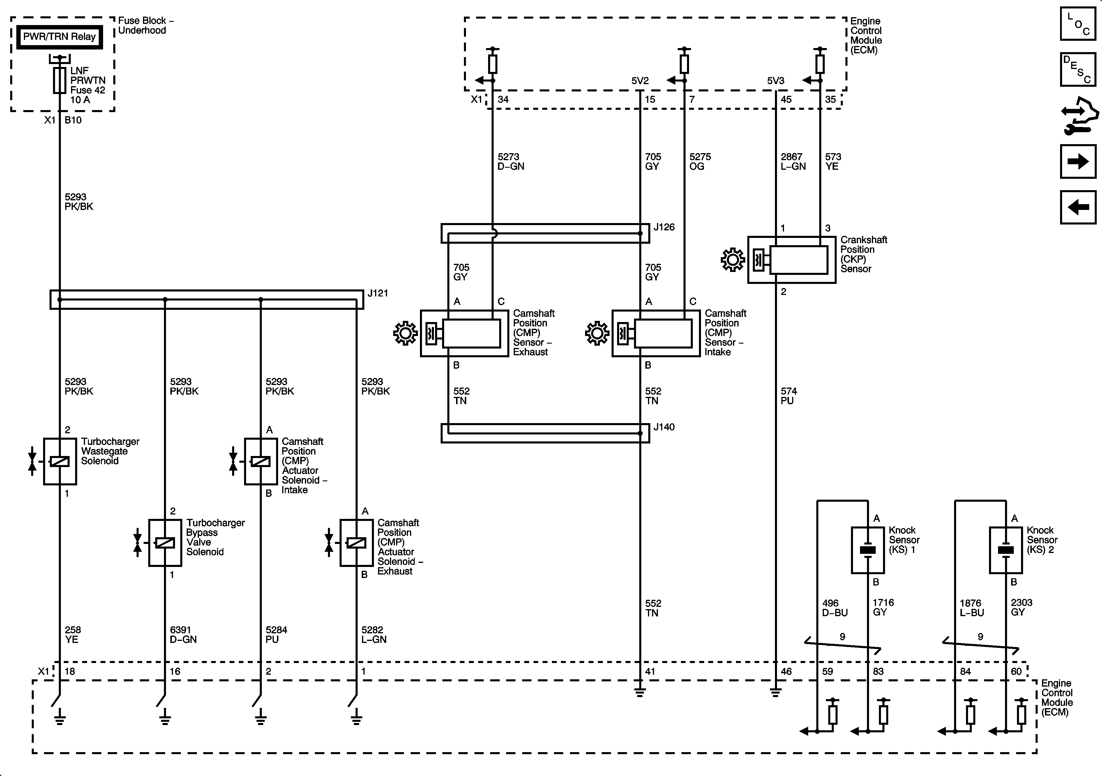
Ignition Controls - Sensors
Engine Data Sensors - Oxygen Sensors
Figure 6:

Ignition Controls - Sensors


Object Number: 1910684  Size: FS
Master Electrical Component List
Engine Control Module Description
Control Module References
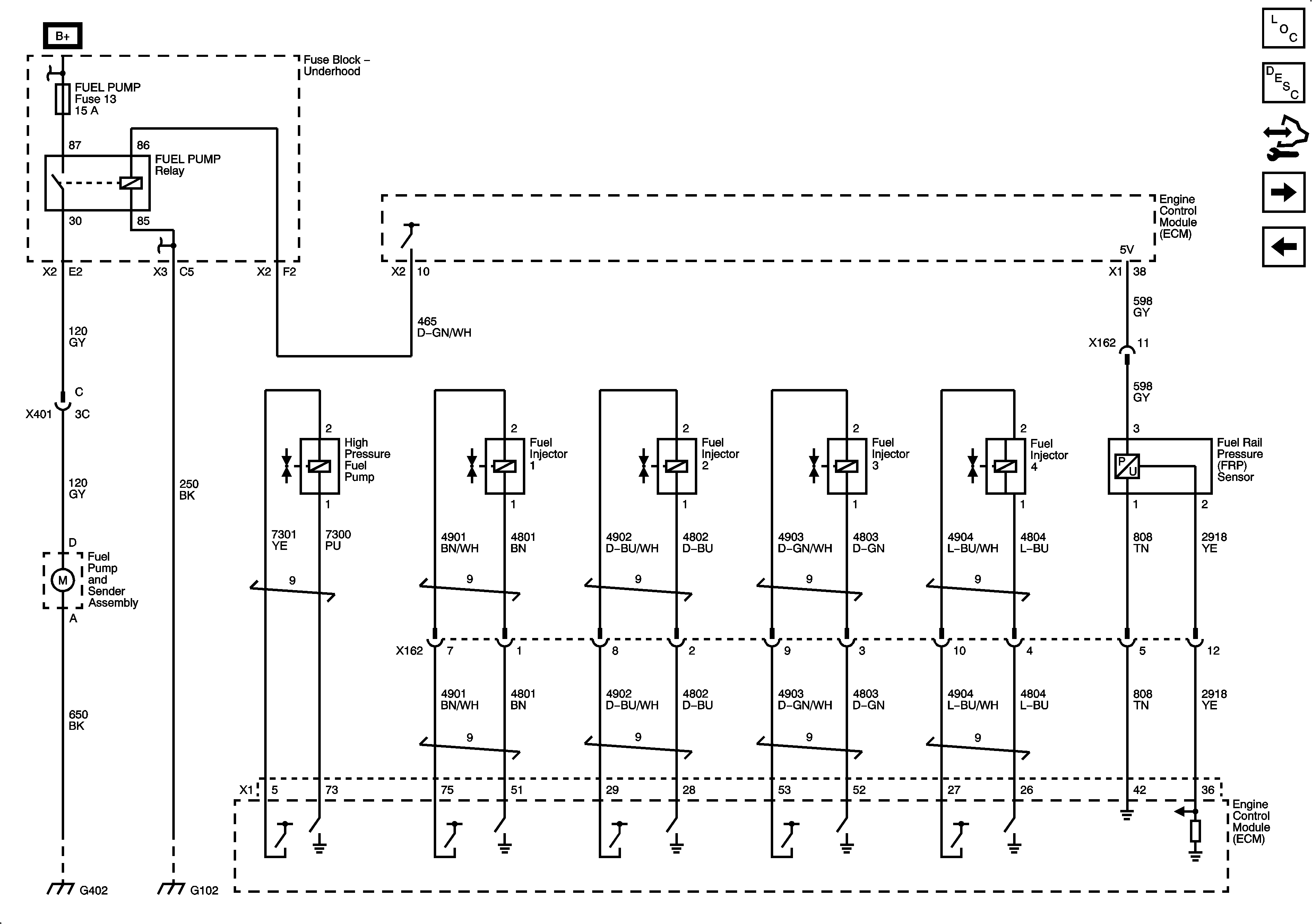
Fuel Controls - Fuel Pump Controls and Fuel Injectors
Engine Data Sensors - Engine Throttle Controls
Figure 7:

Fuel Controls - Fuel Pump Controls and Fuel Injectors


Object Number: 1910686  Size: FS
Master Electrical Component List
Engine Control Module Description
Control Module References
Ignition Controls - Ignition System
Ignition Controls - Sensors
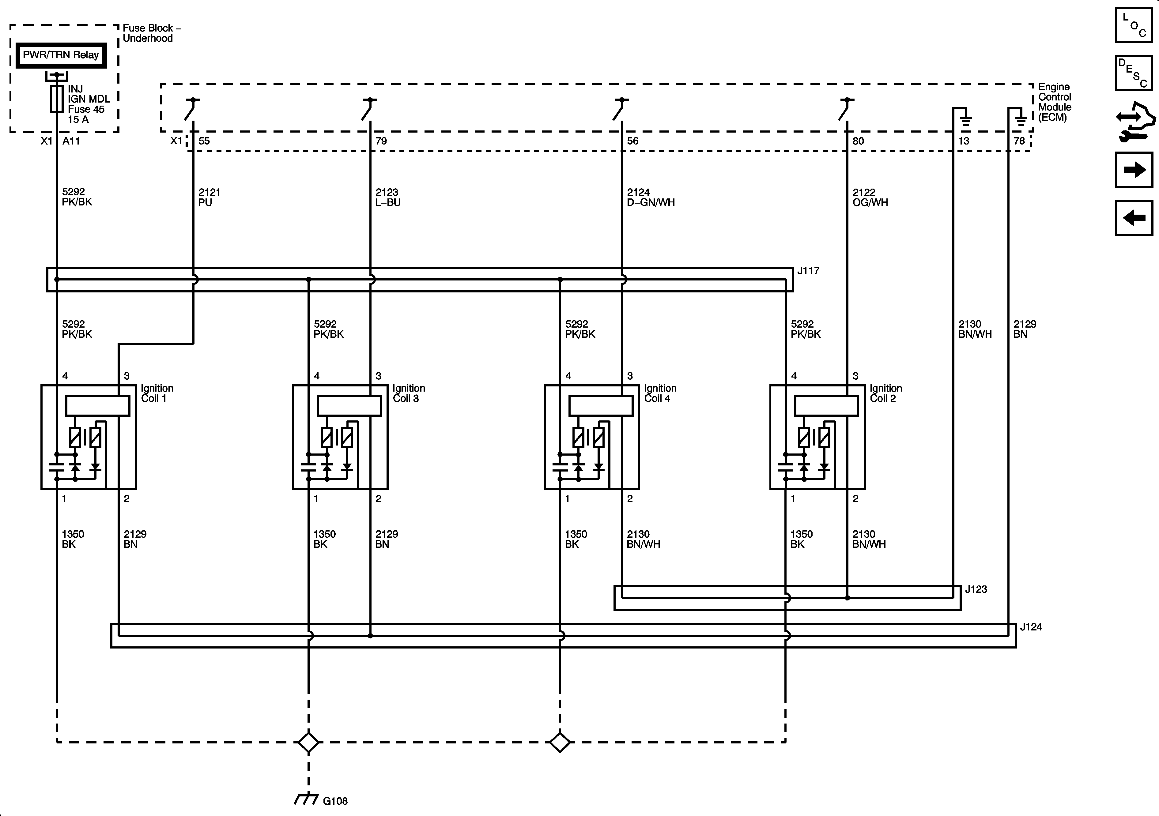
Figure 8:

Ignition Controls - Ignition System


Object Number: 1910688  Size: FS
Master Electrical Component List
Engine Control Module Description
Control Module References
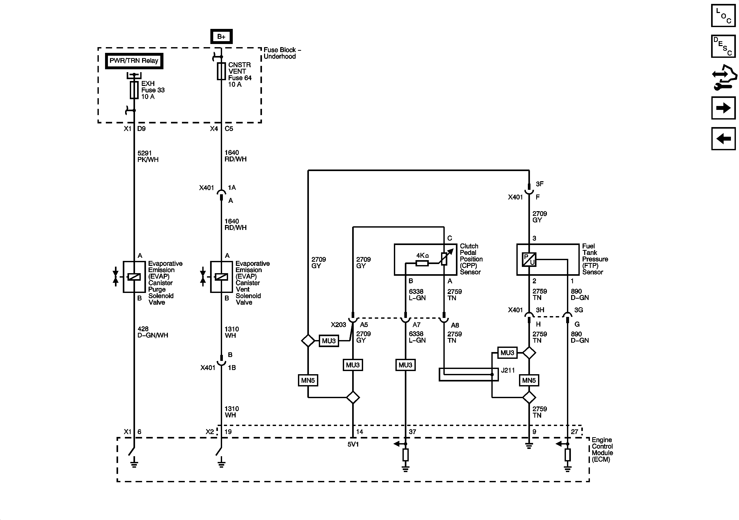
Fuel Controls - EVAP Controls
Fuel Controls - Fuel Pump Controls and Fuel Injectors
Figure 9:

Fuel Controls - EVAP Controls


Object Number: 1910690  Size: FS
Master Electrical Component List
Engine Control Module Description
Control Module References
Controlled/Monitored Subsystem References
Ignition Controls - Ignition System
Figure 10:

Controlled/Monitored Subsystem References


Object Number: 1910691  Size: FS
Master Electrical Component List
Engine Control Module Description
Control Module References
Fuel Controls - EVAP Controls