GM Service Manual Online
For 1990-2009 cars only
Makes
🢒
Chevrolet
🢒
2008
🢒
HHR
🢒
Diagnostic Navigation
🢒
Vehicle Diagnostic Information
🢒 Moveable Window Schematics
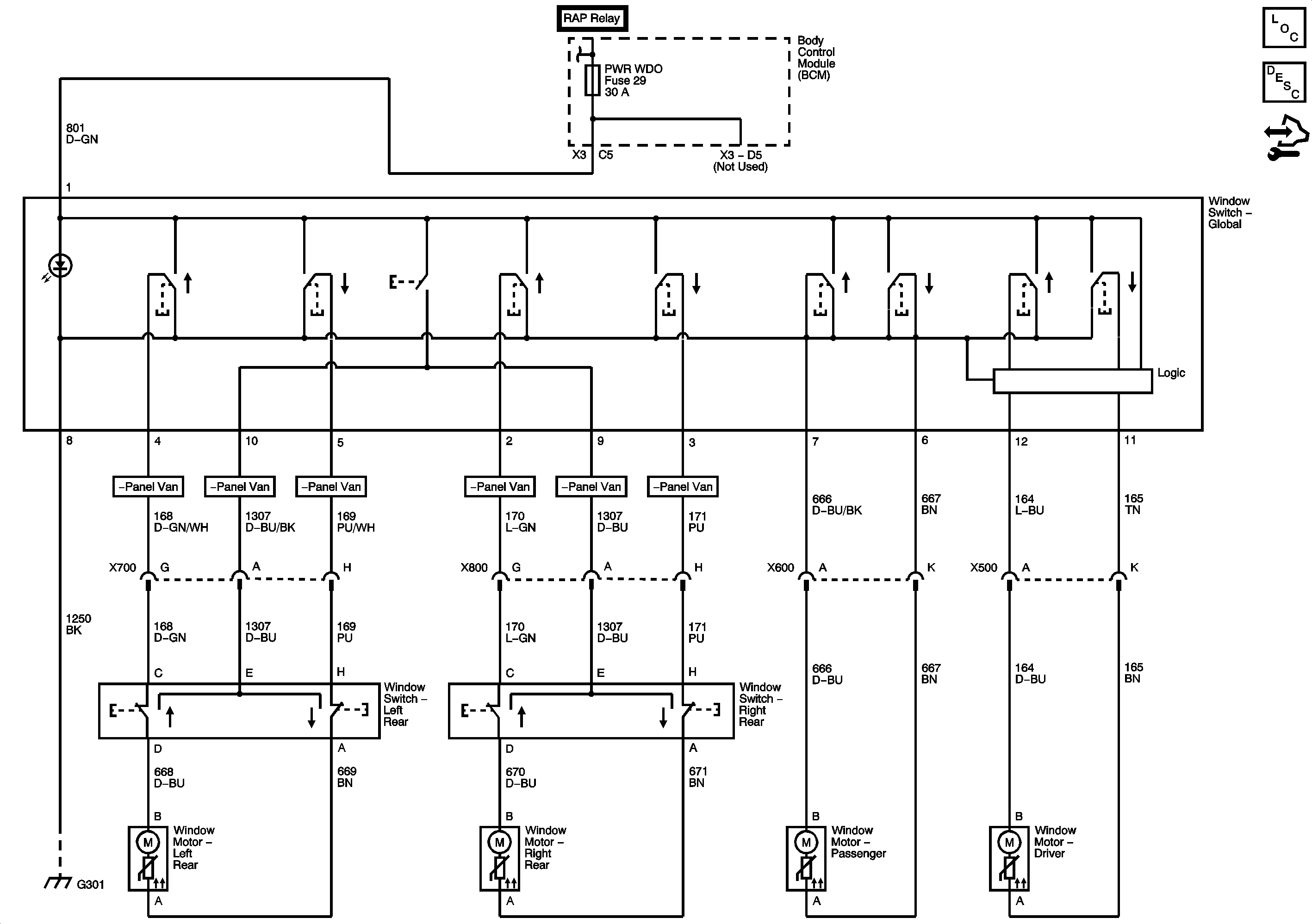
Figure
1:
Without LNF
Master Electrical Component List
Power Windows Description and Operation
Control Module References
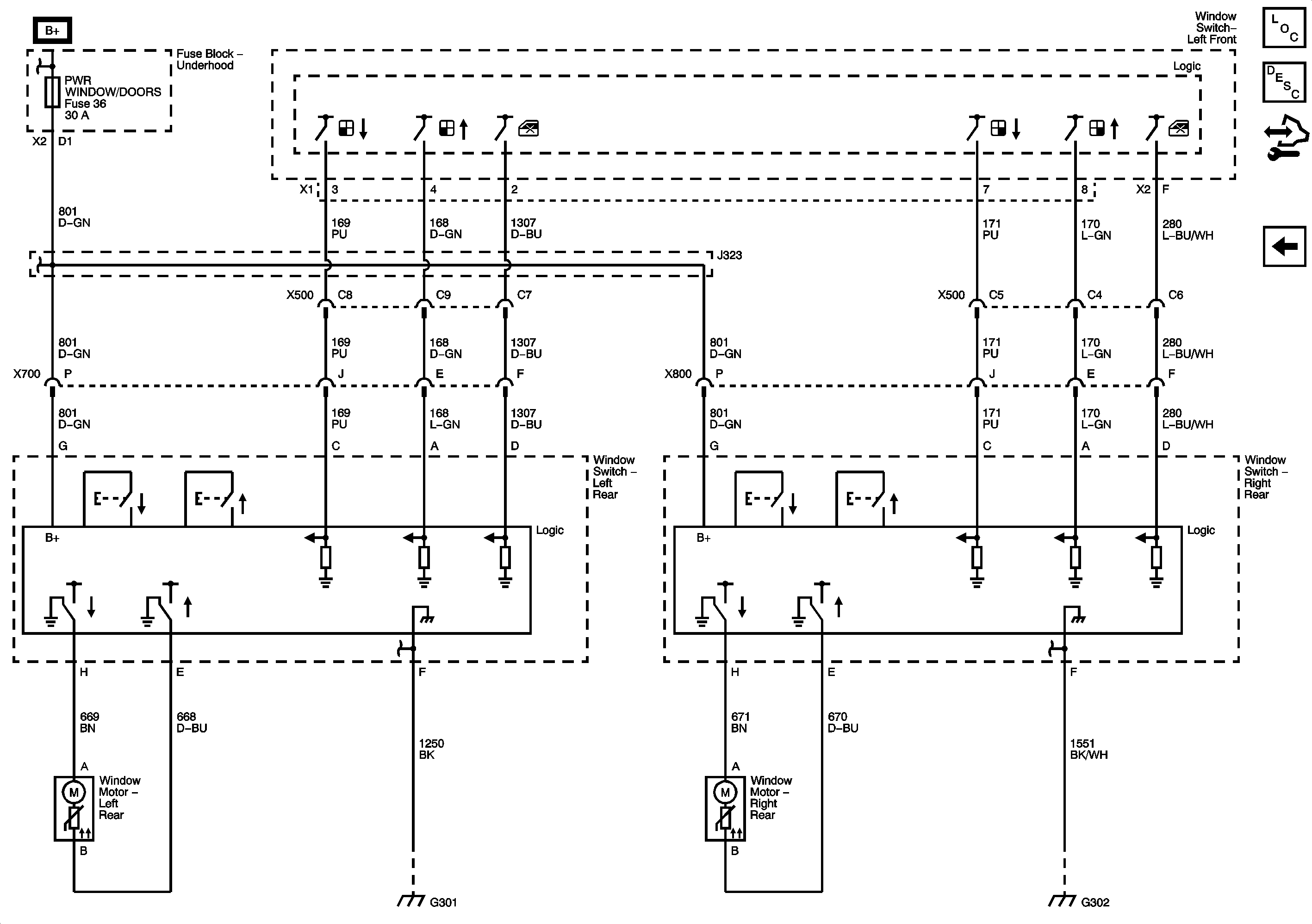
Figure
2:
Front (Sport)
Master Electrical Component List
Power Windows Description and Operation
Control Module References
Rear (Sport)
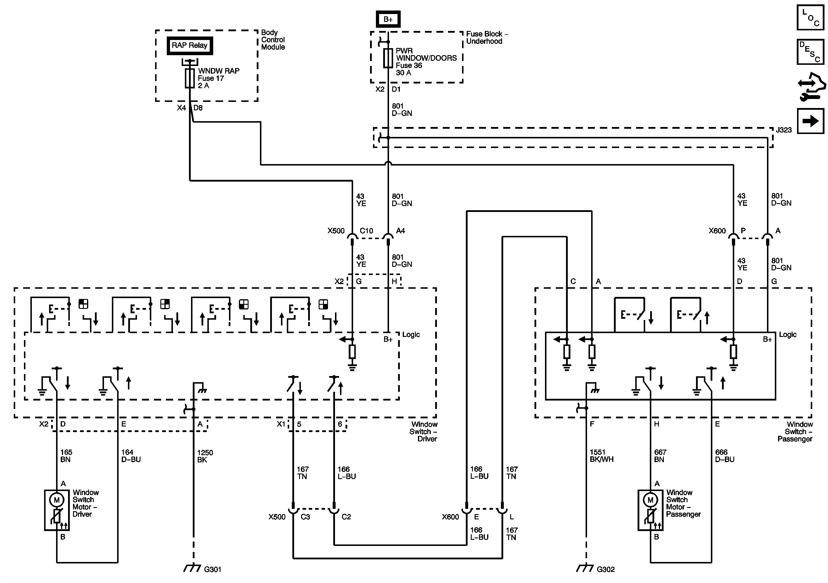
Figure
3:
Rear (Sport)
Master Electrical Component List
Power Windows Description and Operation
Control Module References
Front (Sport)