GM Service Manual Online
For 1990-2009 cars only
Figure 1:

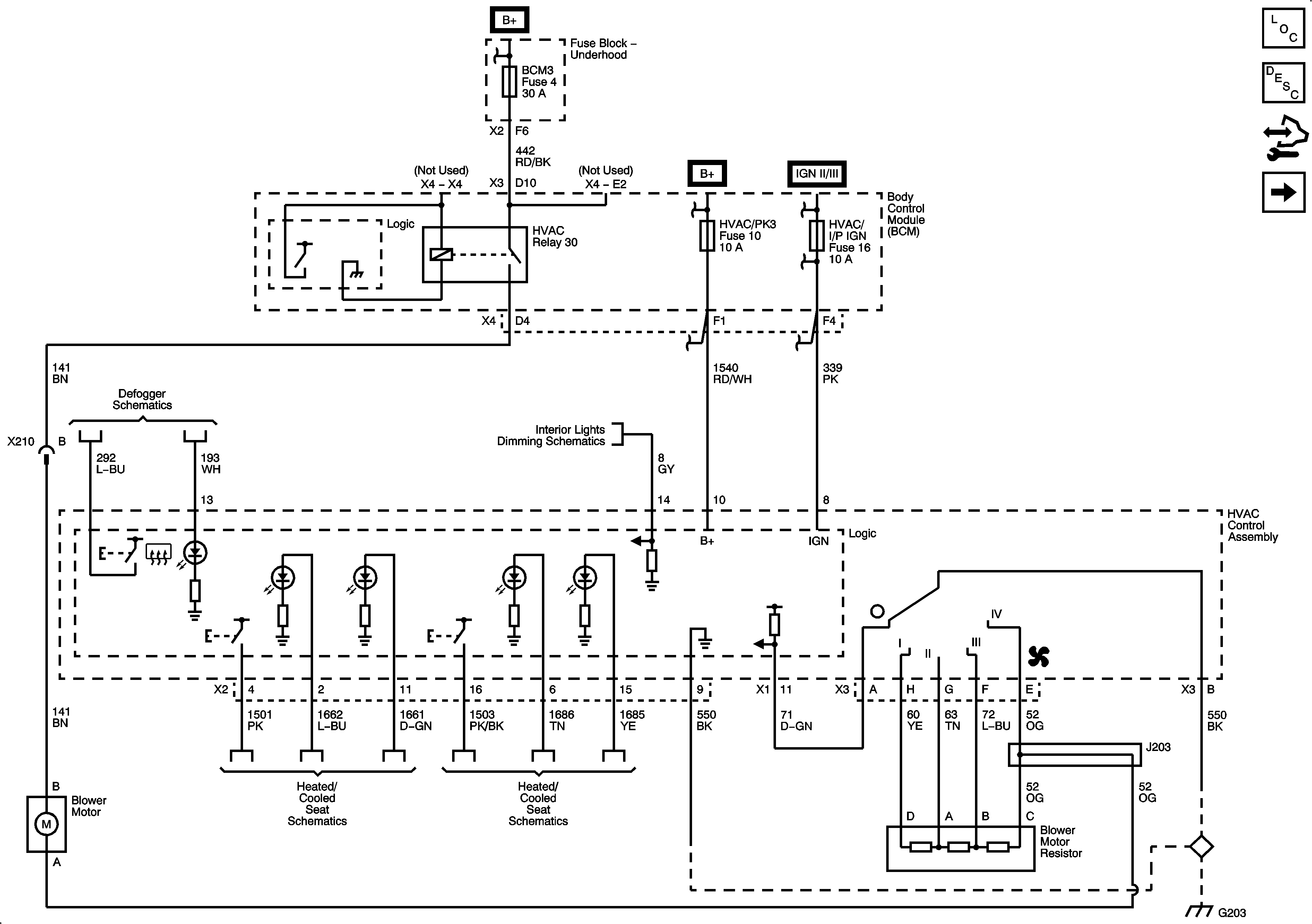
Power, Ground, Blower Motor Controls, and Subsystem References


Object Number: 1887475  Size: FS
Master Electrical Component List
Air Delivery Description and Operation
Control Module References
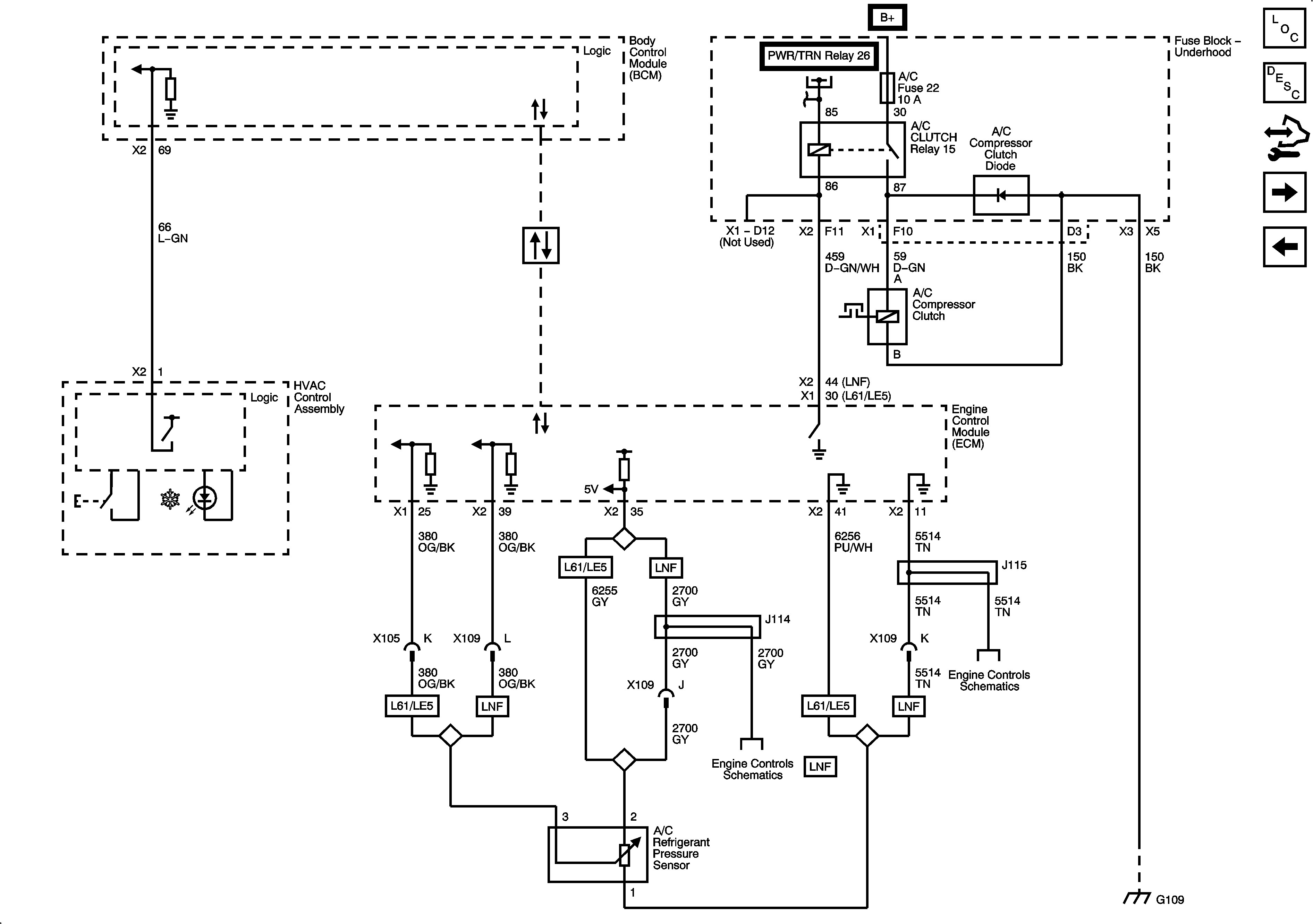
Compressor Controls
Figure 2:

Compressor Controls


Object Number: 1887477  Size: FS
Master Electrical Component List
Air Delivery Description and Operation
Control Module References
Mode and Air Temperature Controls
Power, Ground, Blower Motor Controls and Subsystem
Figure 3:

Mode and Air Temperature Controls


Object Number: 1887479  Size: FS
Master Electrical Component List
Air Delivery Description and Operation
Control Module References
Compressor Controls