GM Service Manual Online
For 1990-2009 cars only
Figure 1:

Inputs


Object Number: 1887650  Size: FS
Master Electrical Component List
Exterior Lighting Systems Description and Operation
Control Module References
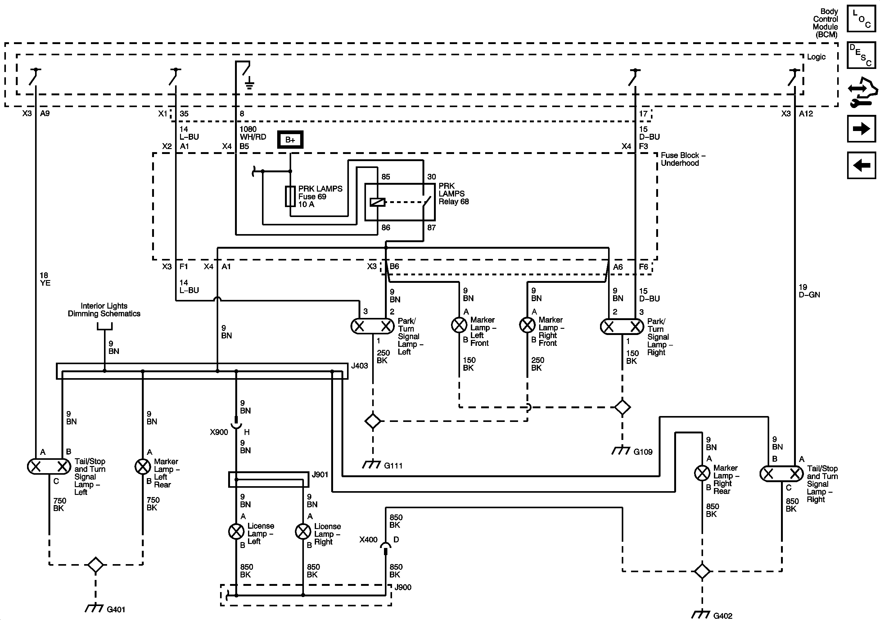
Park/Turn Signal/DRL, License and Side Marker Lamps
Figure 2:

Park/Turn Signal/DRL, License and Side Marker Lamps


Object Number: 1887654  Size: FS
Master Electrical Component List
Exterior Lighting Systems Description and Operation
Control Module References
Center High Mounted Stop Lamp, B+
Inputs
Figure 3:

Center High Mounted Stop Lamp, B+


Object Number: 1887657  Size: FS
Master Electrical Component List
Exterior Lighting Systems Description and Operation
Control Module References
Backup Lamps
Park/Turn Signal/DRL, License and Side Marker Lamps
Figure 4:

Backup Lamps


Object Number: 1887660  Size: FS
Master Electrical Component List
Exterior Lighting Systems Description and Operation
Control Module References
Center High Mounted Stop Lamp, B+