GM Service Manual Online
For 1990-2009 cars only
Figure 1:

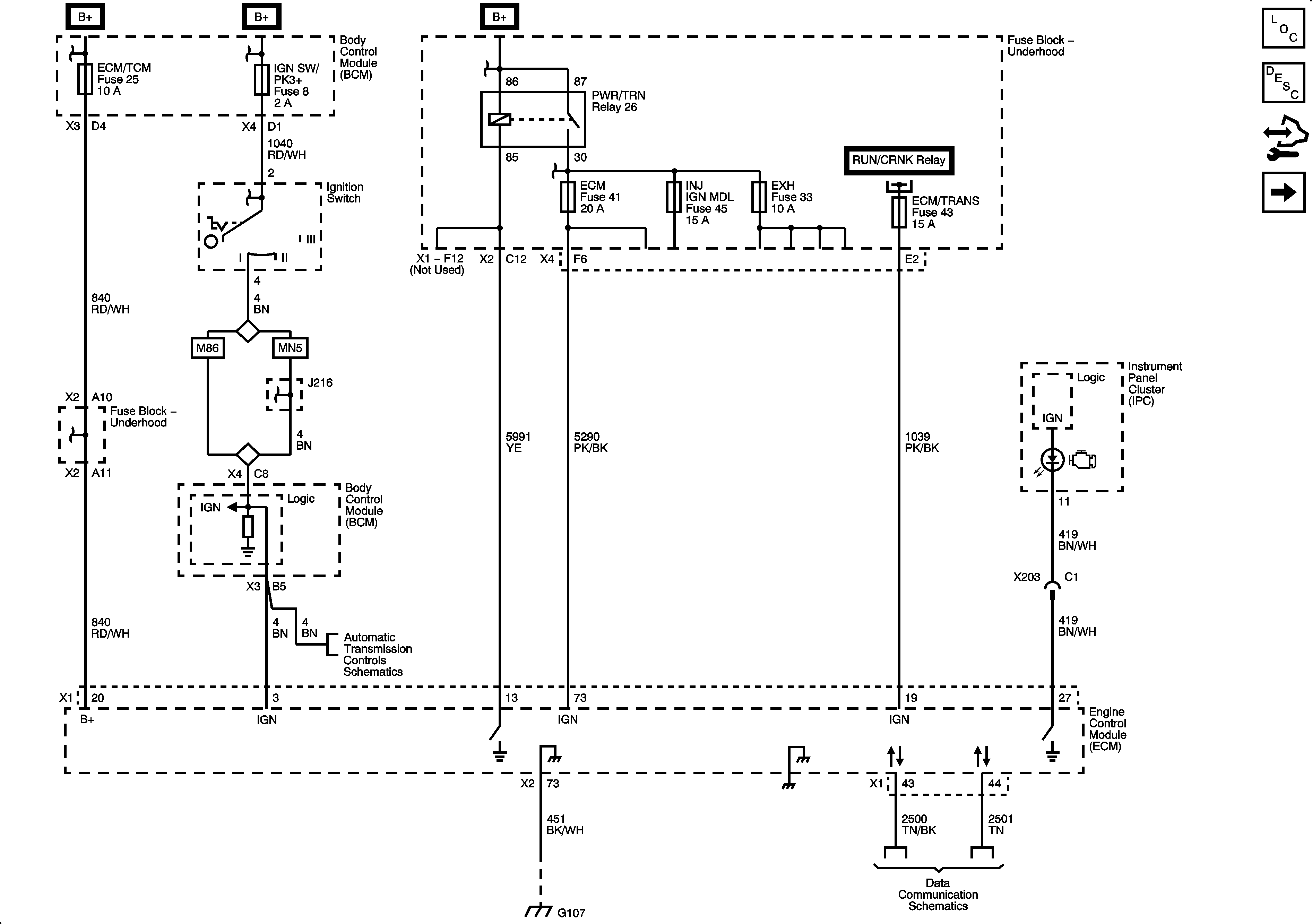
Power, Ground, MIL, and DLC


Object Number: 1887493  Size: FS
Master Electrical Component List
Engine Control Module Description
Control Module References
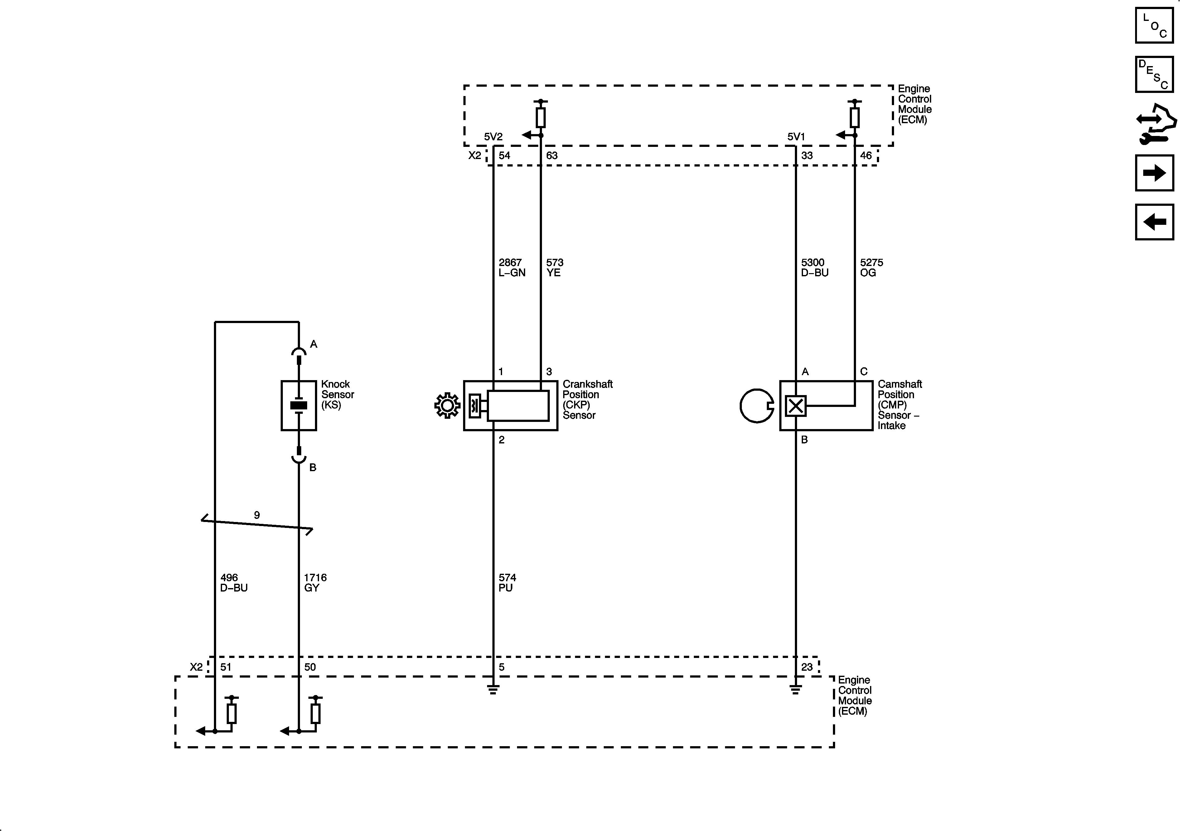
Engine Data Sensors 5-Volt and Low References
Figure 2:

Engine Data Sensors - 5-Volt and Low References


Object Number: 1887495  Size: FS
Master Electrical Component List
Engine Control Module Description
Control Module References
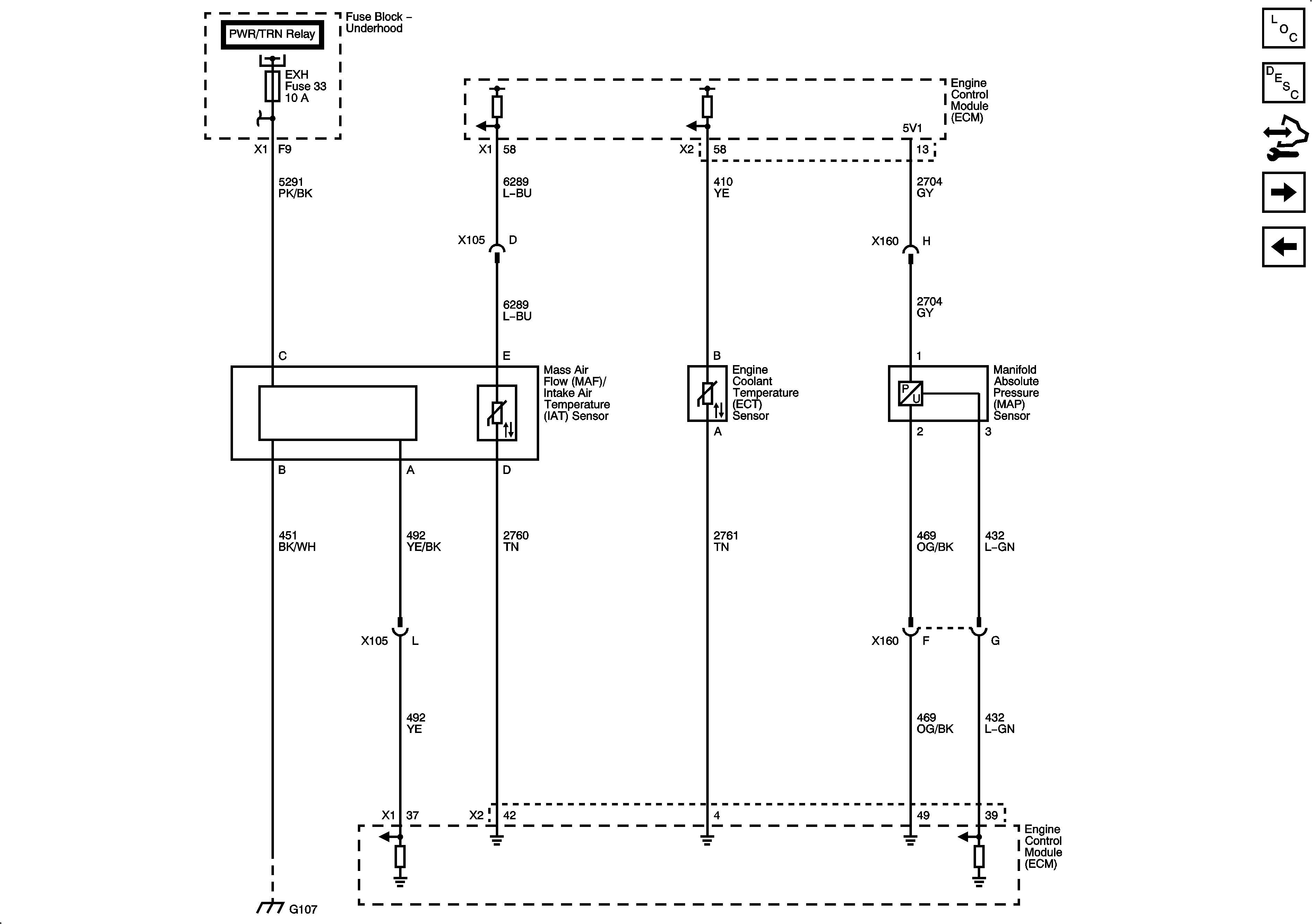
Engine Data Sensors Pressure, Temp and MAF/IAT
Power, Ground, MIL and DLC
Figure 3:

Engine Data Sensors - Pressure, Temperature, and MAF/IAT


Object Number: 1887497  Size: FS
Master Electrical Component List
Engine Control Module Description
Control Module References
Engine Data Sensors Pressure, HO2S
Engine Data Sensors 5-Volt and Low References
Figure 4:

Engine Data Sensors - HO2S


Object Number: 1887499  Size: FS
Master Electrical Component List
Engine Control Module Description
Control Module References
Engine Data Sensors Pressure, APP and TAC
Engine Data Sensors Pressure, Temp and MAF/IAT
Figure 5:

Engine Data Sensors - APP and TAC


Object Number: 1887501  Size: FS
Master Electrical Component List
Engine Control Module Description
Control Module References
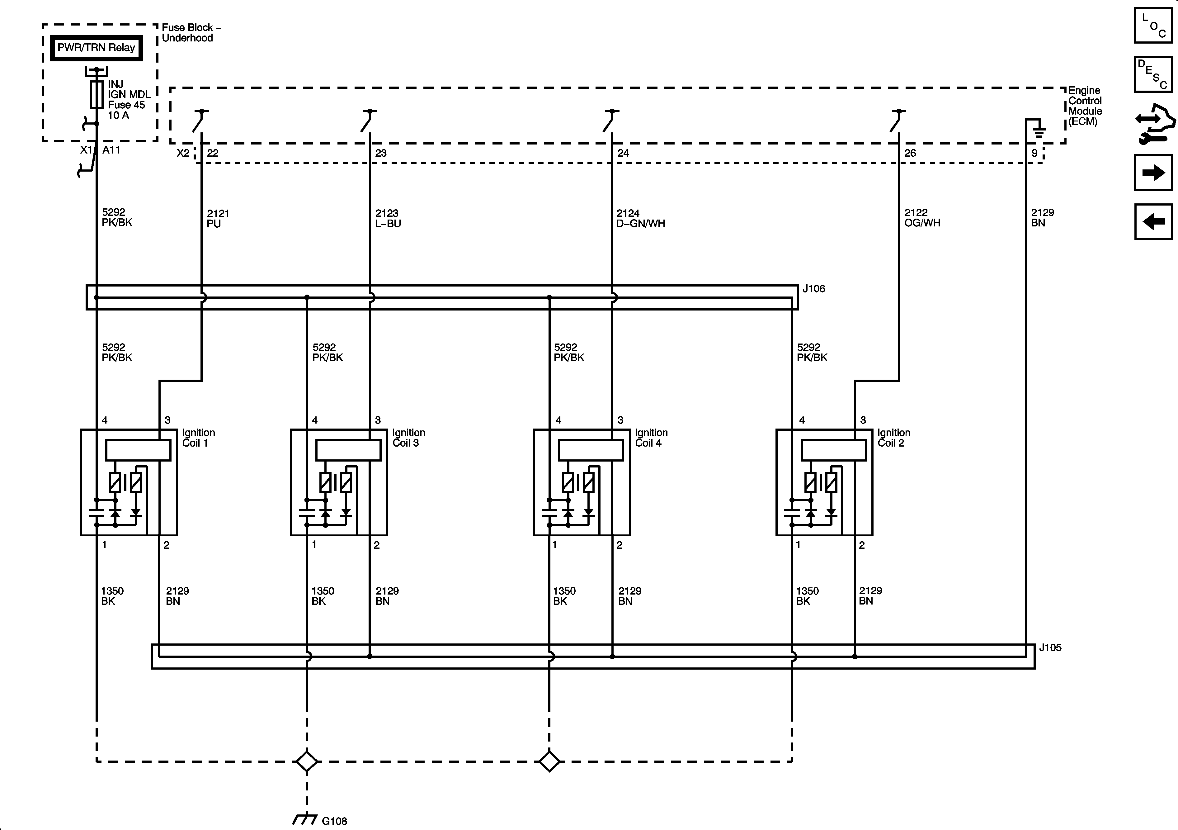
Ignition Controls - Ignition System
Engine Data Sensors Pressure, HO2S
Figure 6:

Ignition Controls - Ignition System


Object Number: 1887503  Size: FS
Master Electrical Component List
Engine Control Module Description
Control Module References
Ignition Controls - Sensors
Engine Data Sensors Pressure, APP and TAC
Figure 7:

Ignition Controls - Sensors


Object Number: 1887505  Size: FS
Master Electrical Component List
Engine Control Module Description
Control Module References
Fuel Controls
Ignition Controls - Ignition System
Figure 8:

Fuel Controls


Object Number: 1887507  Size: FS
Master Electrical Component List
Engine Control Module Description
Control Module References
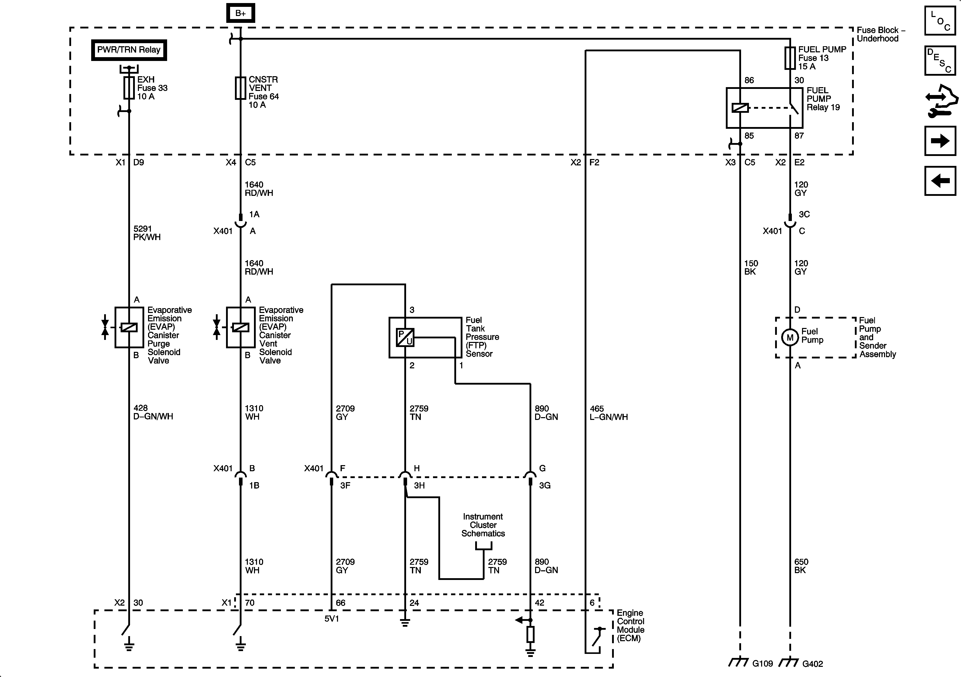
EVAP Controls
Ignition Controls - Sensors
Figure 9:

EVAP Controls


Object Number: 1887509  Size: FS
Master Electrical Component List
Engine Control Module Description
Control Module References
Controlled/Monitored Subsystem References
Fuel Controls
Figure 10:

Controlled/Monitored Subsystem References


Object Number: 1887511  Size: FS
Master Electrical Component List
Engine Control Module Description
Control Module References
EVAP Controls