GM Service Manual Online
For 1990-2009 cars only
Makes
🢒
Chevrolet
🢒
2008
🢒
HHR
🢒
Diagnostic Navigation
🢒
Vehicle Diagnostic Information
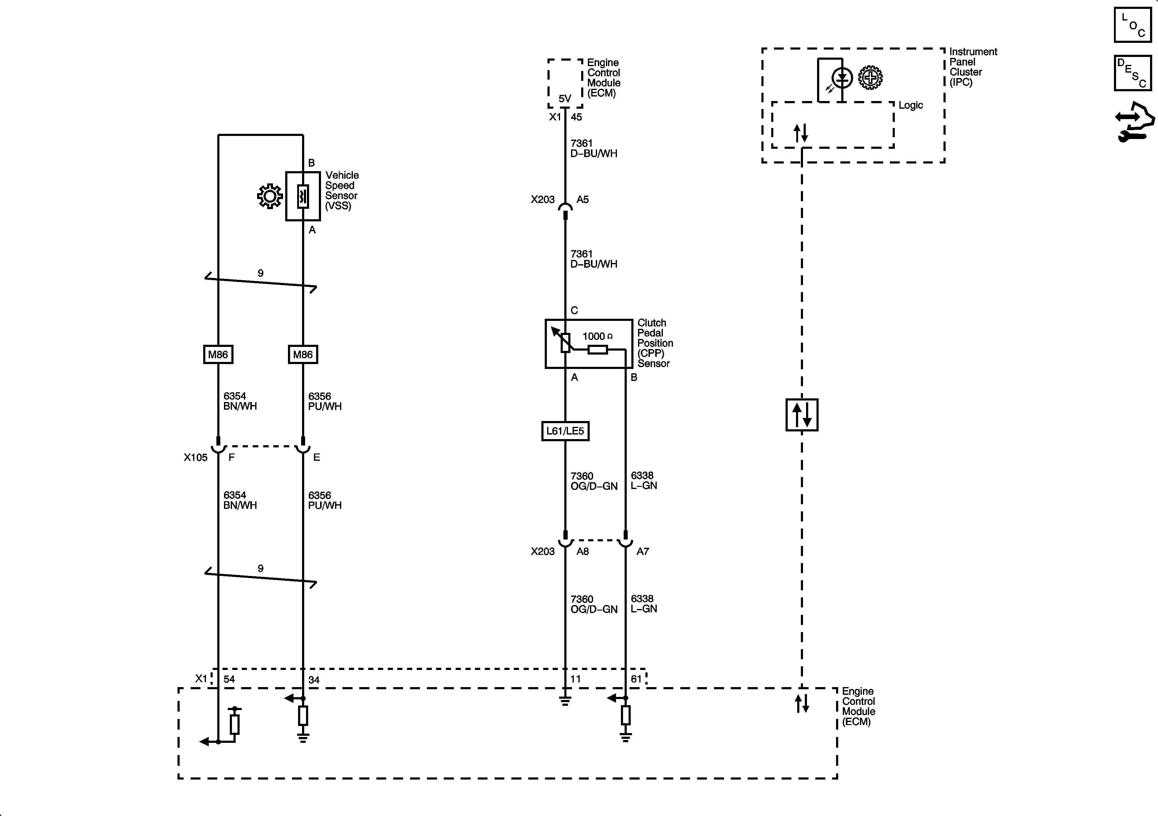
🢒 Manual Transmission Schematics
Getrag 5-Speed
Master Electrical Component List
Transmission System Description and Operation
Control Module References