GM Service Manual Online
For 1990-2009 cars only
Makes
🢒
Chevrolet
🢒
2008
🢒
HHR
🢒
Diagnostic Navigation
🢒
Vehicle Diagnostic Information
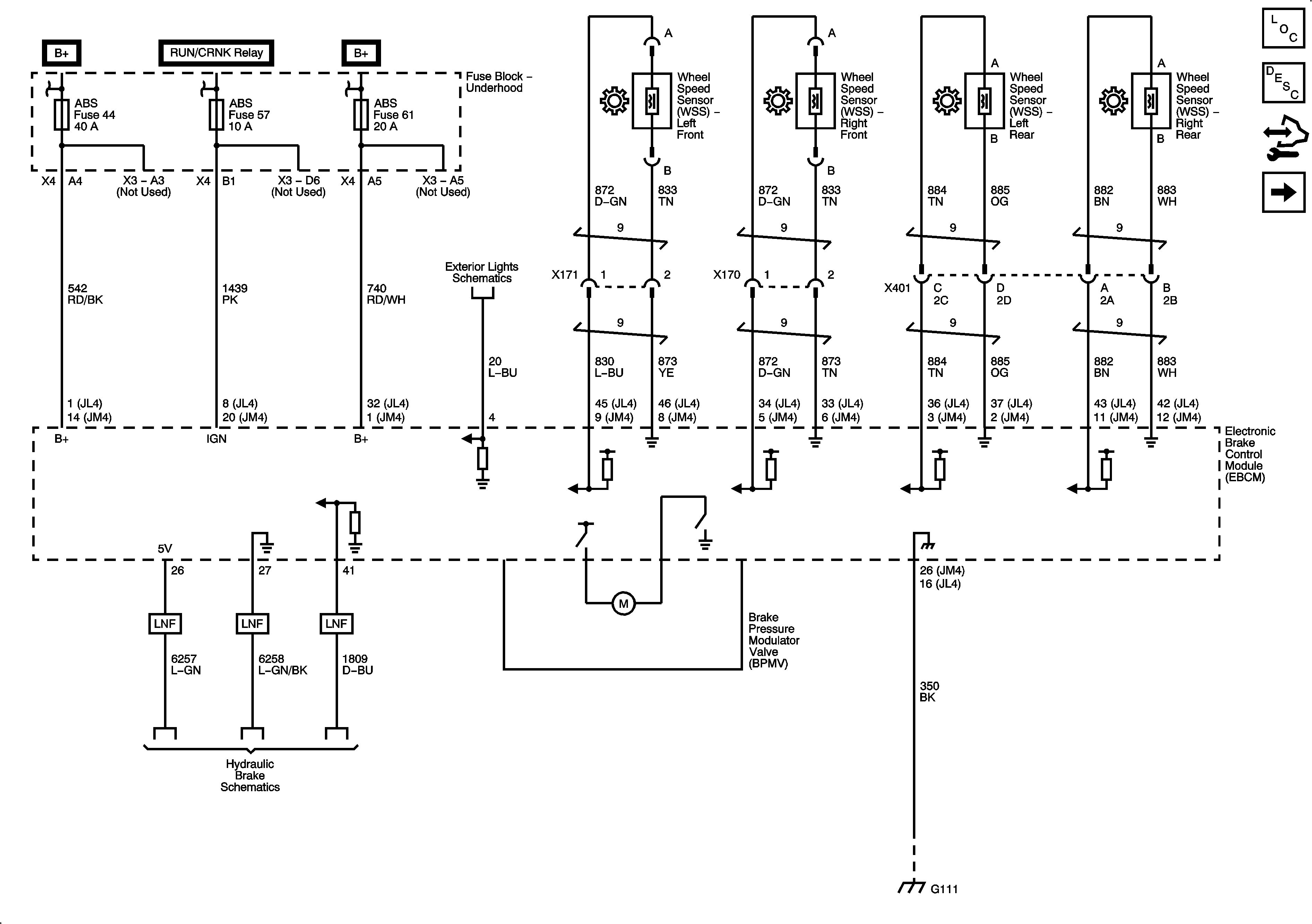
🢒 Antilock Brake System Schematics
Figure
1:
Power, Ground, and WSS
Master Electrical Component List
ABS Description and Operation
Control Module References
Stability Control and Traction Control
Figure
2:
Stability Control (JL4)
Master Electrical Component List
ABS Description and Operation
Control Module References
Power, Ground and WSS