GM Service Manual Online
For 1990-2009 cars only
Makes
🢒
Chevrolet
🢒
2008
🢒
HHR
🢒
Body Systems
🢒
Vehicle Access
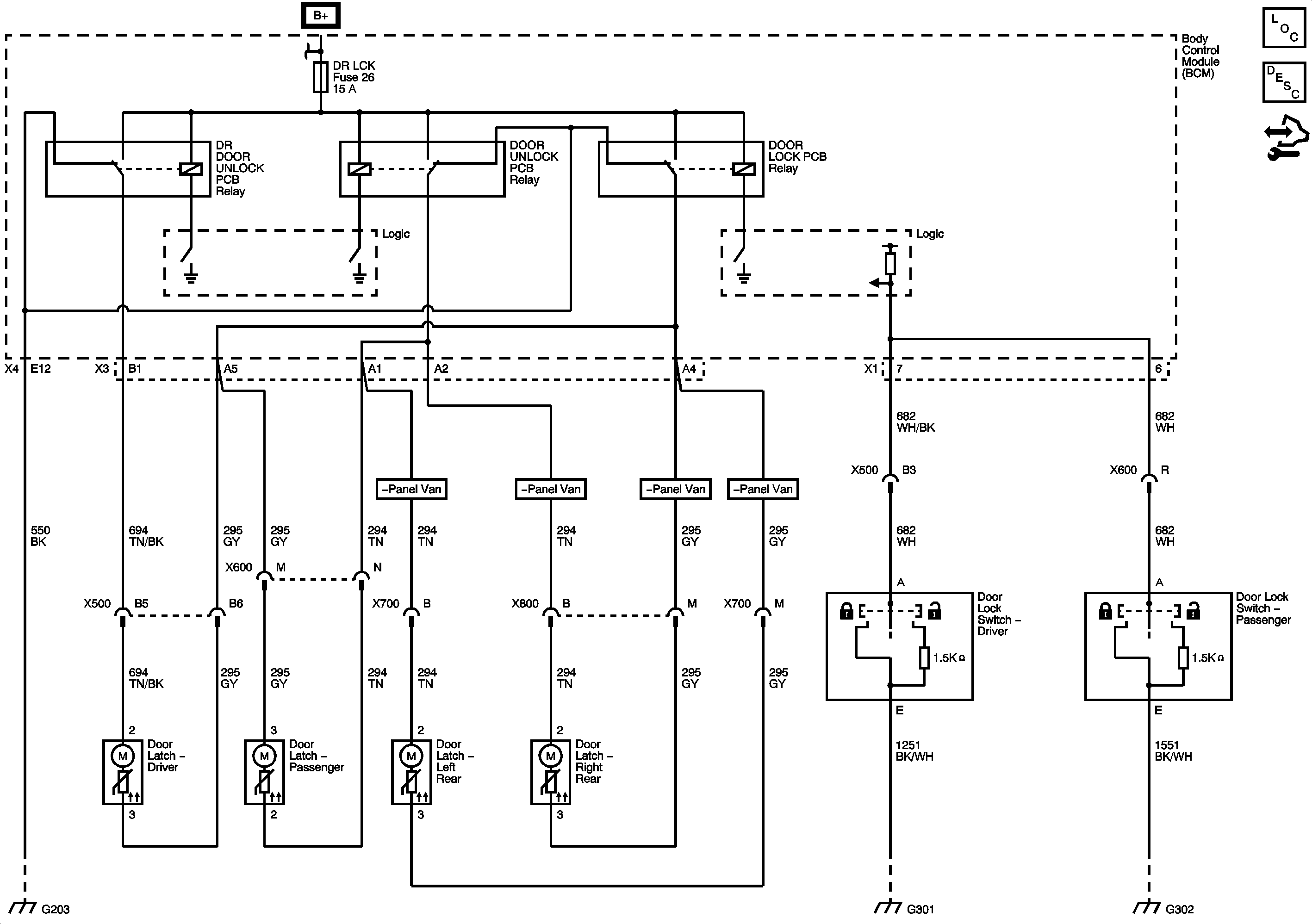
🢒 Door Lock/Indicator Schematics
Door Lock Indicators
Master Electrical Component List
Power Door Locks Description and Operation
Control Module References