GM Service Manual Online
For 1990-2009 cars only
Makes
🢒
Chevrolet
🢒
2008
🢒
HHR
🢒
Power and Signal Distribution
🢒
Data Communications
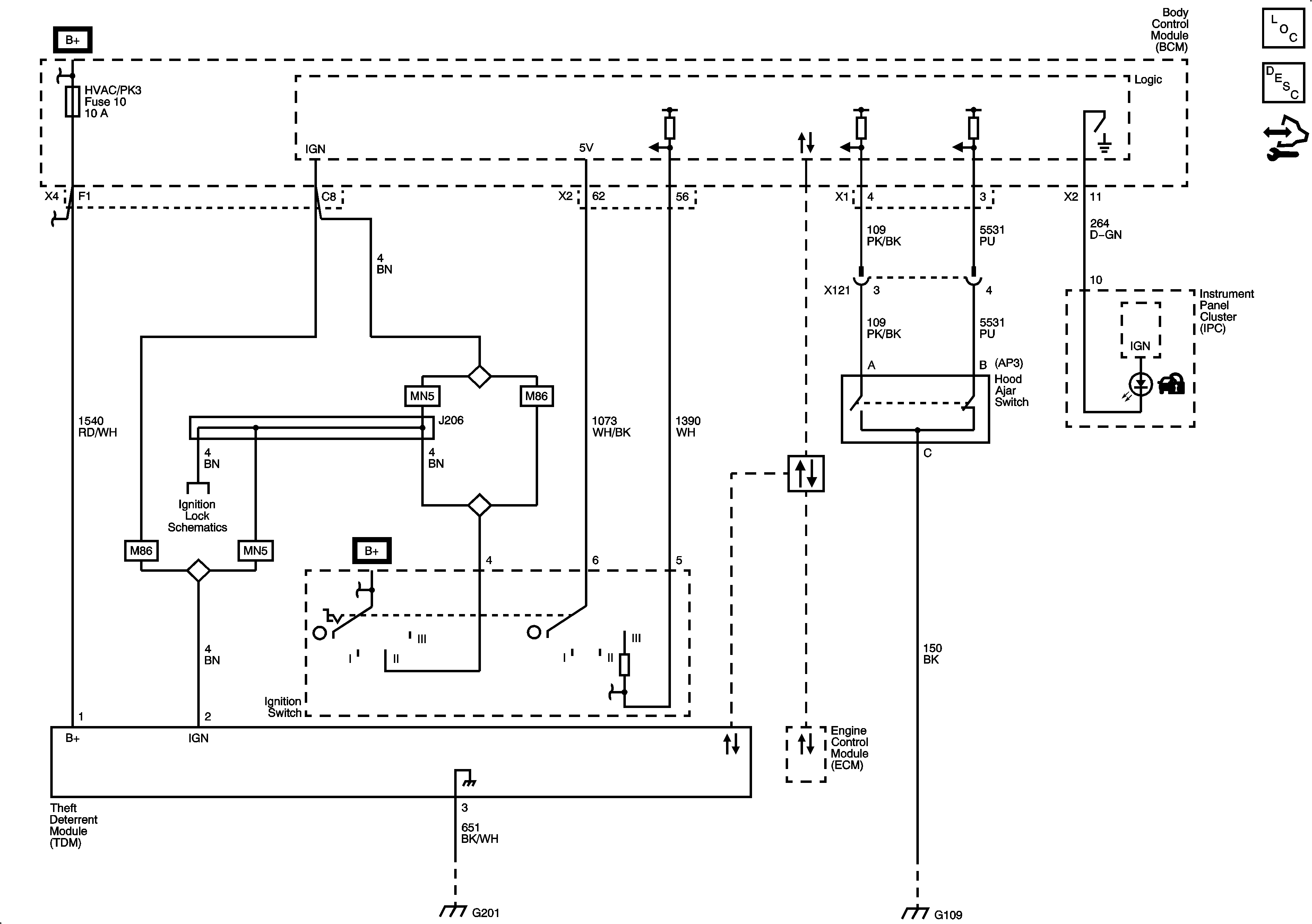
🢒 Immobilizer Schematics
Vehicle Theft Deterrent
Master Electrical Component List
Immobilizer Description and Operation
Control Module References