GM Service Manual Online
For 1990-2009 cars only
Makes
🢒
Chevrolet
🢒
2008
🢒
HHR
🢒
Power and Signal Distribution
🢒
Data Communications
🢒 Data Communication Schematics
Figure
1:
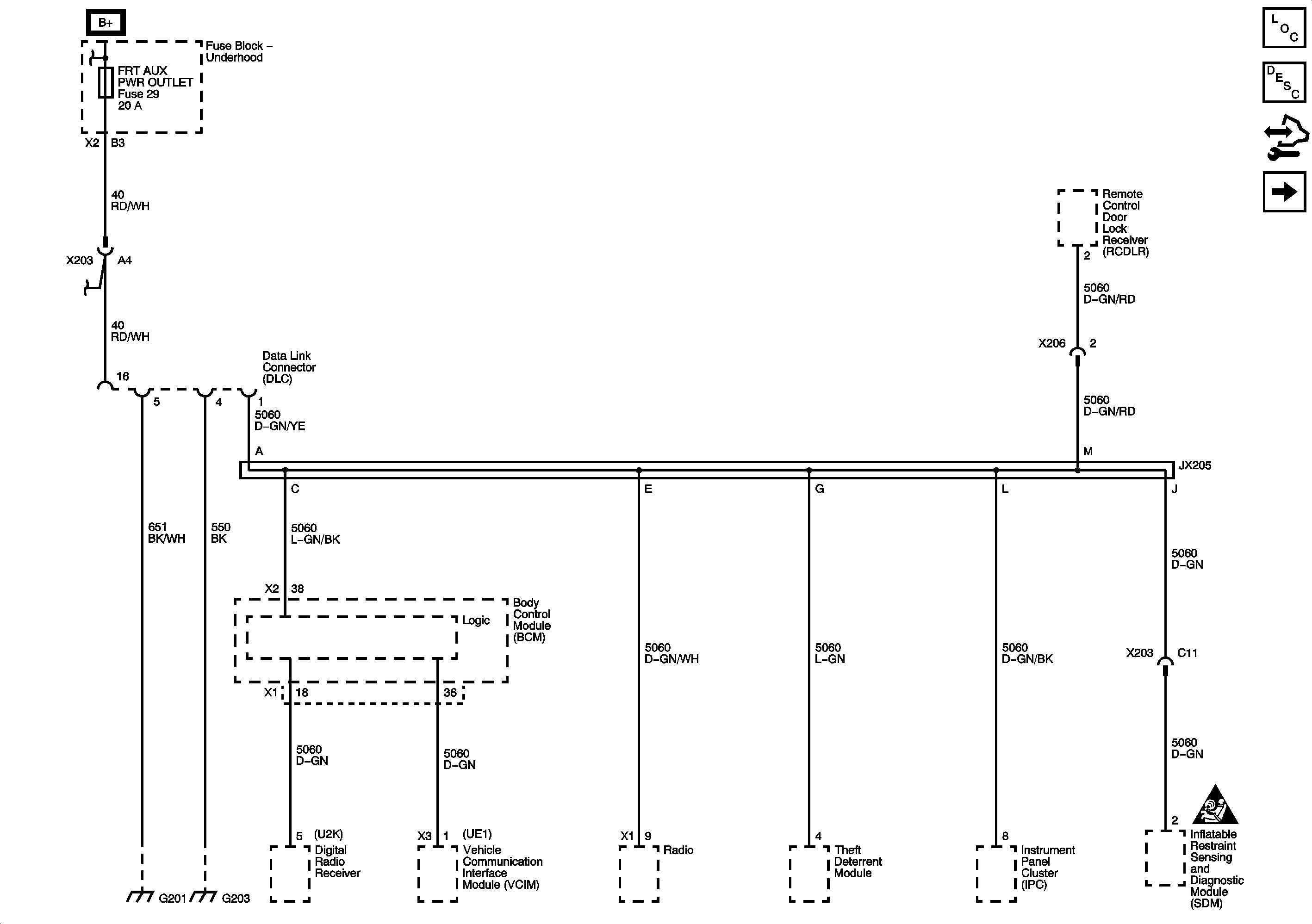
DLC Power, Ground, and Low Speed GMLAN
Master Electrical Component List
Data Link Communications Description and Operation
Control Module References
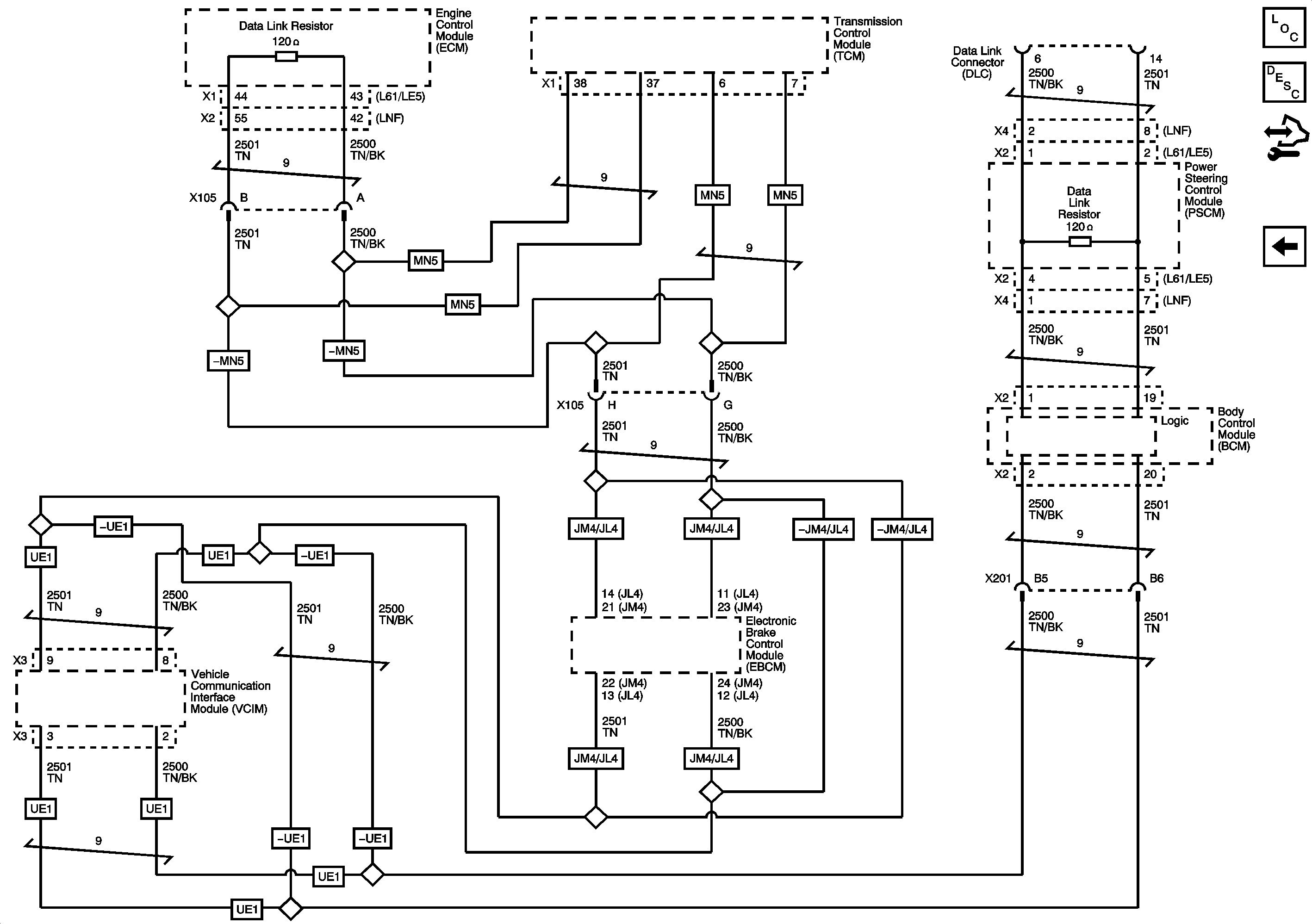
High Speed GMLAN
Figure
2:
High Speed GMLAN
Master Electrical Component List
Data Link Communications Description and Operation
Control Module References
DLC Power, Ground and Low Speed GMLAN
DLC Power, Ground and Low Speed GMLAN