GM Service Manual Online
For 1990-2009 cars only
Figure 1:

Indicators, Power, Ground, Pretensioners, and Front Air Bag Modules


Object Number: 1887703  Size: FS
Master Electrical Component List
SIR System Description and Operation
Control Module References
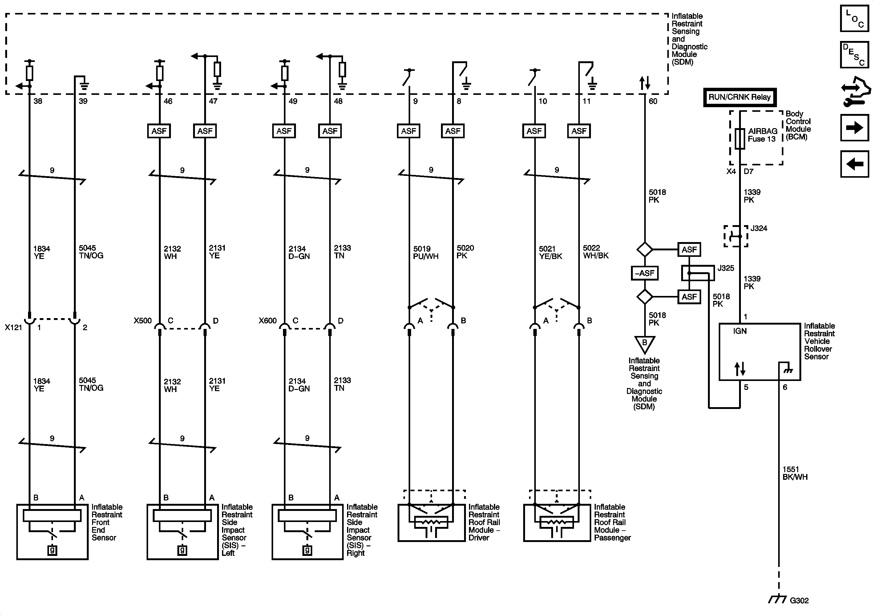
Side Impact-(ASF), Roof Rail Modules, Front End Sensor
Figure 2:

Side Impact (ASF), Roof Rail Module, and Front End Sensor


Object Number: 1887706  Size: FS
Master Electrical Component List
SIR System Description and Operation
Control Module References
Indicators, Power, Ground, Pretensioners and Front Air Bag Modules
Passenger Presence System
Figure 3:

Passenger Presence System


Object Number: 1887708  Size: FS
Master Electrical Component List
SIR System Description and Operation
Control Module References
Side Impact-(ASF), Roof Rail Modules, Front End Sensor