GM Service Manual Online
For 1990-2009 cars only
Makes
🢒
Chevrolet
🢒
2008
🢒
HHR
🢒
Power and Signal Distribution
🢒
Wiring Systems and Power Management
🢒 Power Moding Schematics
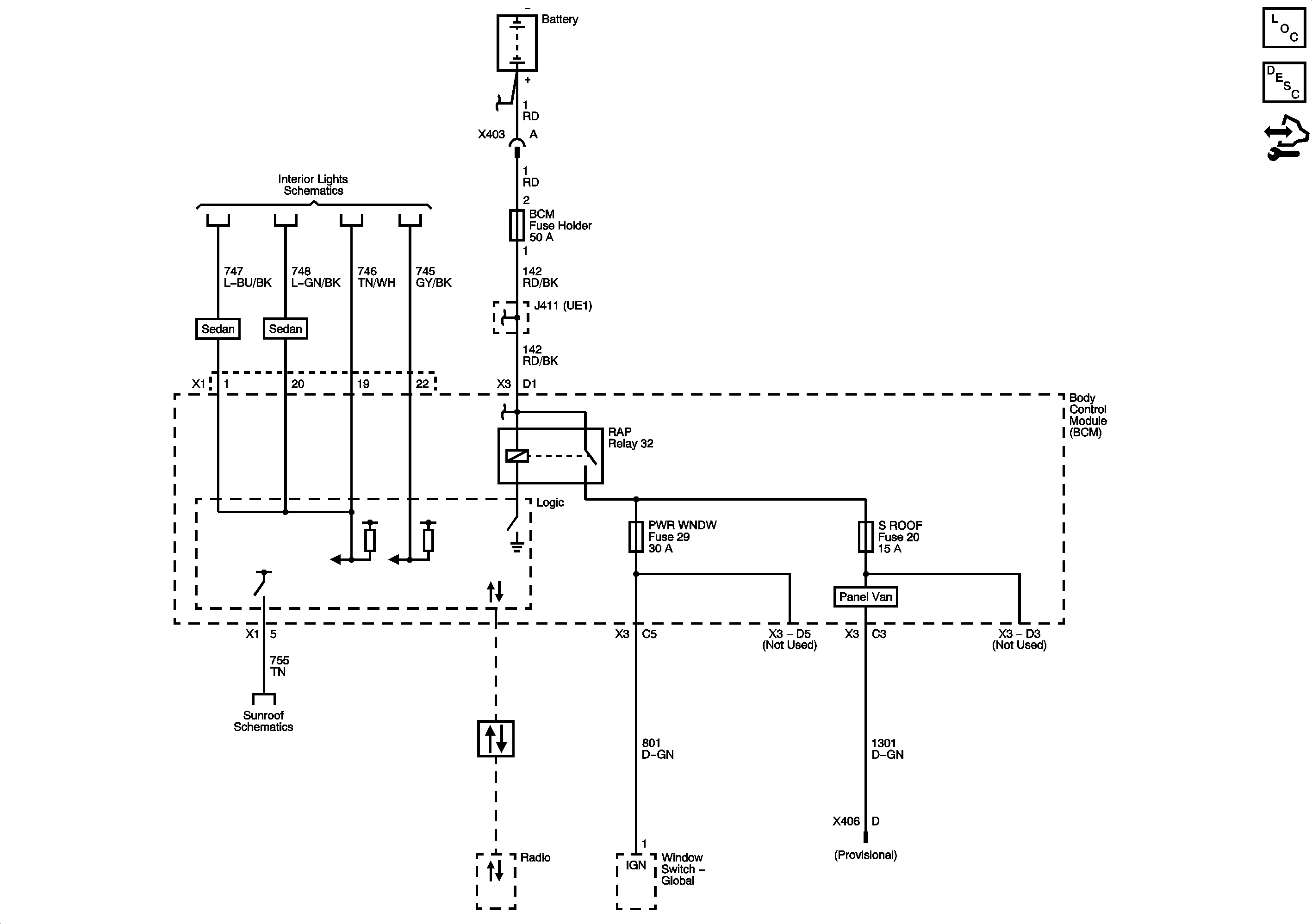
Retained Accessory Power (RAP)
Master Electrical Component List
Power Mode Description and Operation
Control Module References