GM Service Manual Online
For 1990-2009 cars only

Removal Procedure


    Object Number: 2035304  Size: SH
  1. Relieve the high side fuel system pressure. Refer to Fuel Pressure Relief.
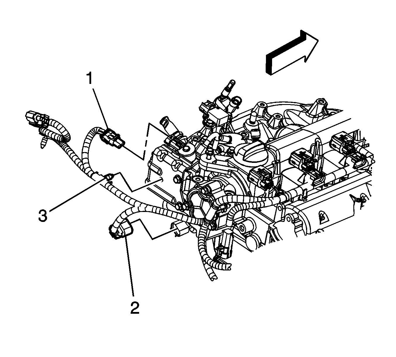
  2. Disconnect the engine wiring harness electrical connector (1) from the fuel injector wiring harness electrical connector.
  3. Remove the intake manifold. Refer to Intake Manifold Replacement.

  4. Object Number: 1769947  Size: SH
  5. Remove the fuel injector insulator.

  6. Object Number: 1826282  Size: SH
  7. Disconnect the engine wiring harness electrical connector (1) from the high pressure fuel pump.
  8. Remove the intermediate fuel pipe. Refer to Fuel Feed Intermediate Pipe Replacement.

  9. Object Number: 1829953  Size: SH
  10. Disconnect the fuel injector wiring harness electrical connectors from the fuel injectors.
  11. Remove the fuel rail bolts (1).
  12. Note: Carefully remove the fuel rail. The fuel injectors may come out of the cylinder head with the fuel rail.

  13. Carefully remove the fuel rail (2).
  14. If the fuel injectors have been removed with the fuel rail, reinstall the injectors. Refer to Direct Fuel Injector Replacement.

  15. Object Number: 1829979  Size: SH
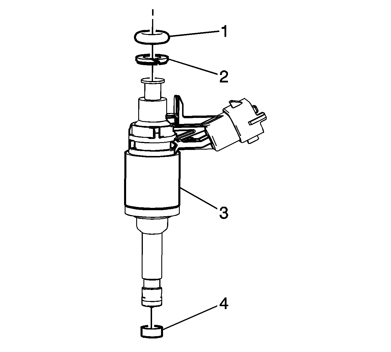
  16. Remove and discard the fuel injector upper O-ring seal (1).
  17. Inspect the plastic spacer (2) for damage, remove if damaged.

  18. Object Number: 1829977  Size: SH

    Note: Applying force to the plastic housing of the sensor will destroy the sensor. To tighten or loosen, only apply force to the attached hexagon.

  19. If replacing the fuel rail, remove the fuel injection fuel rail fuel pressure sensor.
  20. Remove the fuel injector wiring harness.

Installation Procedure


    Object Number: 1829977  Size: SH
  1. If the fuel rail was replaced, Lubricate the threads and sealing cone of the NEW fuel rail with silicon free engine oil GM P/N 12345610 (Canadian P/N 993193) or equivalent.
  2. Lubricate the threads and sealing cone of the sensor with silicon free engine oil GM P/N 12345610 (Canadian P/N 993193) or equivalent.
  3. Note: Applying force to the plastic housing of the sensor will destroy the sensor. To tighten or loosen, only apply force to the attached hexagon.

    Caution: Refer to Fastener Caution in the Preface section.

  4. Install the fuel injection fuel rail fuel pressure sensor.
  5. Tighten
    Tighten the sensor to 33 N·m (25 lb ft).

  6. Install the fuel injector wiring harness.

  7. Object Number: 1829979  Size: SH
  8. Install a NEW plastic spacer (2) if the old one was damaged.
  9. Lubricate a NEW fuel injector upper O-ring seal (1) with silicon free engine oil GM P/N 12345610 (Canadian P/N 993193) or equivalent.
  10. Install the NEW fuel injector upper O-ring seal (1).

  11. Object Number: 1829953  Size: SH
  12. Place the fuel rail (2) into position.
  13. Install the 2 outer fuel rail bolts (1) first hand tight, and then install the remaining 2 bolts, hand tight.
  14. Connect the fuel injector wiring harness electrical connectors to the fuel injectors.

  15. Object Number: 1769965  Size: SH
  16. Tighten the fuel rail bolts in the sequence shown.
  17. Tighten

        • Tighten the bolts a first pass to 22 N·m (16 lb ft).
        • Tighten the bolts a final pass to 22 N·m (16 lb ft).
  18. Install the intermediate fuel pipe. Refer to Fuel Feed Intermediate Pipe Replacement.

  19. Object Number: 1826282  Size: SH
  20. Connect the engine wiring harness electrical connector (1) to the high pressure fuel pump.

  21. Object Number: 1769947  Size: SH
  22. Install the fuel injector insulator.
  23. Install the intake manifold. Refer to Intake Manifold Replacement.

  24. Object Number: 1826857  Size: SH
  25. Connect the engine wiring harness electrical connector (1) to the fuel injector wiring harness electrical connector.
  26. Inspect for leaks using the following procedure:
  27. 17.1. Turn ON the ignition, with the engine OFF for 2 seconds.
    17.2. Turn OFF the ignition, for 10 seconds.
    17.3. Turn ON the ignition, with the engine OFF.
    17.4. Inspect for fuel leaks.
  28. Install the low side fuel pressure service port cap.
  29. Tighten the fuel fill cap.
  30. Install the air cleaner assembly. Refer to Air Cleaner Assembly Replacement.