GM Service Manual Online
For 1990-2009 cars only
Makes
🢒
Chevrolet
🢒
2009
🢒
HHR
🢒
Diagnostic Navigation
🢒
Vehicle Diagnostic Information
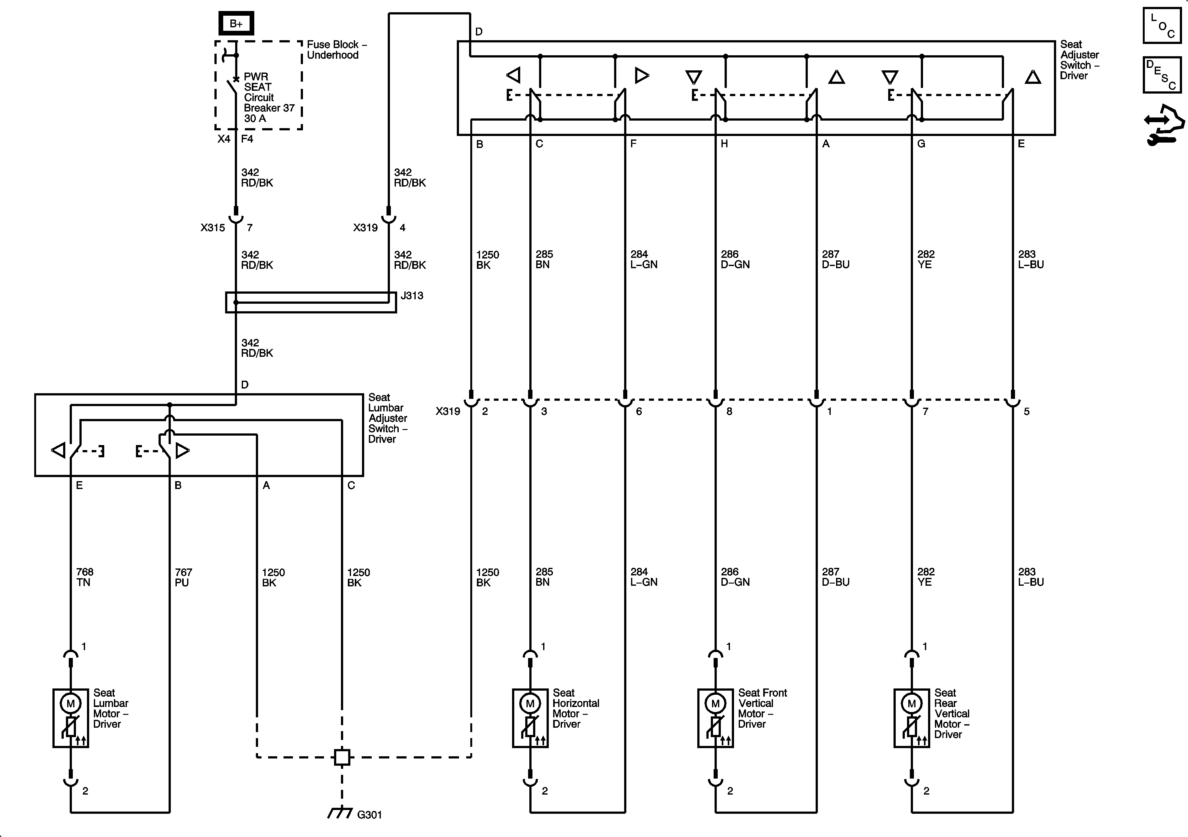
🢒 Driver Seat Schematics
Power/Lumbar Driver Seat
Master Electrical Component List
Power Seats System Description and Operation
Control Module References