GM Service Manual Online
For 1990-2009 cars only
Makes
🢒
Chevrolet
🢒
2009
🢒
HHR
🢒
Diagnostic Navigation
🢒
Vehicle Diagnostic Information
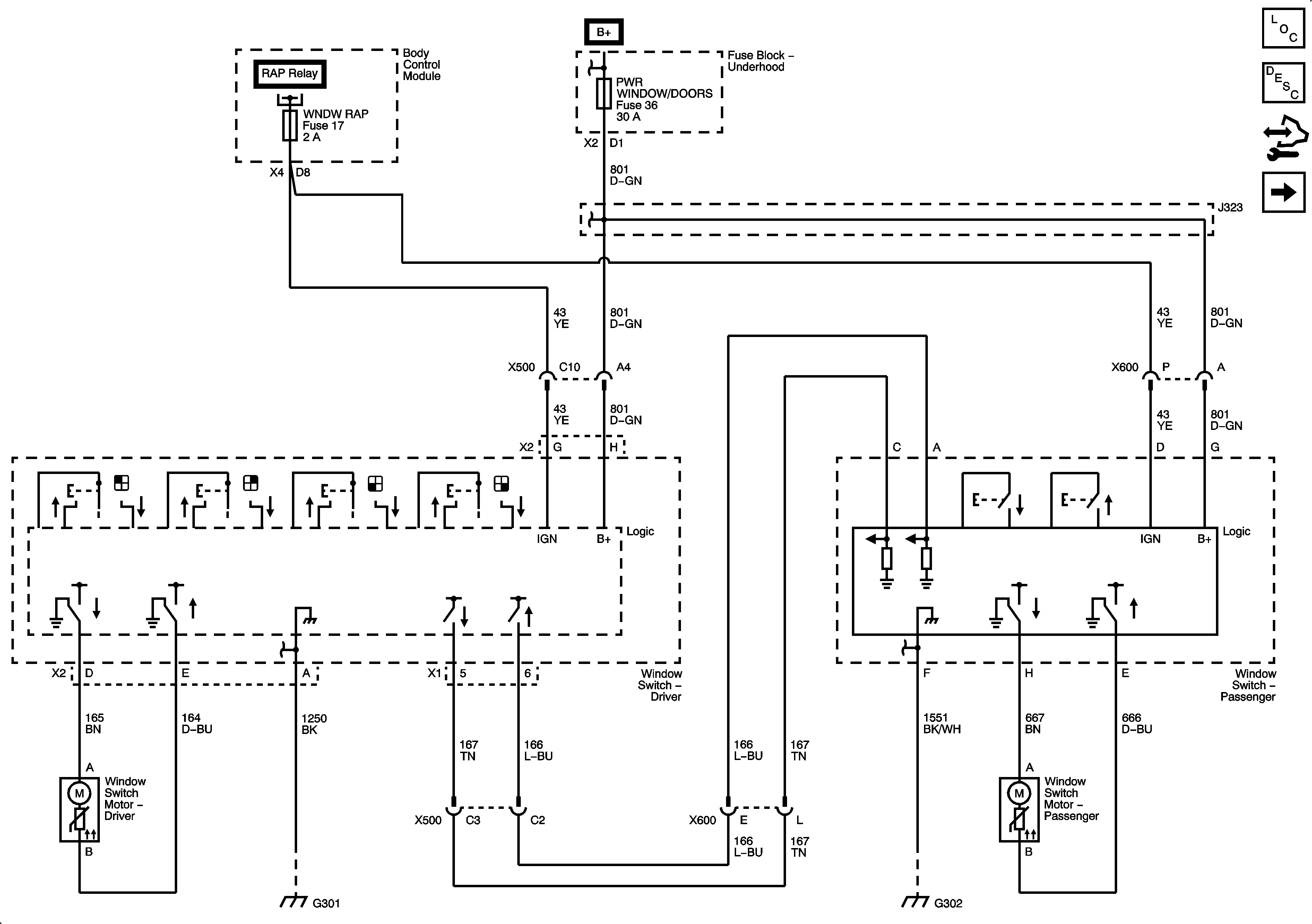
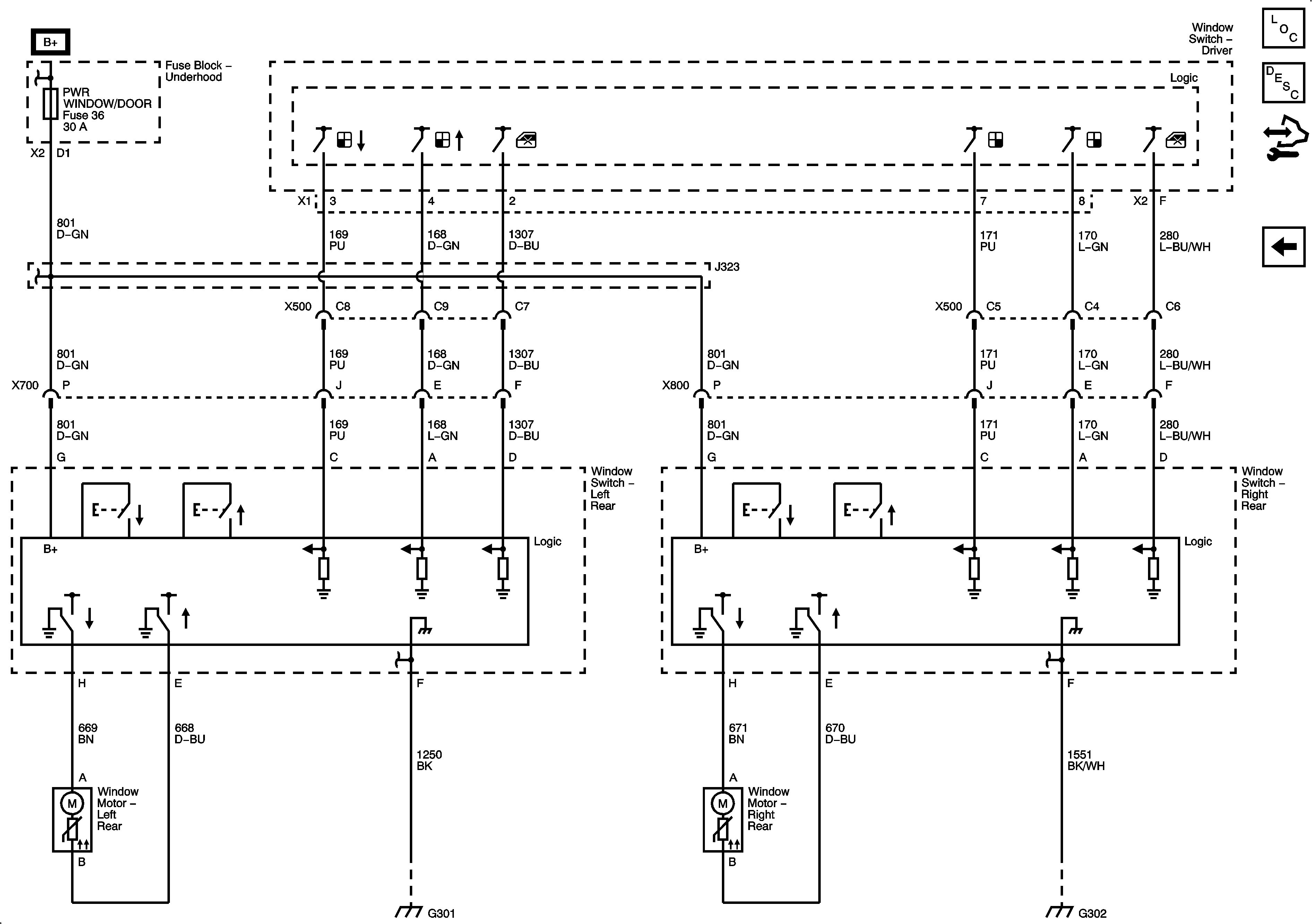
🢒 Moveable Window Schematics
Figure
1:
Front
Rear
Figure
2:
Rear
Front