GM Service Manual Online
For 1990-2009 cars only
Figure 1:

Data Link, Ground, MIL, and Power


Object Number: 2085420  Size: FS
Master Electrical Component List
Engine Control Module Description
Control Module References
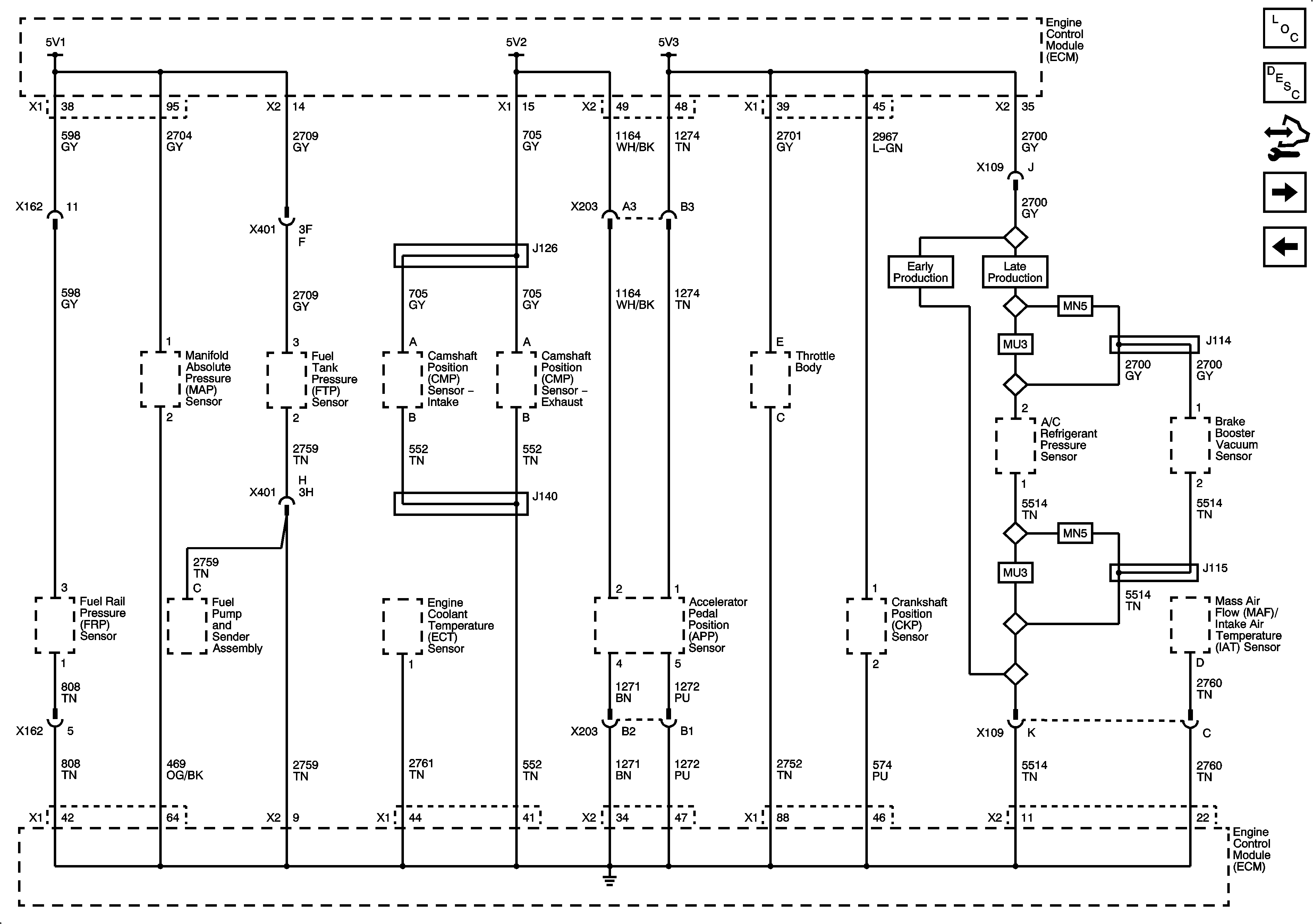
Engine Data Sensors 5-Volt and Low Reference
Figure 2:

Engine Data Sensors - 5-Volt and Low Reference


Object Number: 2085422  Size: FS
Master Electrical Component List
Engine Control Module Description
Control Module References
Engine Data Sensors - Pressure, Temp, and MAF/IAT
Data Link, Ground, MIL, and Power
Figure 3:

Engine Data Sensors - Pressure, Temperature and MAF/IAT


Object Number: 2085423  Size: FS
Master Electrical Component List
Engine Control Module Description
Control Module References
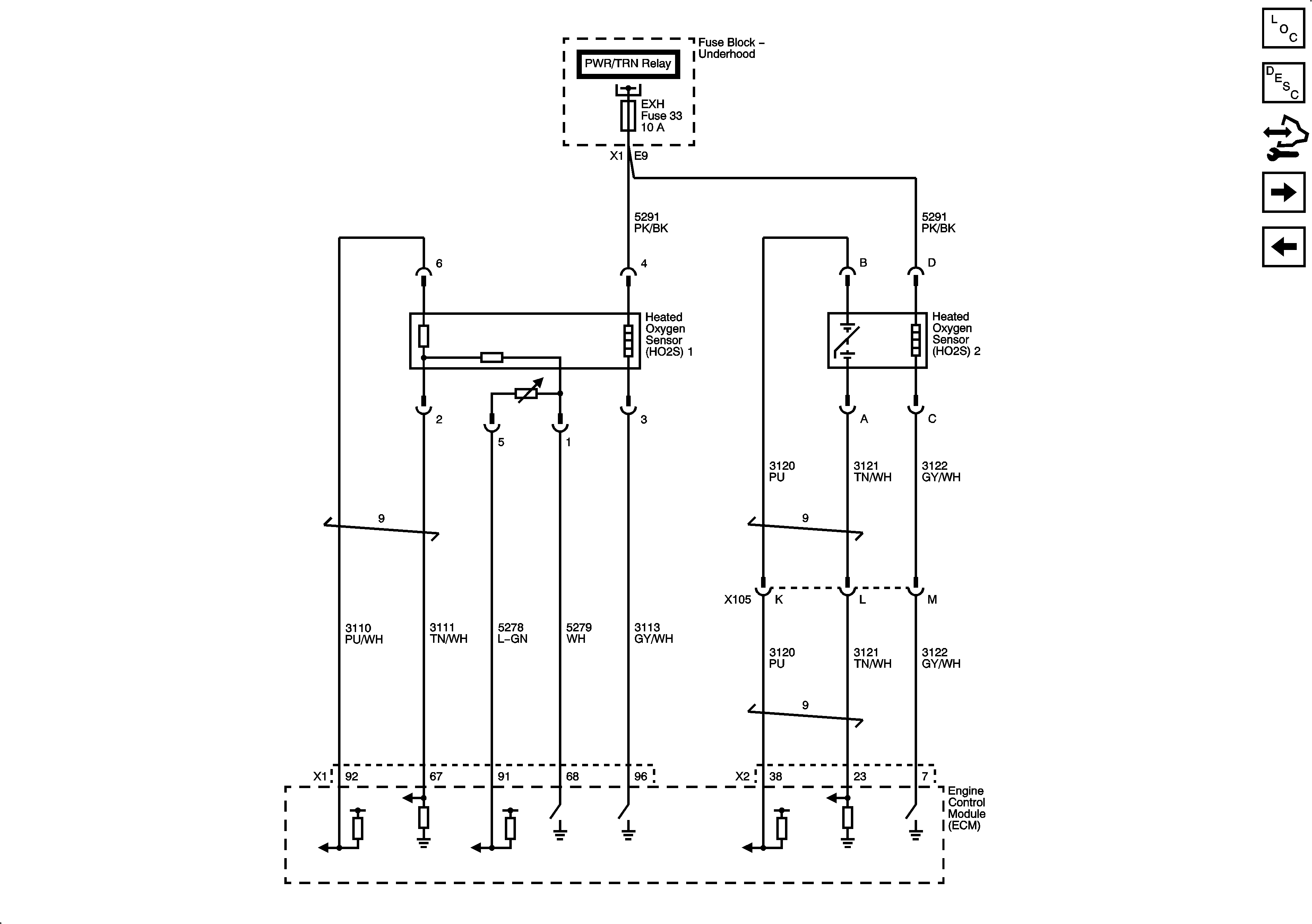
Engine Data Sensors, Oxygen Sensors
Engine Data Sensors 5-Volt and Low Reference
Figure 4:

Engine Data Sensors - Oxygen Sensors


Object Number: 2085424  Size: FS
Master Electrical Component List
Engine Control Module Description
Control Module References
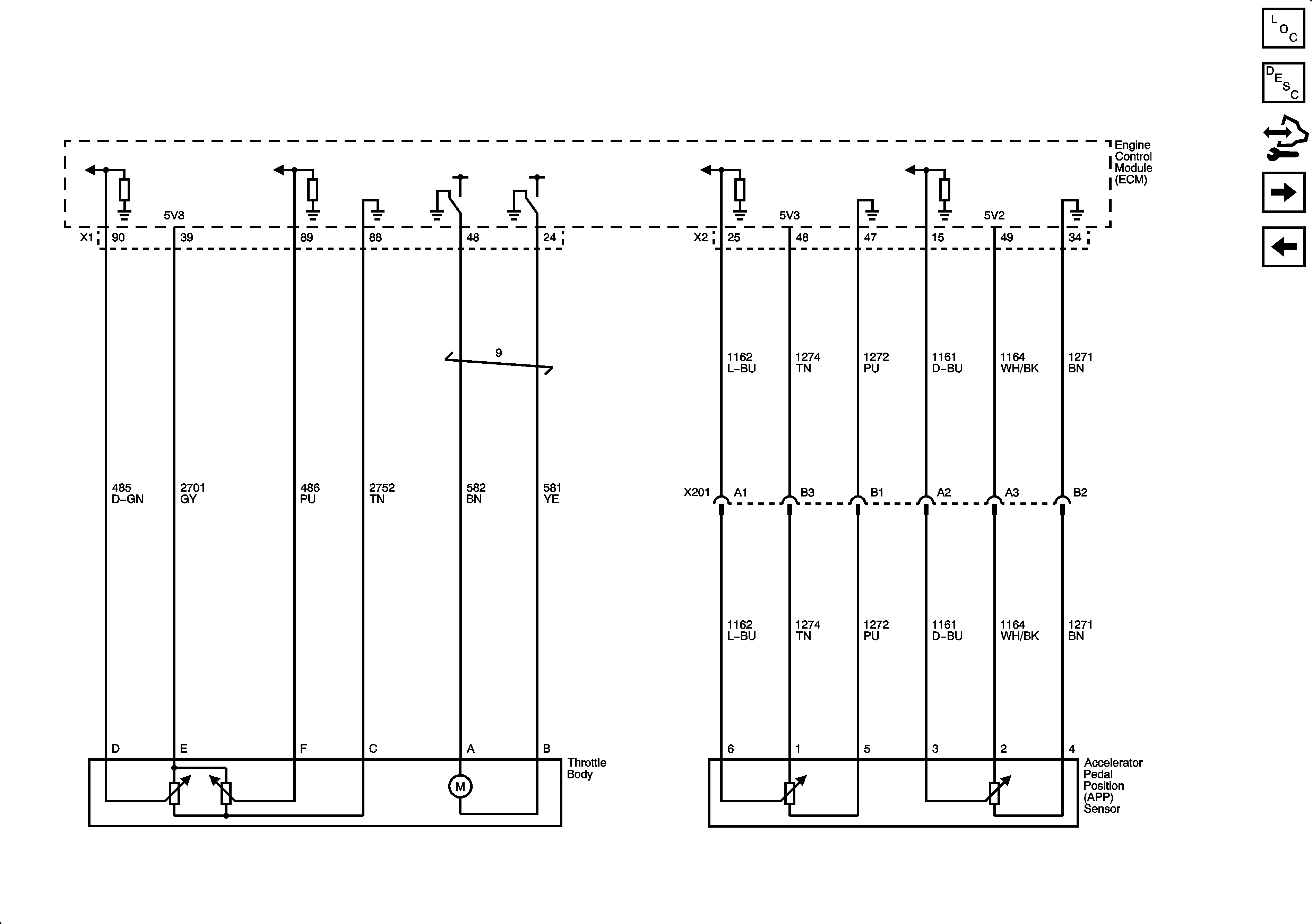
Engine Data Sensors - APP and TAC
Engine Data Sensors - Pressure, Temp, and MAF/IAT
Figure 5:

Engine Data Sensors - APP and TAC


Object Number: 2085427  Size: FS
Master Electrical Component List
Engine Control Module Description
Control Module References
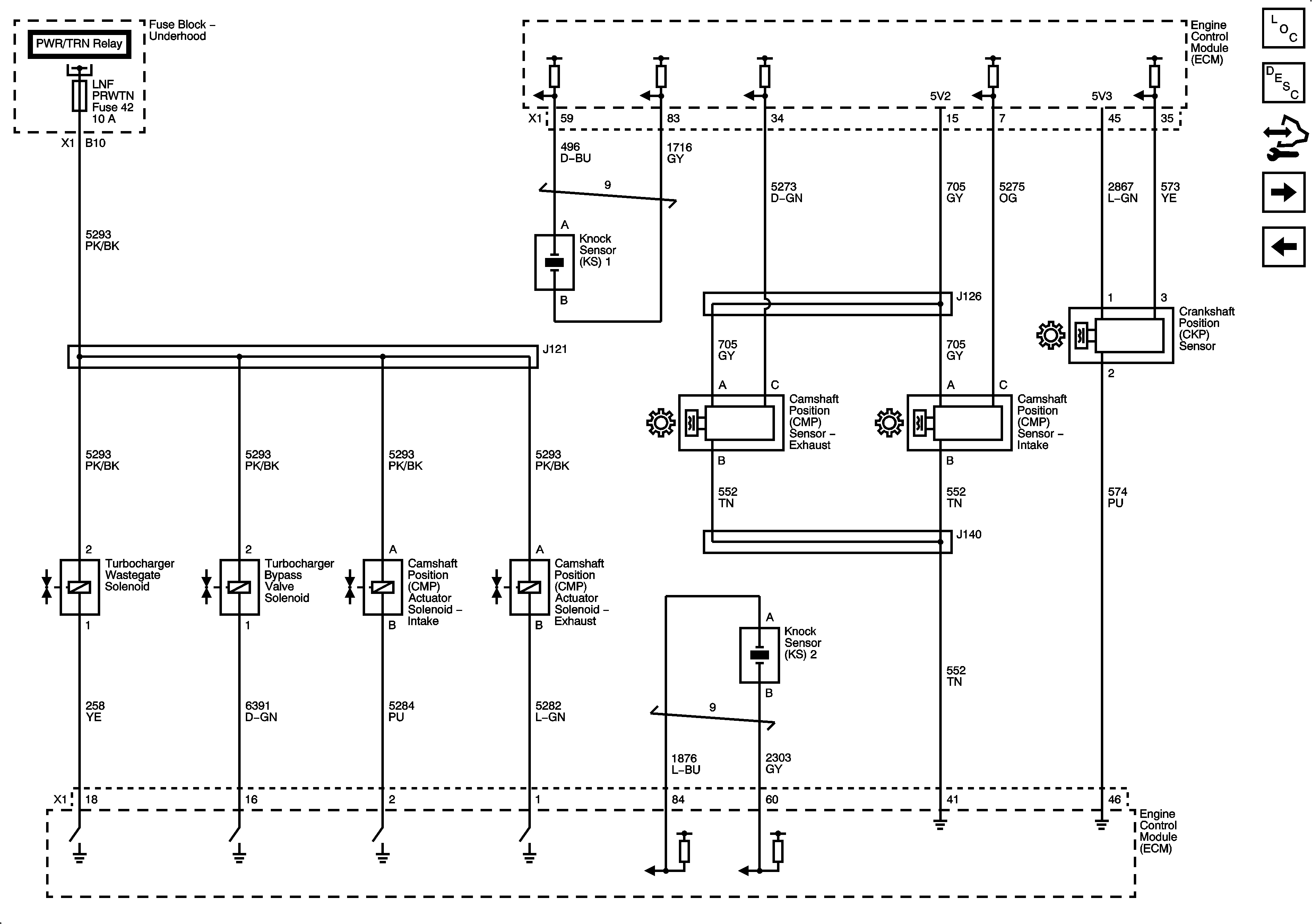
Ignition Controls - Sensors
Engine Data Sensors, Oxygen Sensors
Figure 6:

Ignition Controls - Sensors


Object Number: 2085429  Size: FS
Master Electrical Component List
Engine Control Module Description
Control Module References
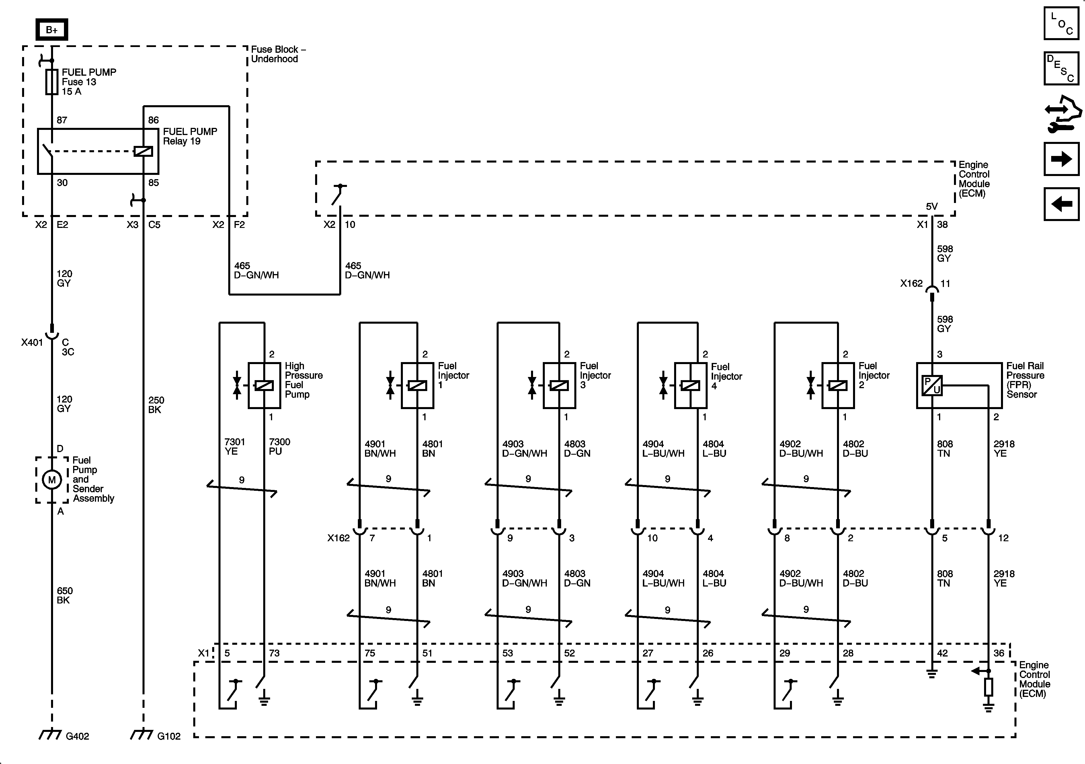
Fuel Controls - Fuel Pump Controls and Fuel Injectors
Engine Data Sensors - APP and TAC
Figure 7:

Fuel Controls - Fuel Pump Controls and Fuel Injectors


Object Number: 2085432  Size: FS
Master Electrical Component List
Engine Control Module Description
Control Module References
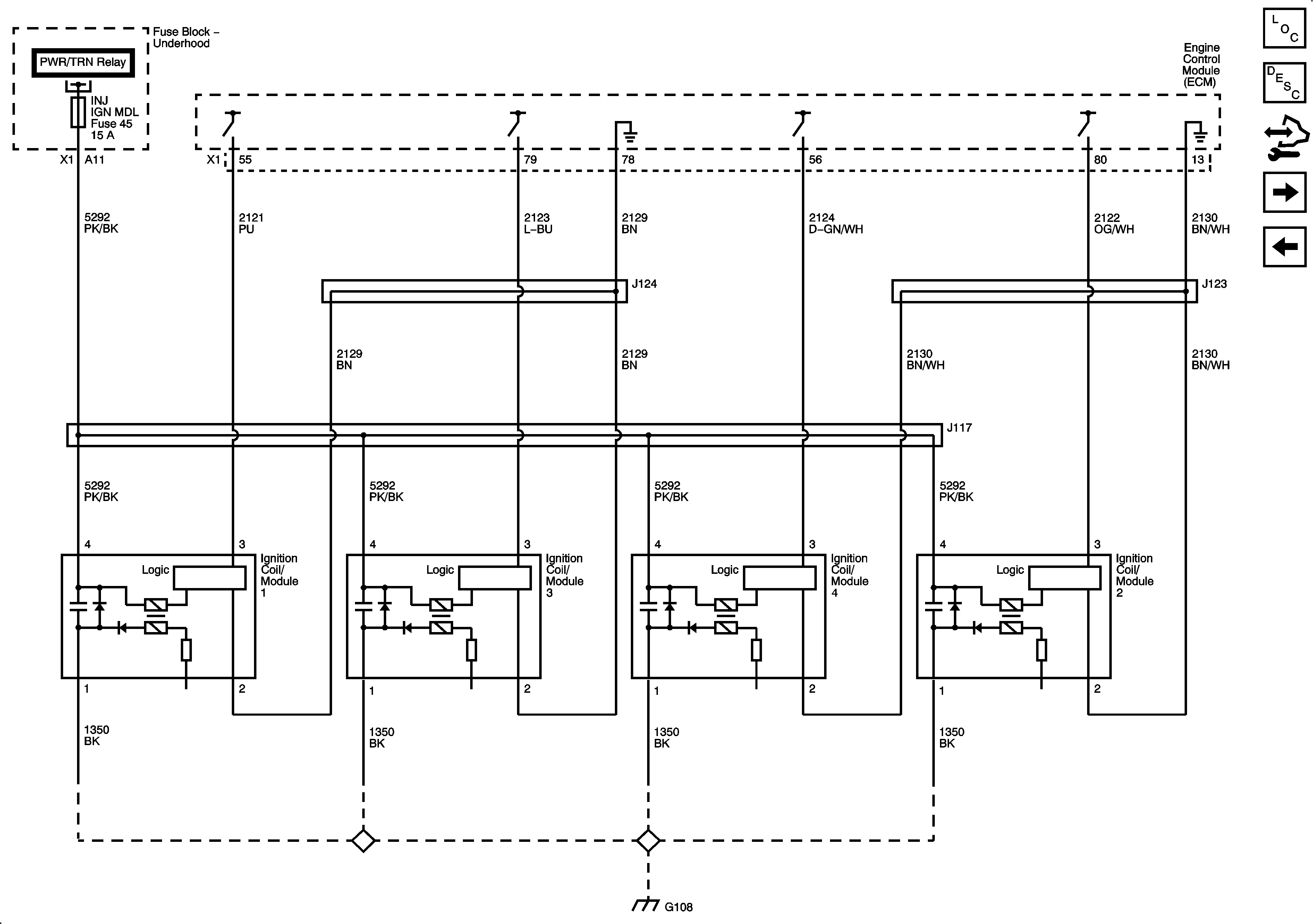
Ignition Controls - Ignition System
Ignition Controls - Sensors
Figure 8:

Ignition Controls - Ignition System


Object Number: 2085433  Size: FS
Master Electrical Component List
Engine Control Module Description
Control Module References
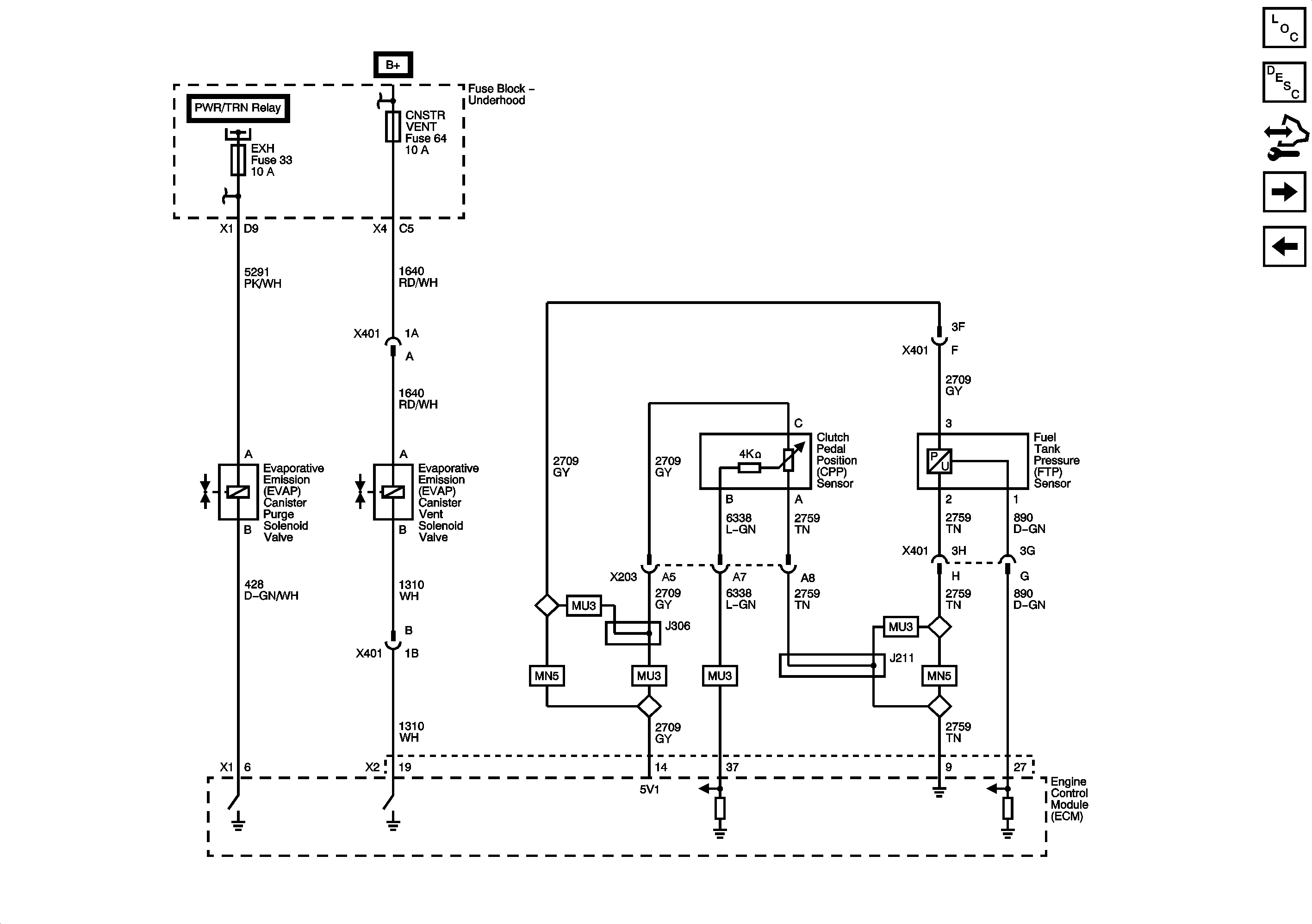
EVAP Controls
Fuel Controls - Fuel Pump Controls and Fuel Injectors
Figure 9:

Fuel Controls - EVAP Controls


Object Number: 2085435  Size: FS
Master Electrical Component List
Engine Control Module Description
Control Module References
Controlled/Monitored Subsystem References
Ignition Controls - Ignition System
Figure 10:

Controlled/Monitored Subsystem References


Object Number: 2085438  Size: FS
Master Electrical Component List
Engine Control Module Description
Control Module References
EVAP Controls