GM Service Manual Online
For 1990-2009 cars only
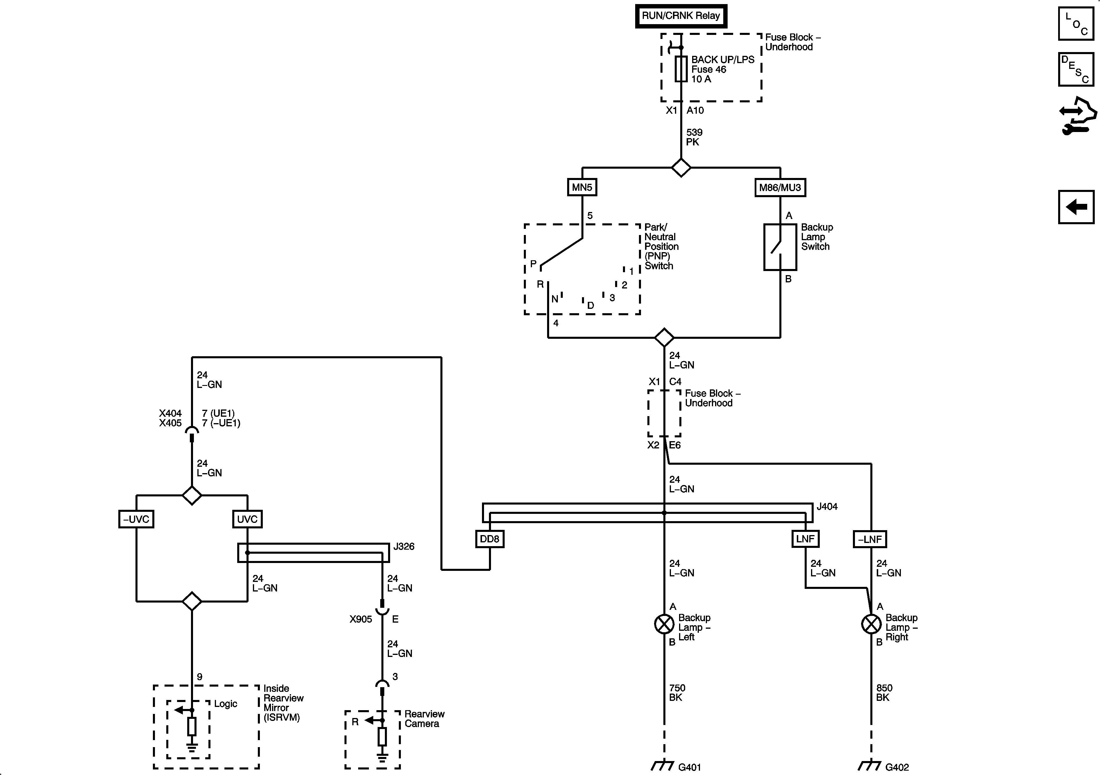
Figure 1:

Backup Lamps


Object Number: 2085292  Size: FS
Master Electrical Component List
Exterior Lighting Systems Description and Operation
Control Module References
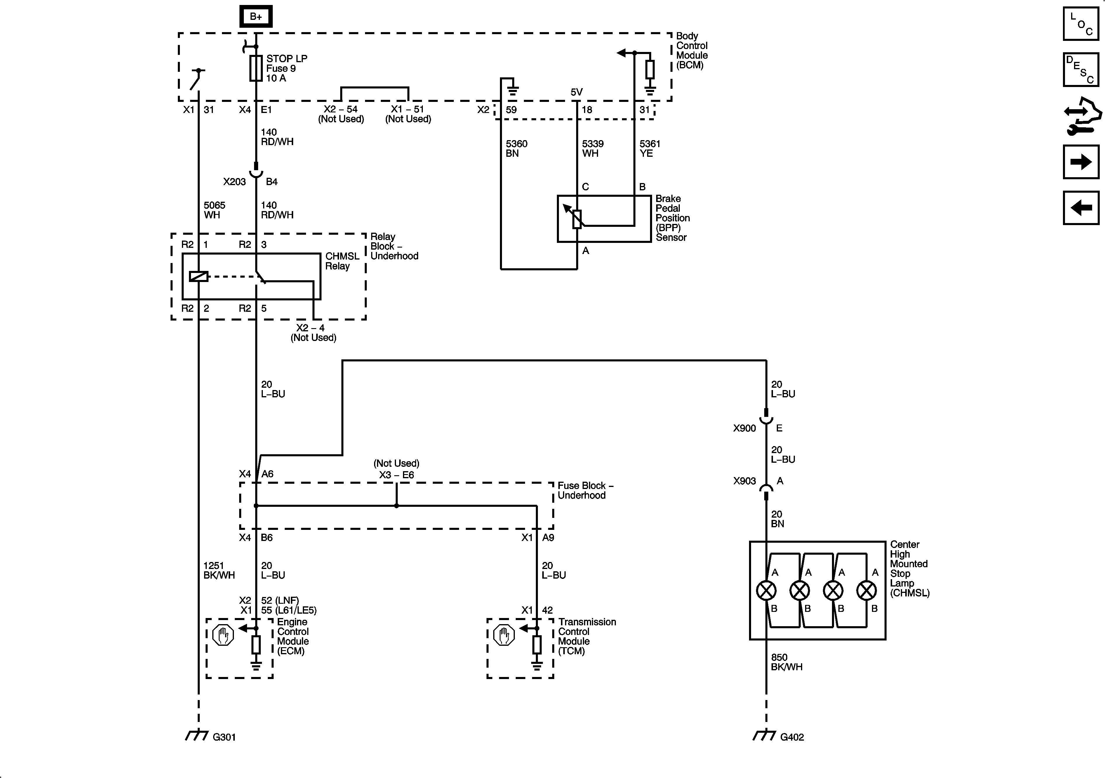
Center High Mounted Stop Lamp, B+
Figure 2:

Center High Mounted Stop Lamp, B+


Object Number: 2085290  Size: FS
Master Electrical Component List
Exterior Lighting Systems Description and Operation
Control Module References
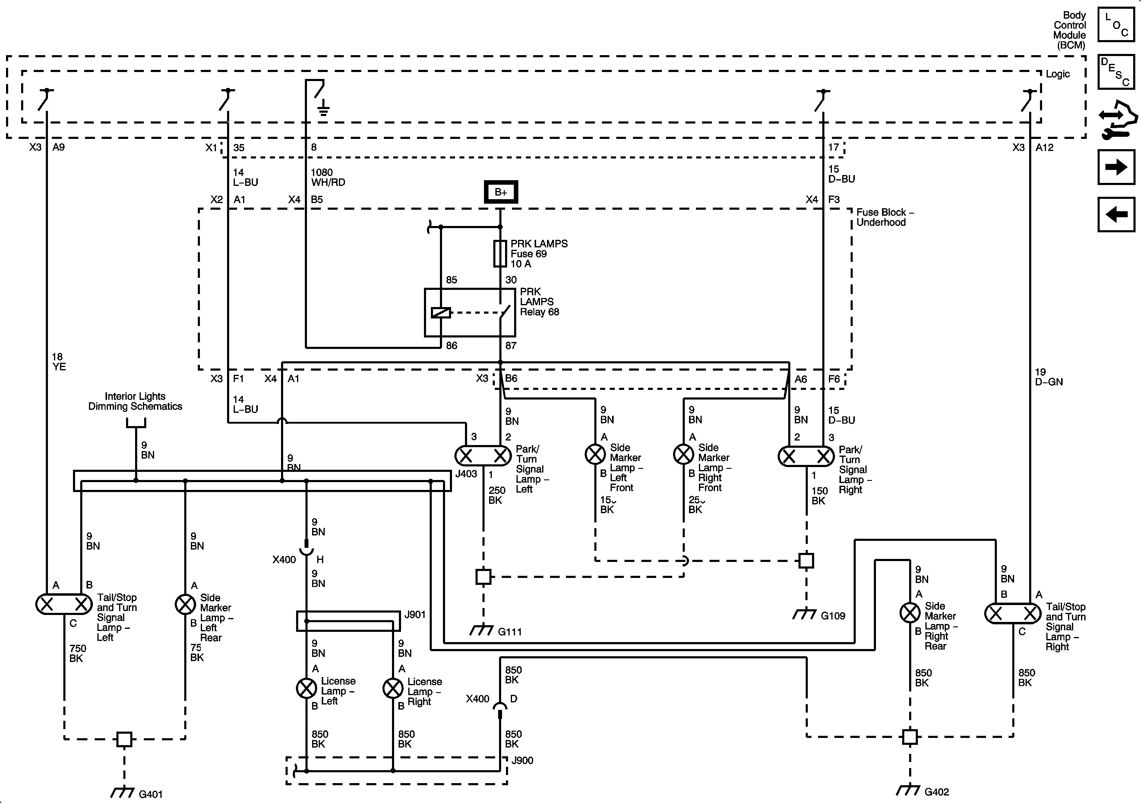
Park/Turn Signal/DRL, License and Side Marker Lamps
Backup Lamps
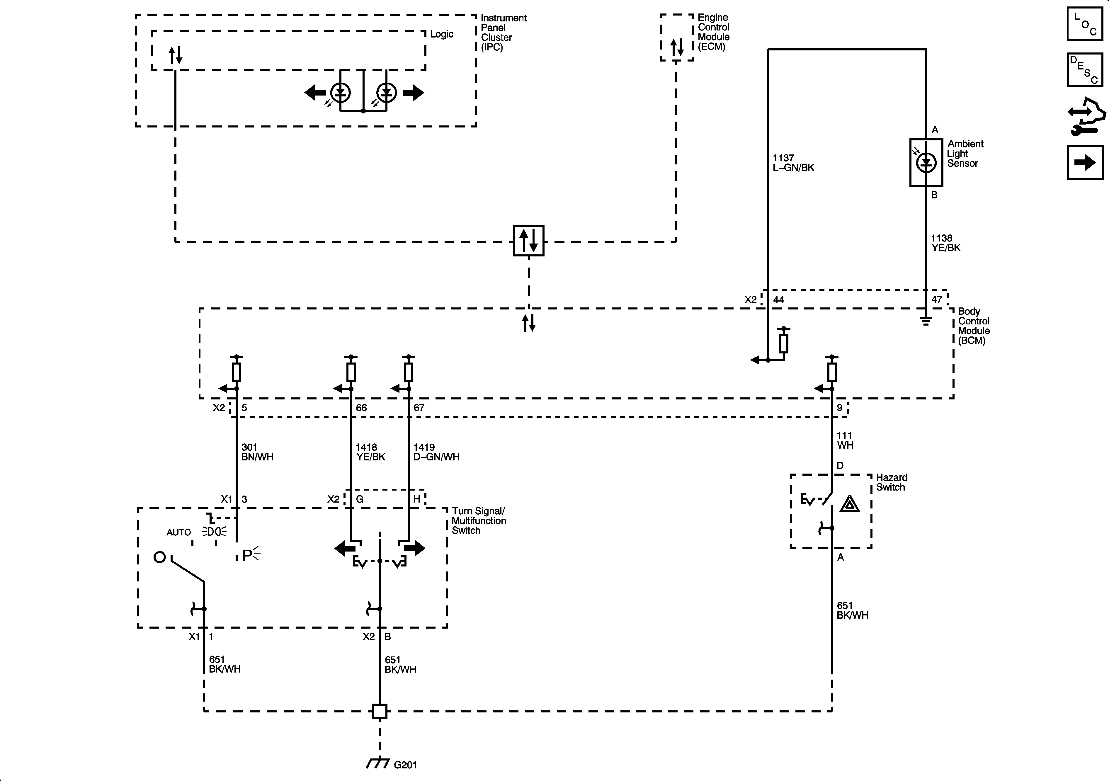
Figure 3:

Inputs


Object Number: 2085283  Size: FS
Master Electrical Component List
Exterior Lighting Systems Description and Operation
Control Module References
Park/Turn Signal/DRL, License and Side Marker Lamps
Figure 4:

Park/Turn Signal/DRL, License and Side Marker Lamps


Object Number: 2085287  Size: FS
Master Electrical Component List
Exterior Lighting Systems Description and Operation
Control Module References
Inputs
Center High Mounted Stop Lamp, B+