GM Service Manual Online
For 1990-2009 cars only
Makes
🢒
Chevrolet
🢒
2009
🢒
HHR
🢒
Diagnostic Navigation
🢒
Vehicle Diagnostic Information
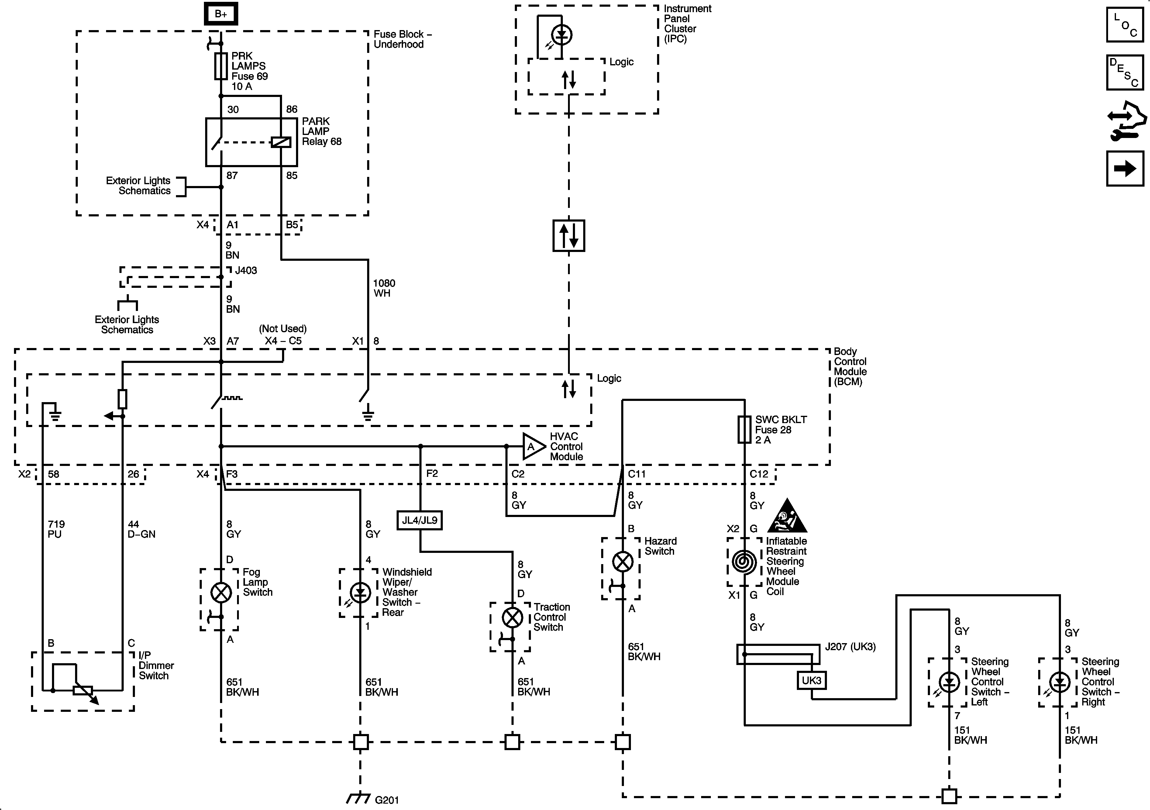
🢒 Interior Lights Dimming Schematics
Figure
1:
Steering Wheel Controls, Dimmer, Fog Lamp, Hazard, Rear Wiper/Washer and Traction Control Switches
Master Electrical Component List
Interior Lighting Systems Description and Operation
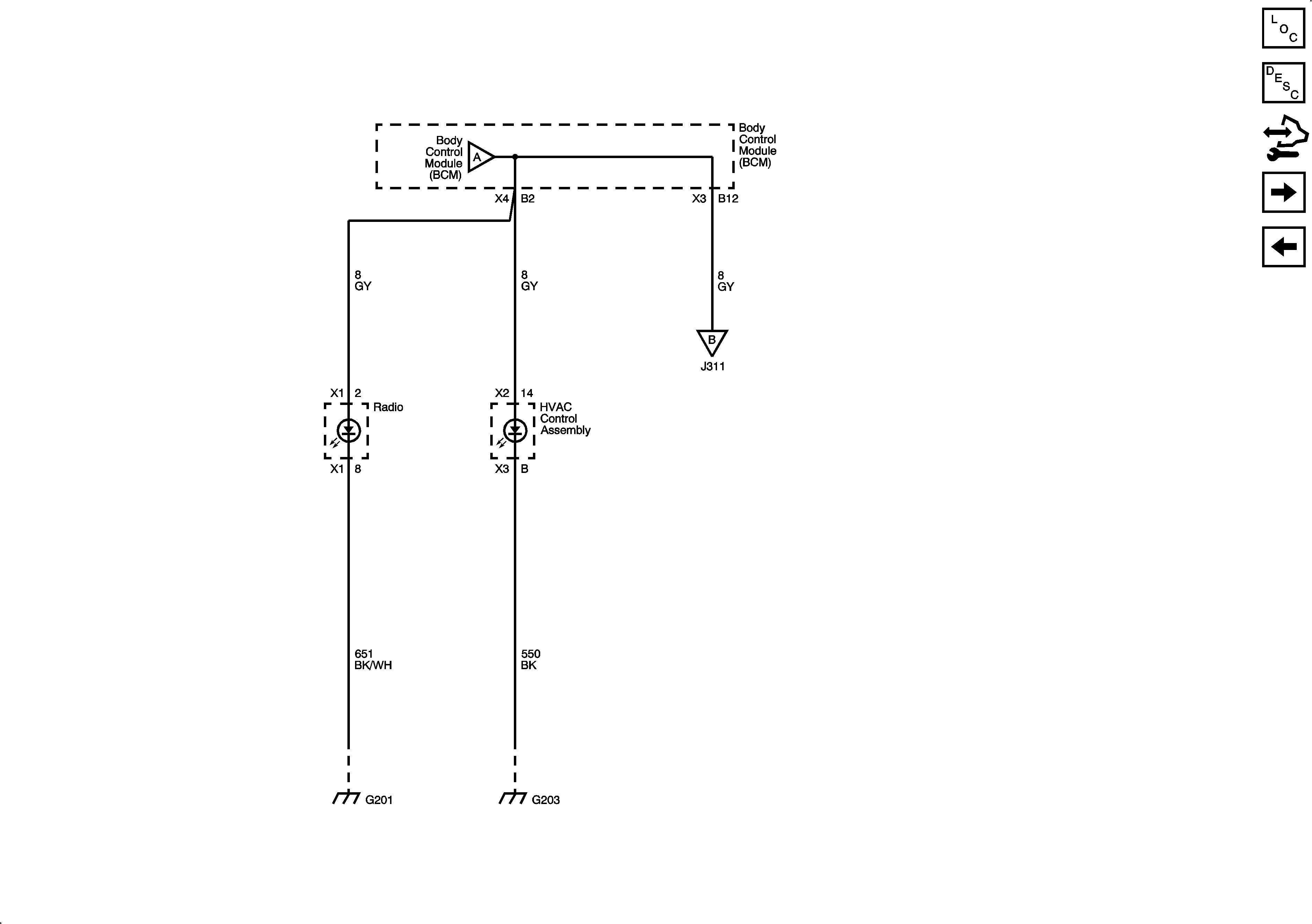
HVAC Control, Radio and Console Flood Lamp
Figure
2:
HVAC Control, Radio and Console Flood Lamp
Master Electrical Component List
Interior Lighting Systems Description and Operation
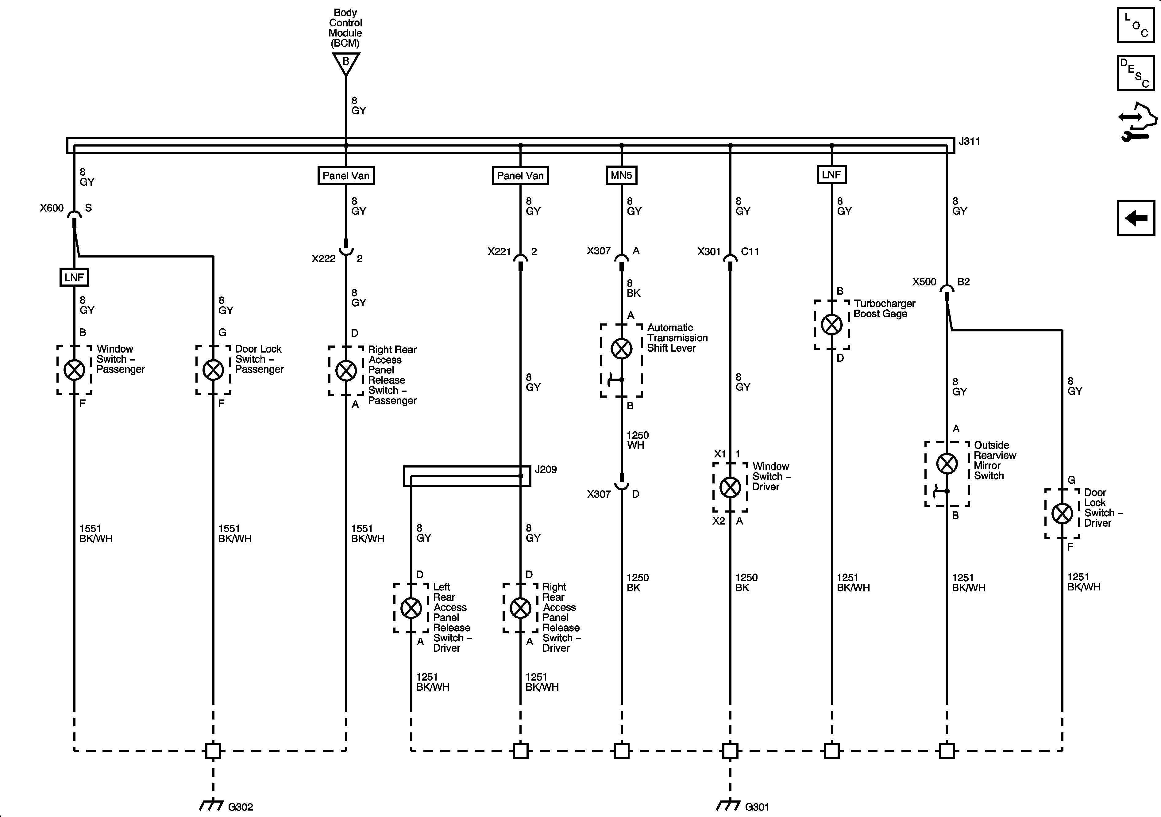
A/T Shift Lever, Boost Gage, Door Lock, Outside Rearview Mirror, Power Window, and RAP Switches
Steering Wheel Controls, Dimmer, Fog Lamp, Hazard, Rear Wiper/Washer and Traction Control Switches
Figure
3:
A/T Shift Lever, Boost Gage, Door Lock, Outside Rearview Mirror, Power Window and RAP Switches
Master Electrical Component List
Interior Lighting Systems Description and Operation
HVAC Control, Radio and Console Flood Lamp