GM Service Manual Online
For 1990-2009 cars only
Makes
🢒
Chevrolet
🢒
2009
🢒
HHR
🢒
Diagnostic Navigation
🢒
Vehicle Diagnostic Information
🢒 Power Steering Schematics
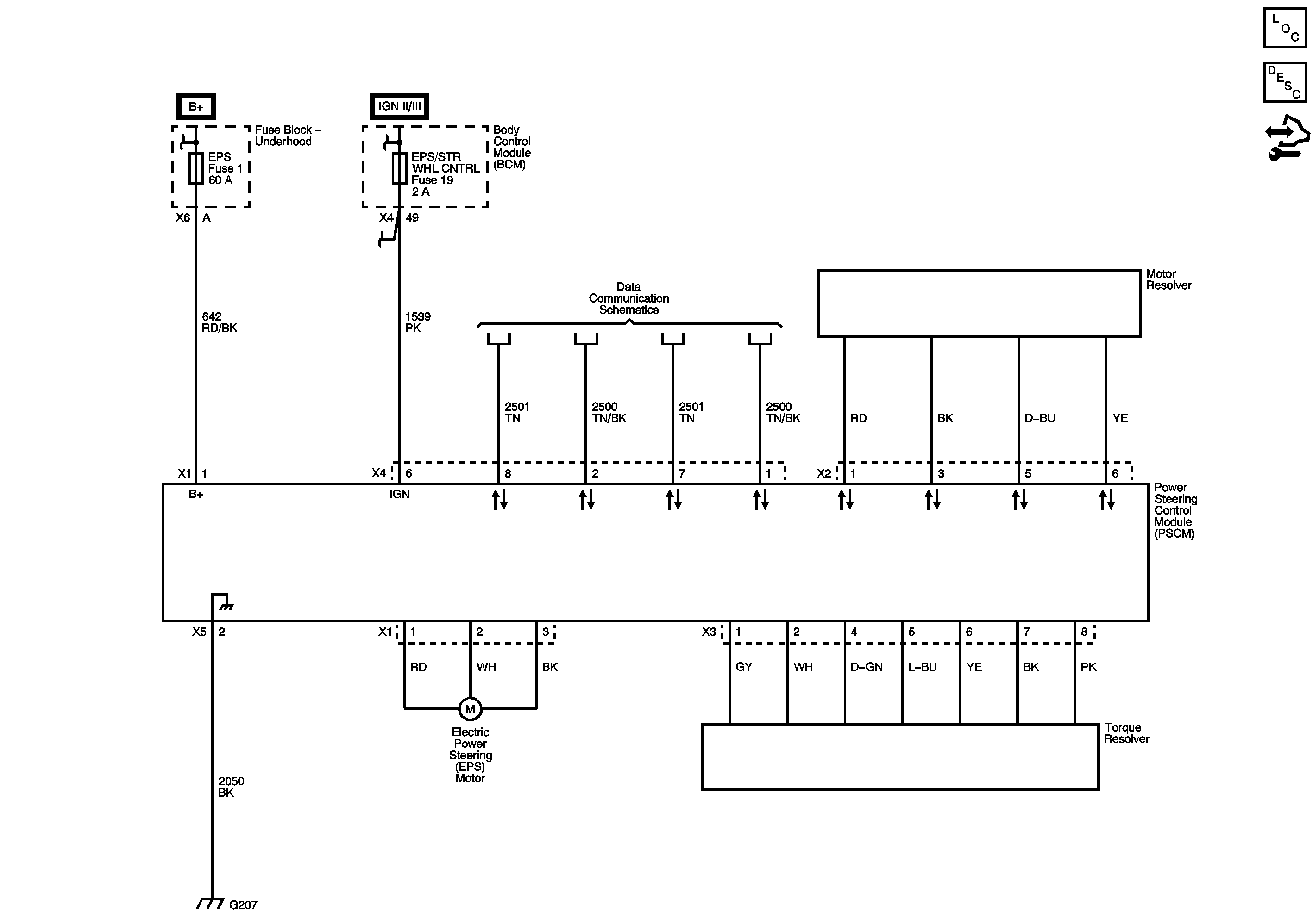
Figure
1:
LE8/LE9
Master Electrical Component List
Power Steering System Description and Operation (Non-Turbo)
Control Module References
LNF
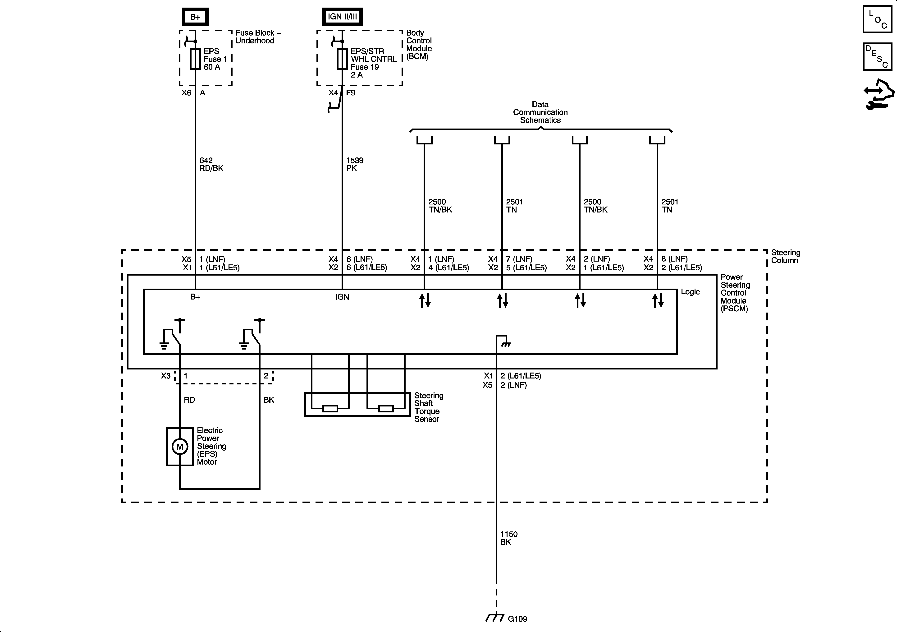
Figure
2:
LNF
Master Electrical Component List
Power Steering System Description and Operation (Turbo)
Control Module References
Power Steering Schematics (L61/LE5)