GM Service Manual Online
For 1990-2009 cars only
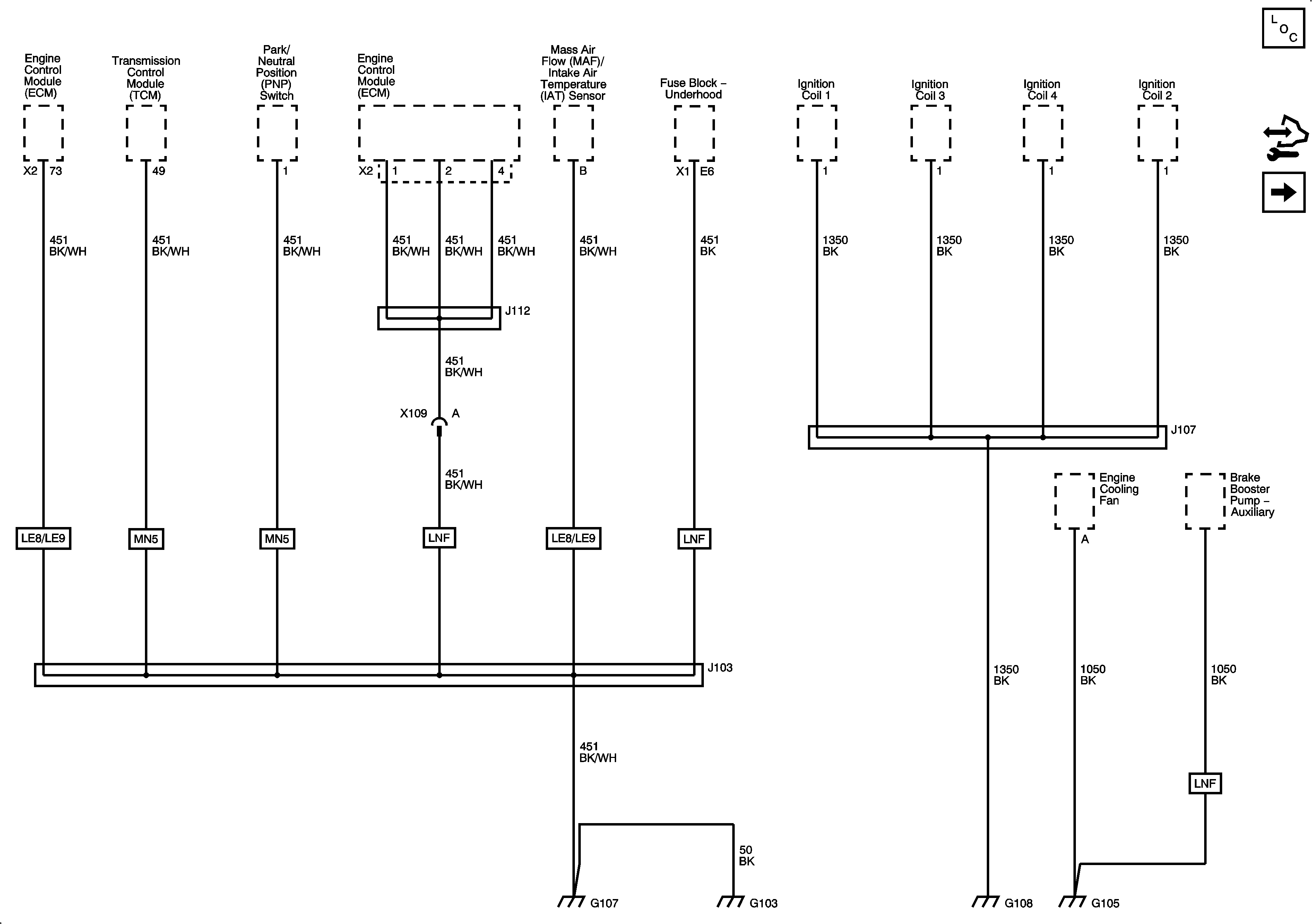
Figure 1:

G103, G105, G107 and G108


Object Number: 2085396  Size: FS
Master Electrical Component List
Control Module References
G109
Figure 2:

G109


Object Number: 2085398  Size: FS
Master Electrical Component List
Control Module References
G103, G105, G107, G108
G111
Figure 3:

G111


Object Number: 2085400  Size: FS
Master Electrical Component List
Control Module References
G109
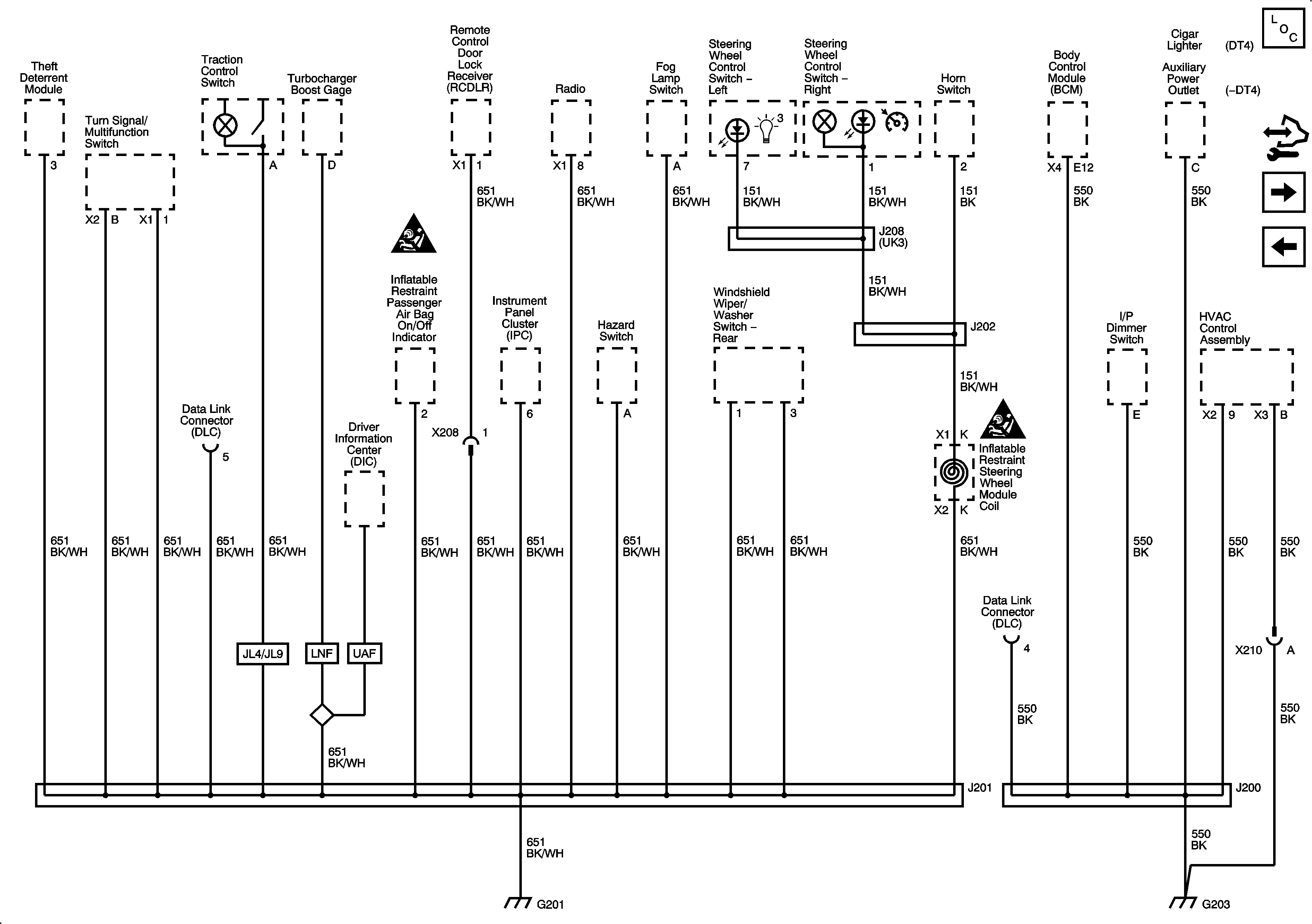
G201, G203
Figure 4:

G201 and G203


Object Number: 2085401  Size: FS
Master Electrical Component List
Control Module References
G111
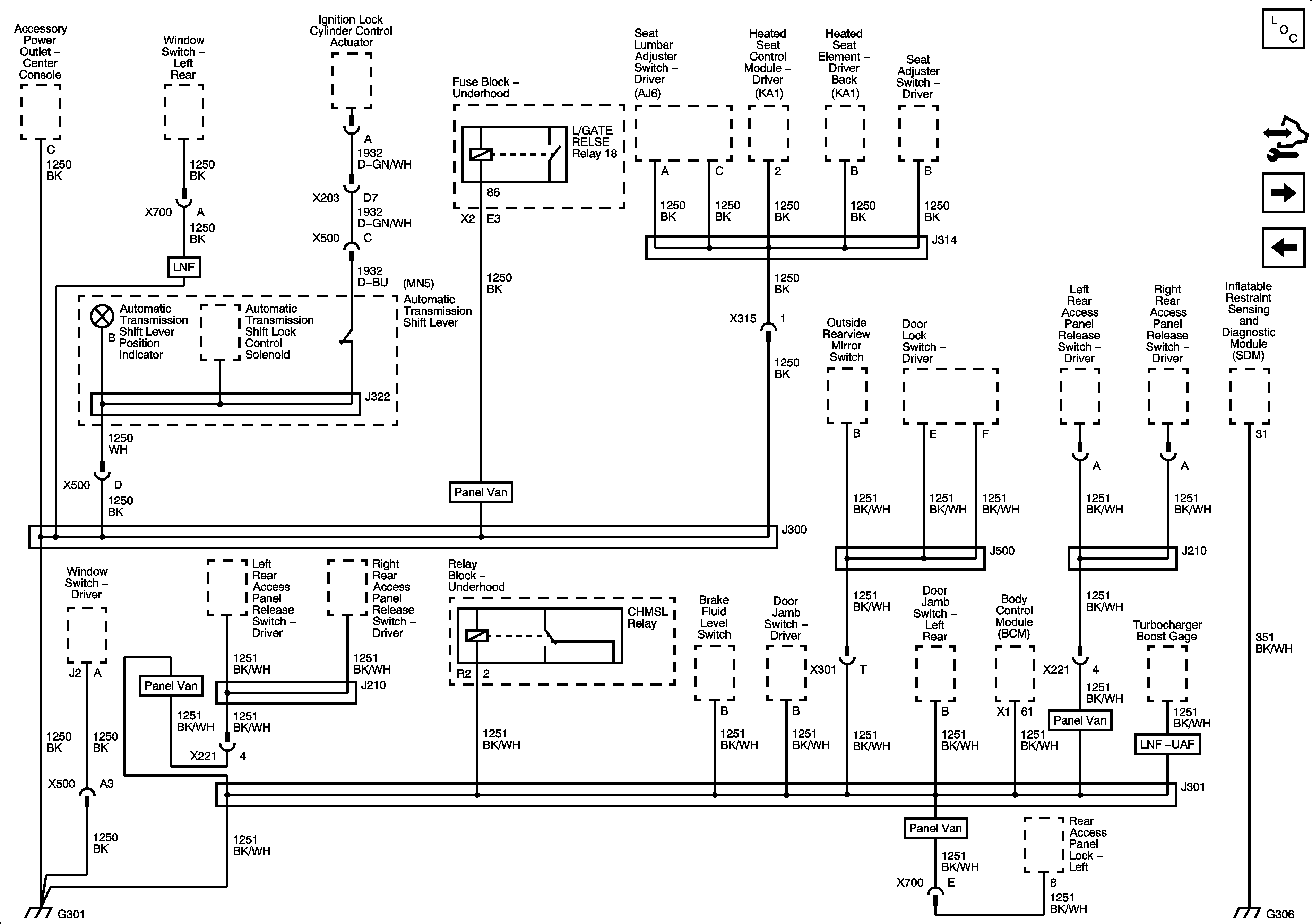
G301, G306
Figure 5:

G301 and G306


Object Number: 2085405  Size: FS
Master Electrical Component List
Control Module References
G201, G203
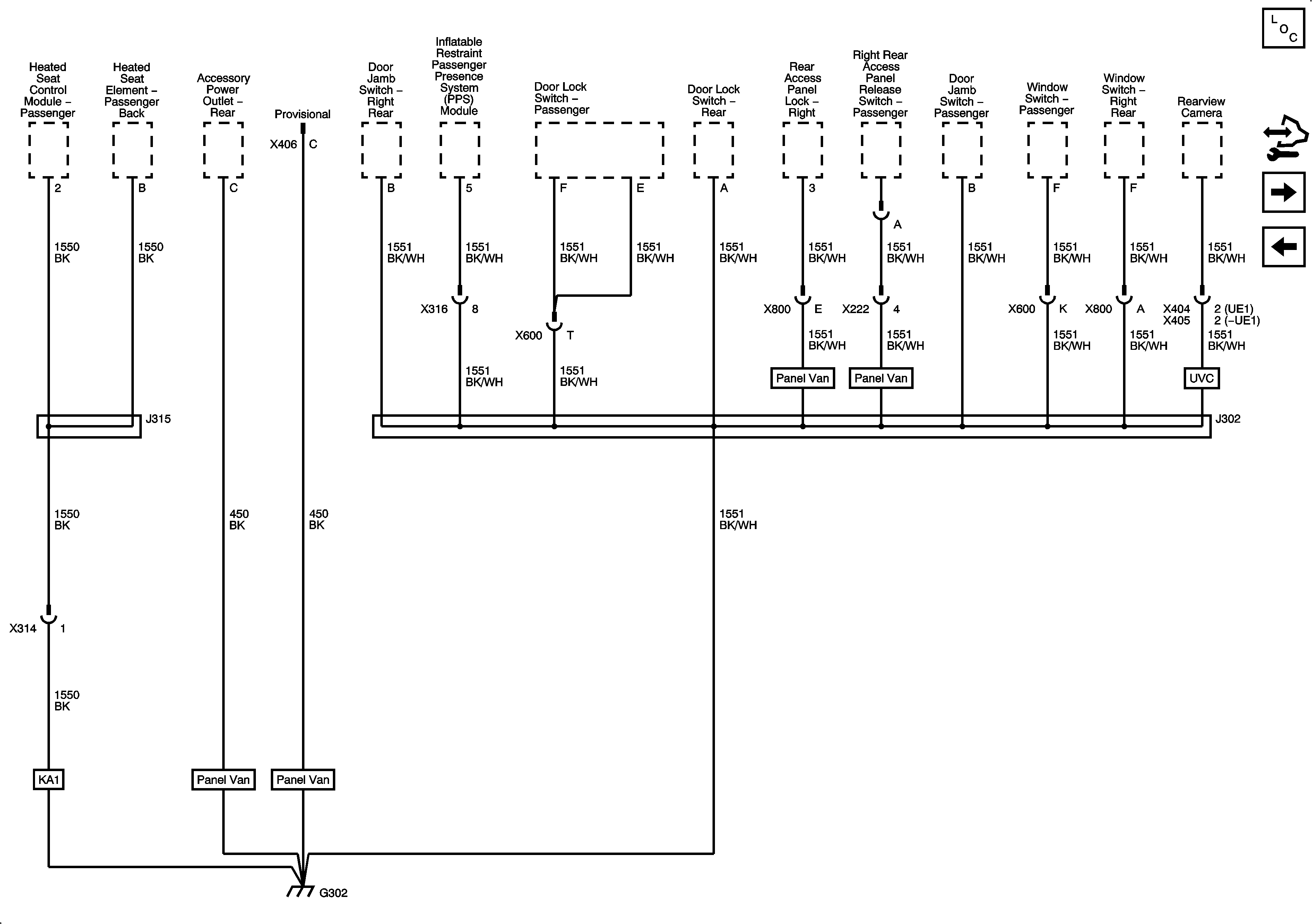
G302
Figure 6:

G302


Object Number: 2085406  Size: FS
Master Electrical Component List
Control Module References
G301, G306
G401, G403
Figure 7:

G401 and G403


Object Number: 2085408  Size: FS
Master Electrical Component List
Control Module References
G302
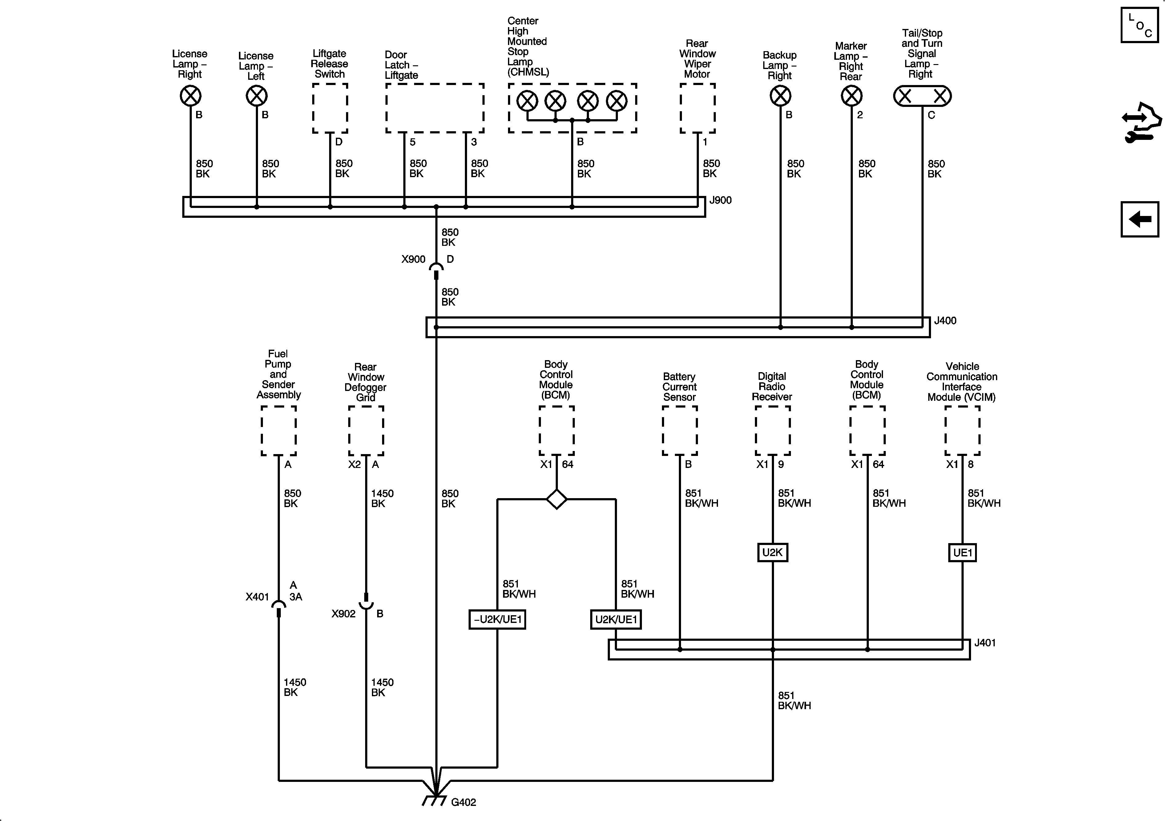
G402
Figure 8:

G402


Object Number: 2085410  Size: FS
Master Electrical Component List
Control Module References
G401, G403