GM Service Manual Online
For 1990-2009 cars only
Makes
🢒
Chevrolet
🢒
2009
🢒
HHR
🢒
Driver Information and Entertainment
🢒
Displays and Gages
🢒 Instrument Cluster Schematics
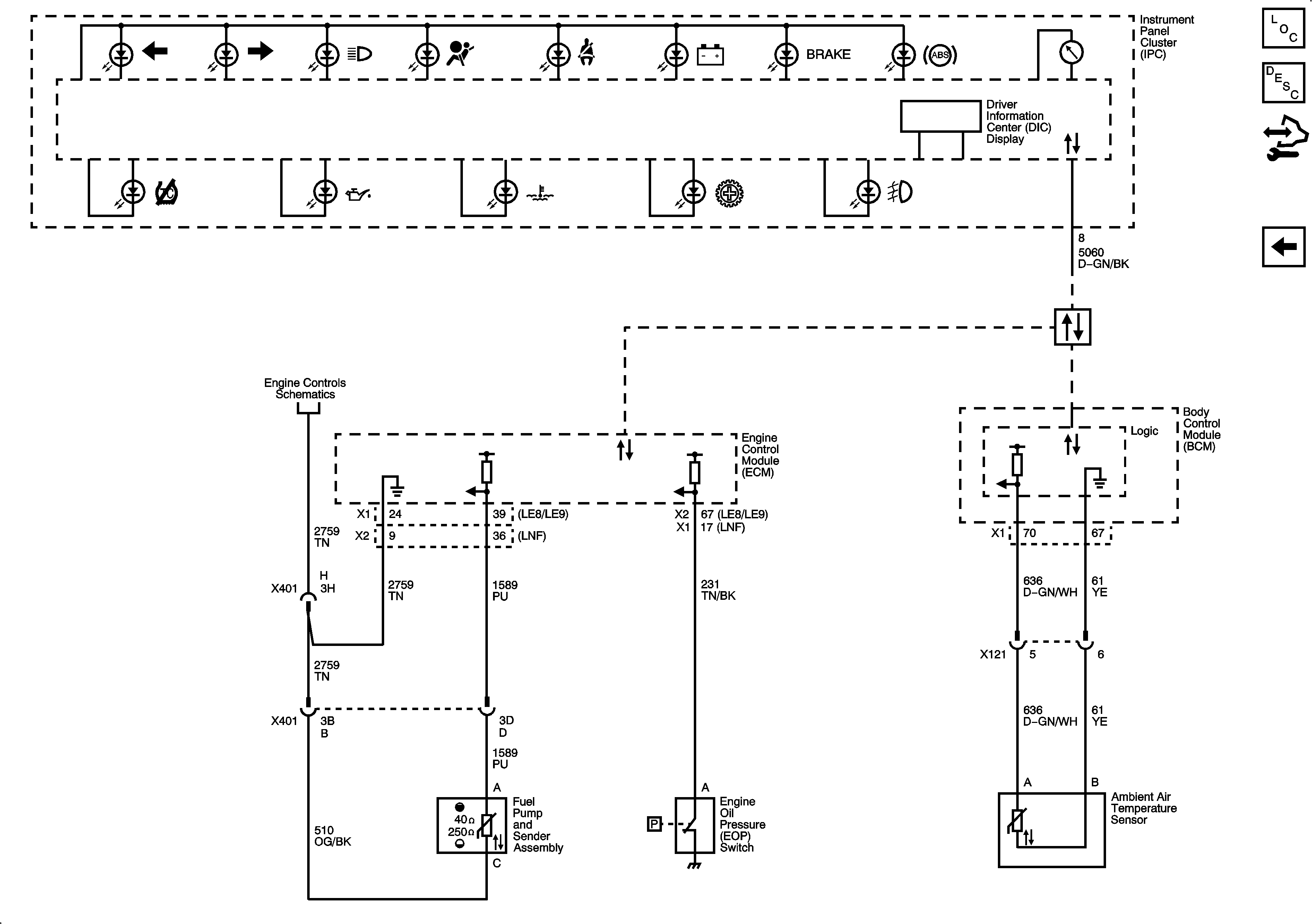
Figure
1:
Ambient Air Temperature Sensor, EOP Sensor, Fuel Level Sensor, and Indicators
Master Electrical Component List
Instrument Cluster Description and Operation
Control Module References
Power, Ground, DIC, Illumination, MIL and Security Indicator
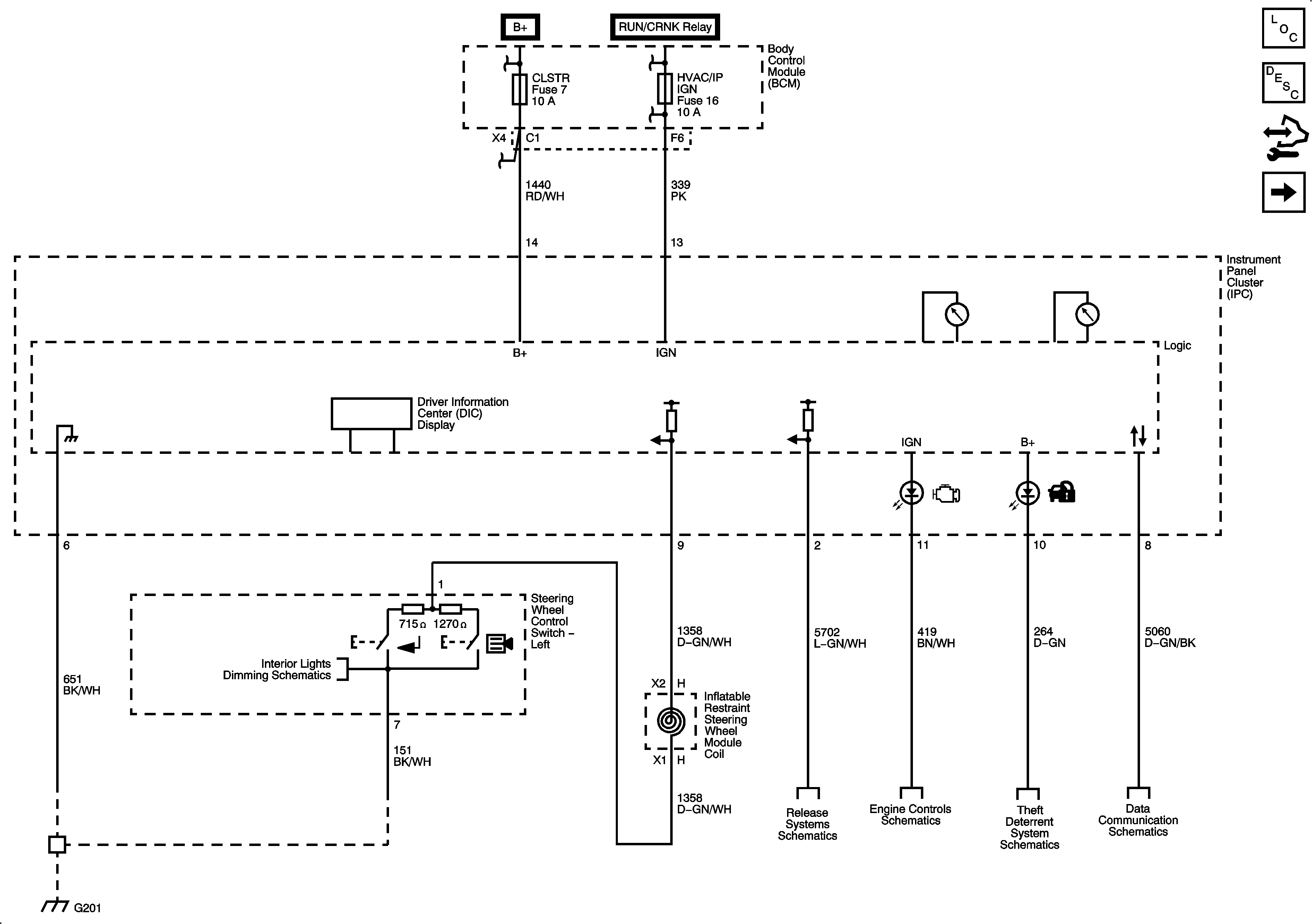
Figure
2:
Power, Ground, DIC, Illumination, MIL, and Security Indicator
Master Electrical Component List
Instrument Cluster Description and Operation
Control Module References
Ambient Air Temperature Sensor, EOP Sensor, Fuel Level Sensor and Indicators