GM Service Manual Online
For 1990-2009 cars only
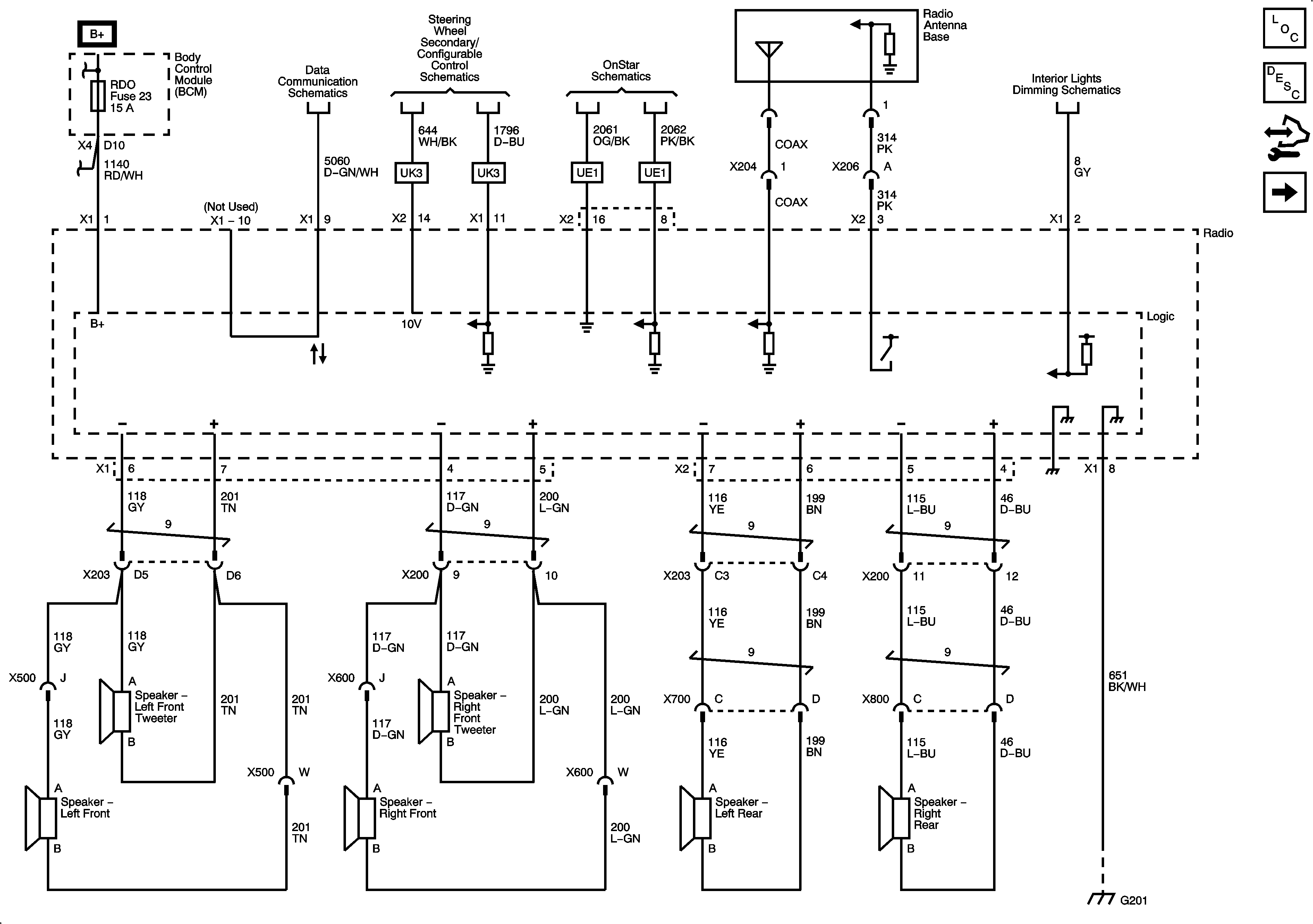
Figure 1:

Radio w/UW5


Object Number: 2085341  Size: FS
Master Electrical Component List
Radio/Audio System Description and Operation
Control Module References
Radio w/UQ3 - 1 of 2
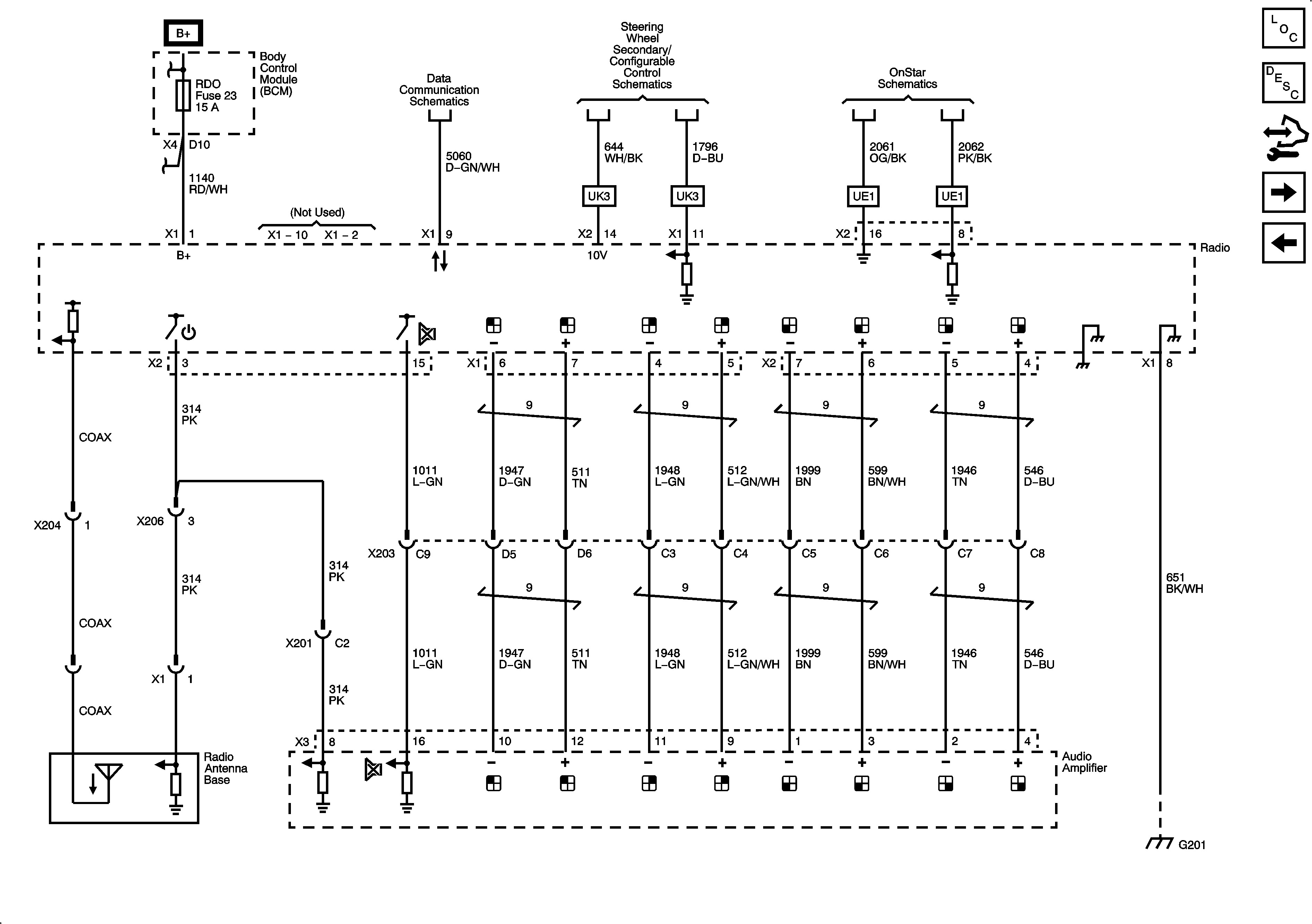
Figure 2:

Radio w/UQ3 - 1 of 2


Object Number: 2085342  Size: FS
Master Electrical Component List
Radio/Audio System Description and Operation
Control Module References
Radio w/UW5
Radio w/UQ3 - 2 of 2
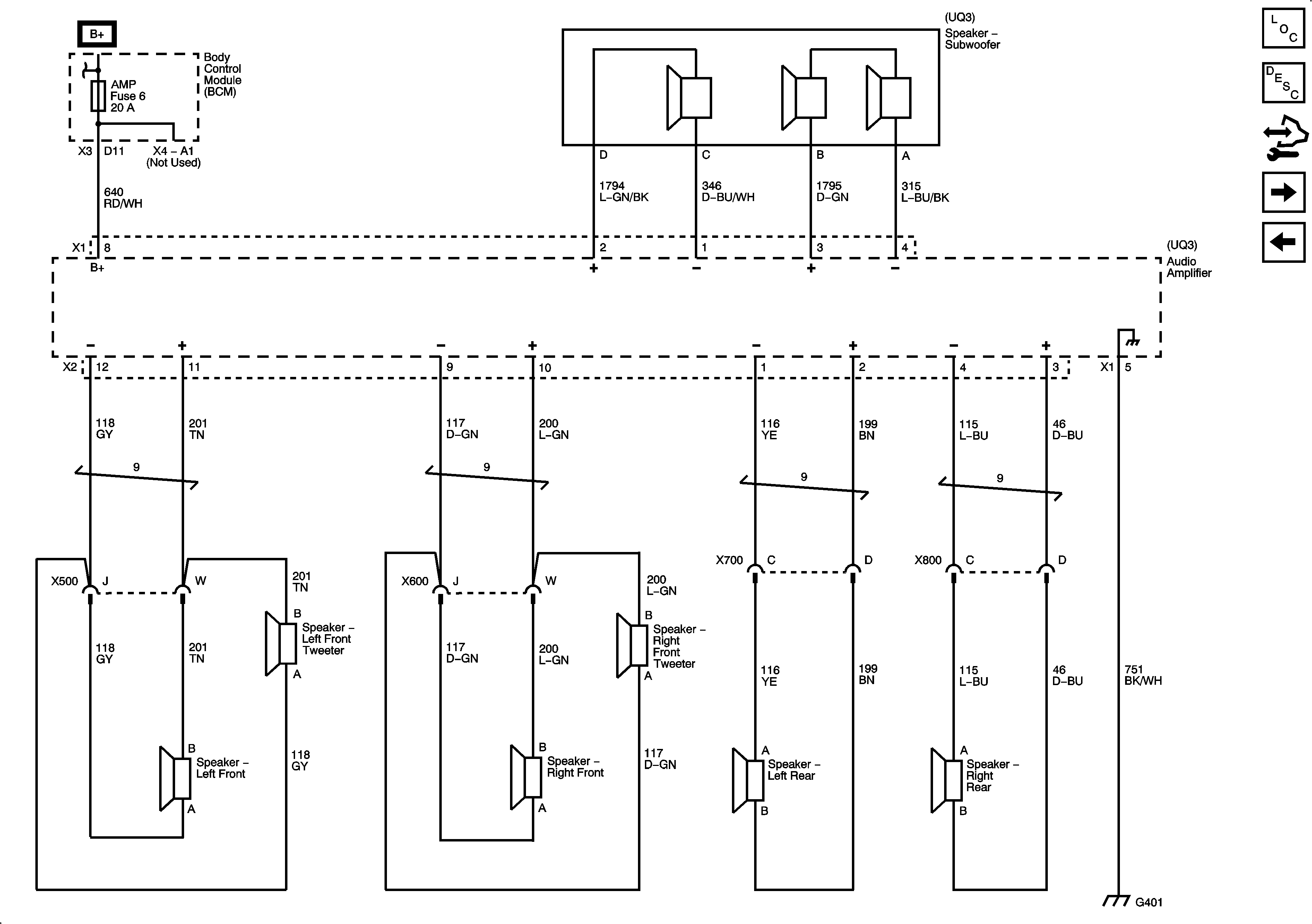
Figure 3:

Radio w/UQ3 - 2 of 2


Object Number: 2085345  Size: FS
Master Electrical Component List
Radio/Audio System Description and Operation
Control Module References
Radio w/UQ3 - 1 of 2
Digital Radio Receiver (U2K)
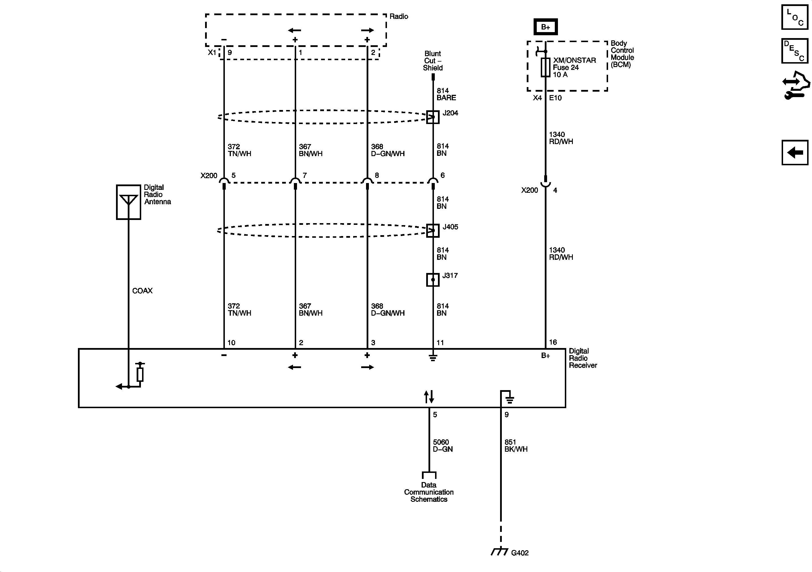
Figure 4:

Digital Radio Receiver (U2K)


Object Number: 2085346  Size: FS
Master Electrical Component List
Radio/Audio System Description and Operation
Control Module References
Radio w/UQ3 - 2 of 2