GM Service Manual Online
For 1990-2009 cars only
Makes
🢒
Chevrolet
🢒
2009
🢒
HHR
🢒
Power and Signal Distribution
🢒
Wiring Systems and Power Management
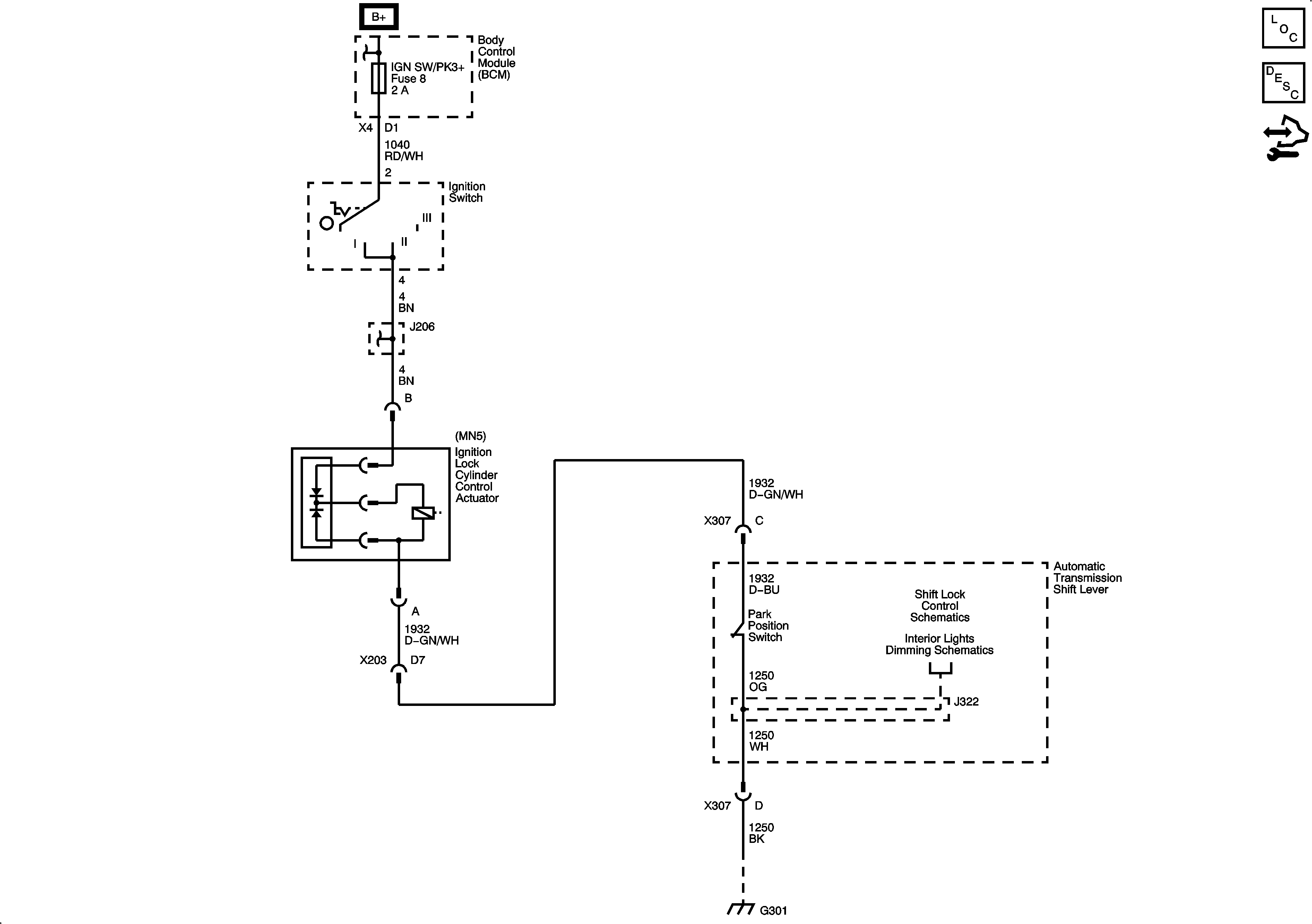
🢒 Ignition Lock Schematics
Column and Ignition Lock
Master Electrical Component List
Electronic Park Lock Description and Operation
Control Module References