GM Service Manual Online
For 1990-2009 cars only
Figure 1:

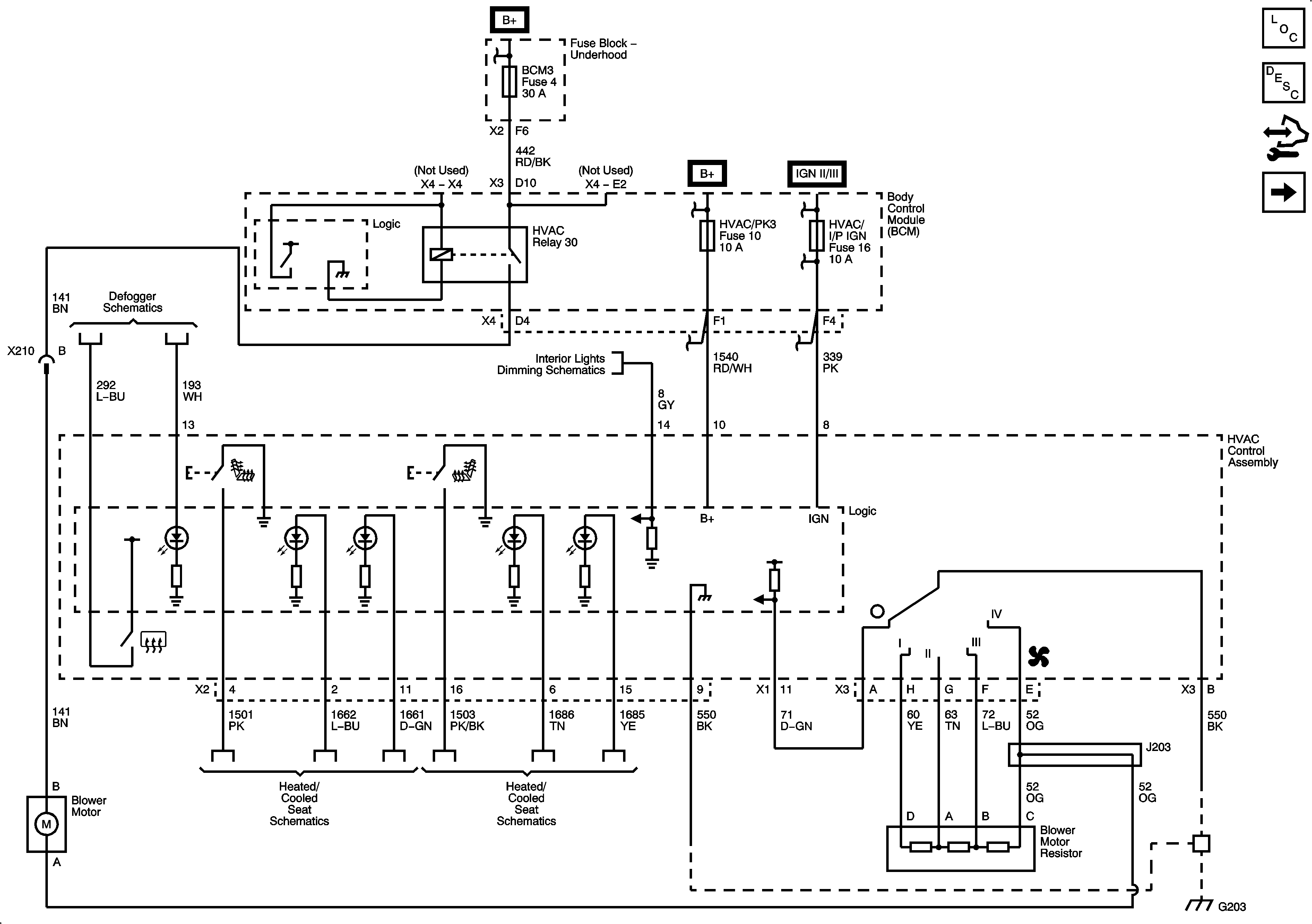
Power, Ground, Blower Motor Controls, and Subsystem References


Object Number: 2085083  Size: FS
Master Electrical Component List
Air Delivery Description and Operation
Control Module References
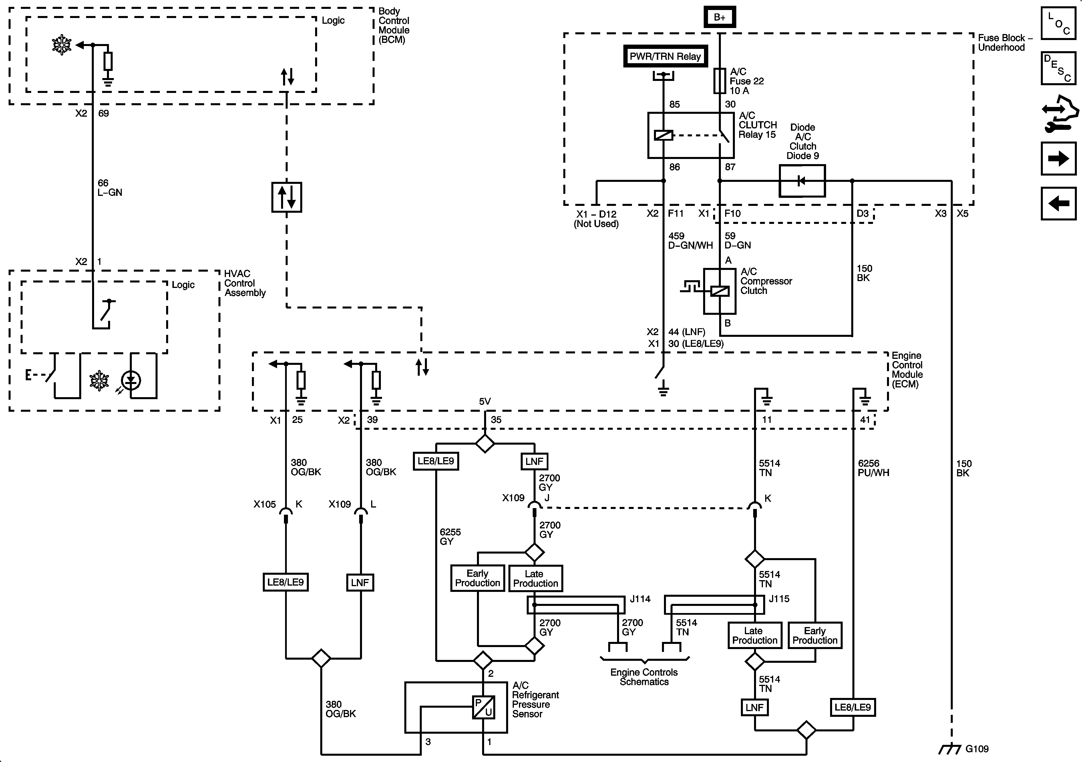
Compressor Controls
Figure 2:

Compressor Controls


Object Number: 2085137  Size: FS
Master Electrical Component List
Air Delivery Description and Operation
Control Module References
Power, Ground, Blower Motor Controls and Subsystem
Mode and Air Temperature Controls
Figure 3:

Mode and Air Temperature Controls


Object Number: 2085156  Size: FS
Master Electrical Component List
Air Delivery Description and Operation
Control Module References
Compressor Controls