GM Service Manual Online
For 1990-2009 cars only
Makes
🢒
Chevrolet
🢒
2009
🢒
HHR
🢒 Stability Control and Traction Control
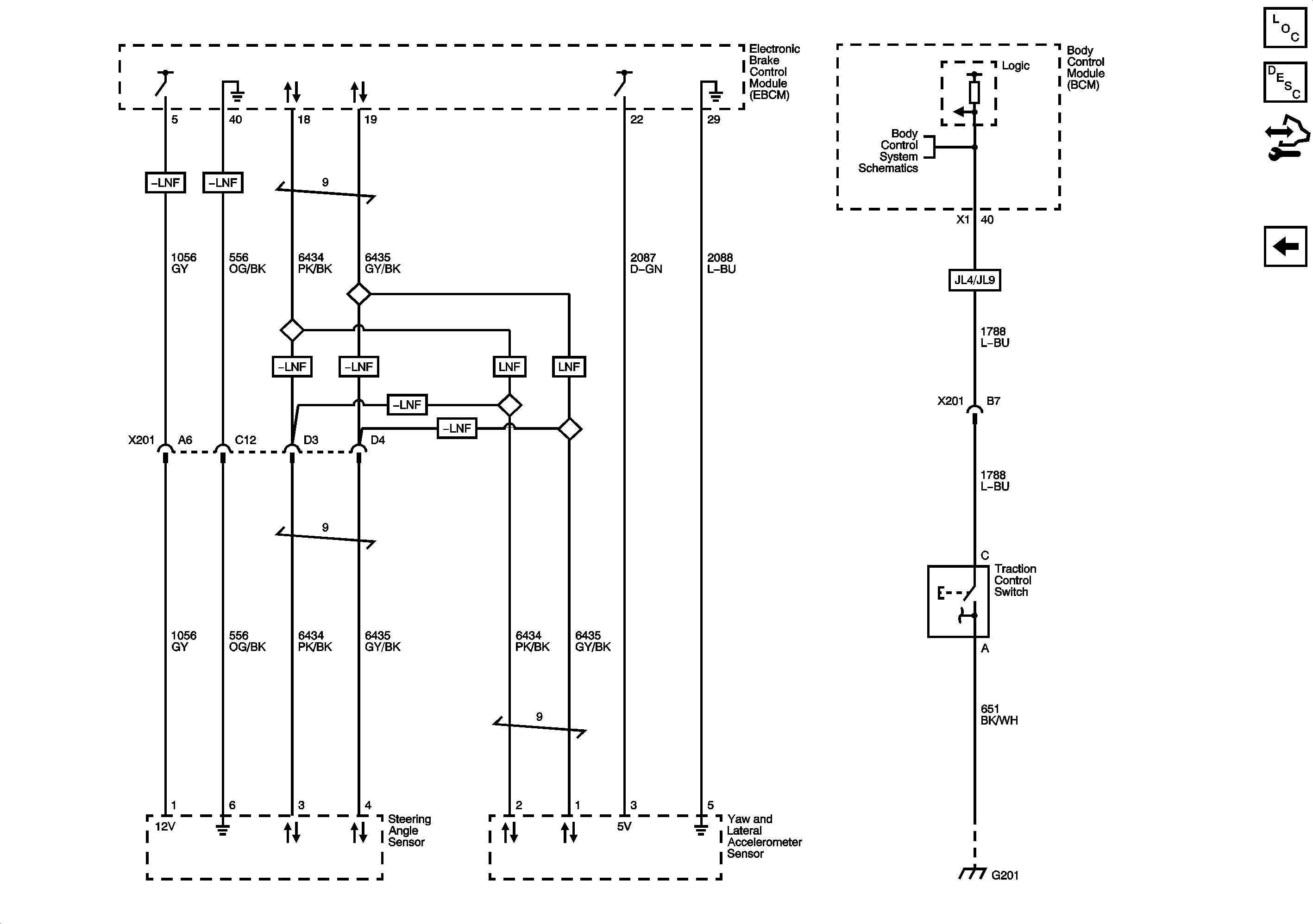
Stability Control and Traction Control
Stability Control (JL4)
Master Electrical Component List
ABS Description and Operation
Control Module References
Power, Ground and WSS