GM Service Manual Online
For 1990-2009 cars only
Makes
🢒
Chevrolet
🢒
2009
🢒
HHR
🢒 Front Wiper/Washer Control
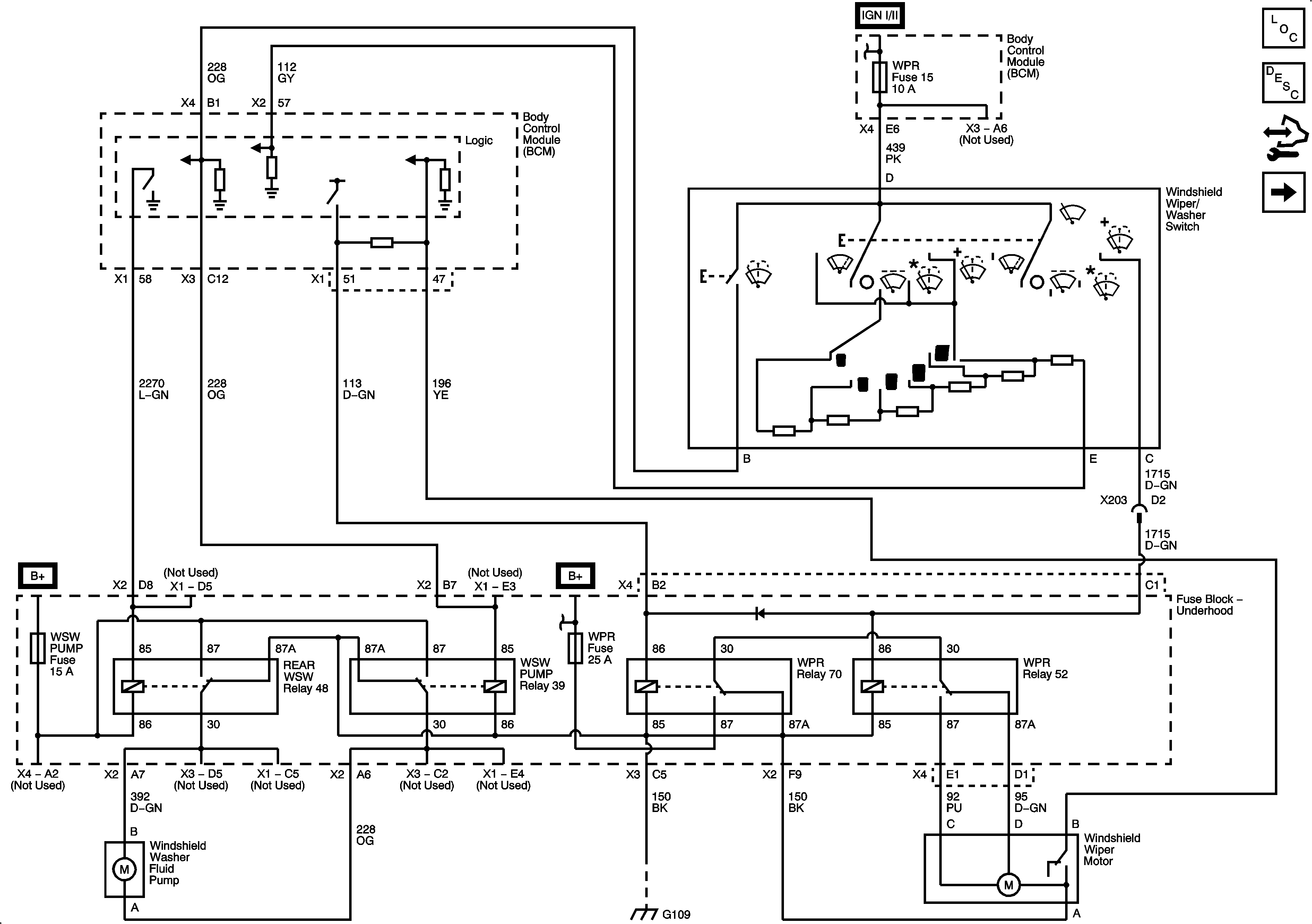
Front Wiper/Washer Control
Front Wiper/Washer Control
Master Electrical Component List
Wiper/Washer System Description and Operation (Front)
Control Module References
Rear Wiper/Washer Control