GM Service Manual Online
For 1990-2009 cars only
Makes
🢒
Chevrolet
🢒
2009
🢒
HHR
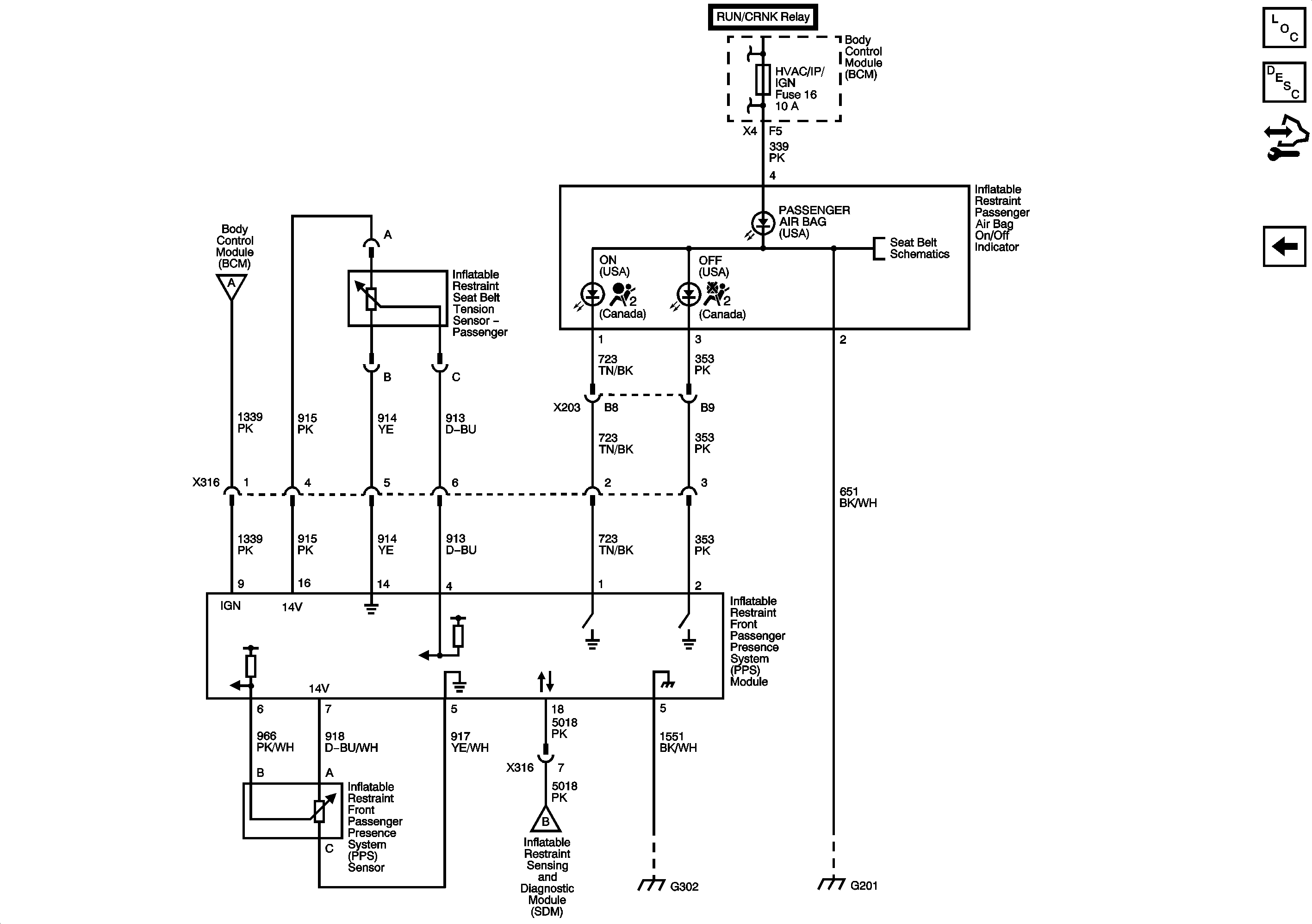
🢒 Passenger Presence System
Passenger Presence System
Passenger Presence System
Master Electrical Component List
SIR System Description and Operation
Control Module References
Side Impact-(ASF), Roof Rail Modules, Front End Sensor