GM Service Manual Online
For 1990-2009 cars only
Makes
🢒
Chevrolet
🢒
2009
🢒
HHR
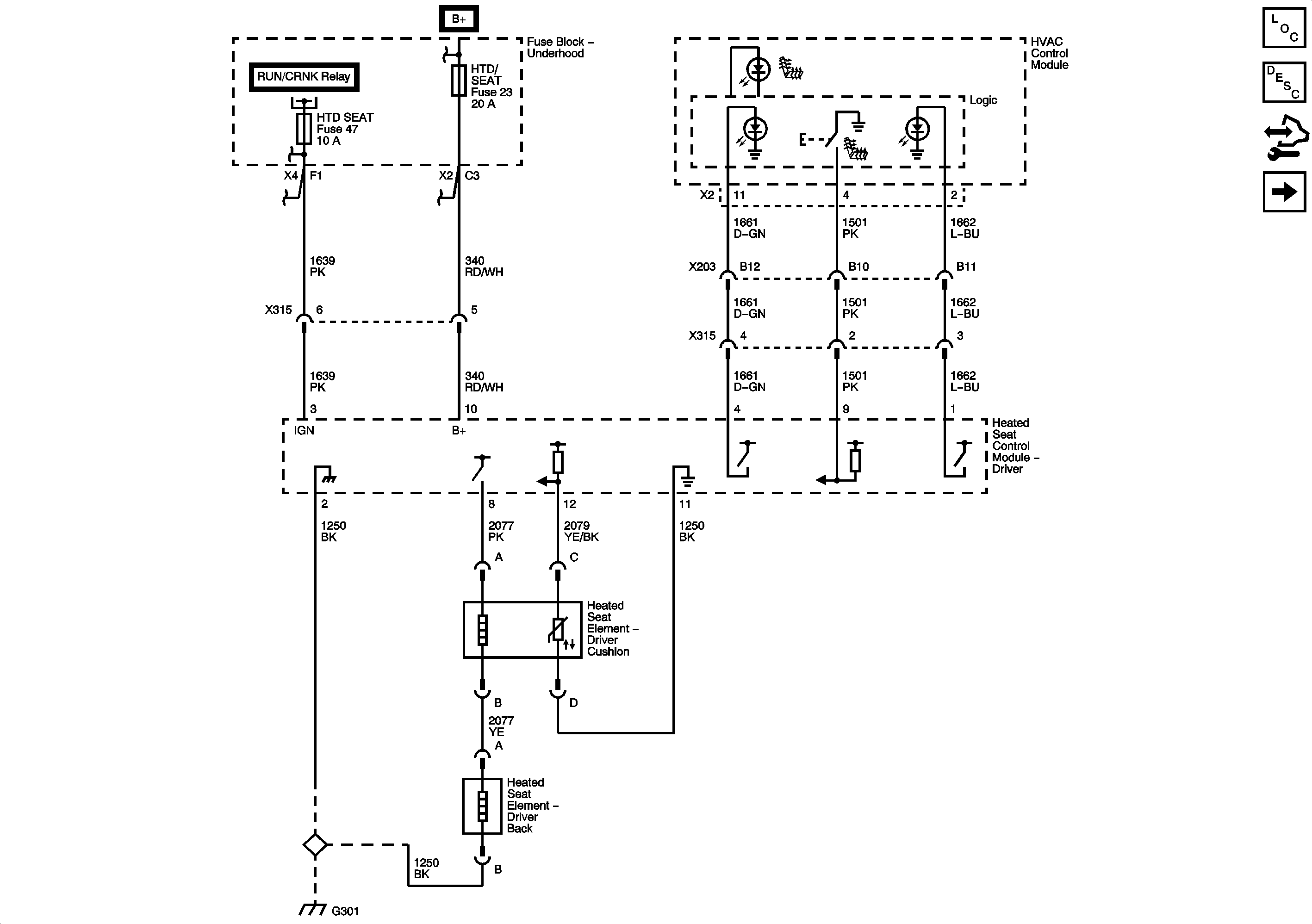
🢒 Heated Seat - Driver
Heated Seat - Driver
Heated Seat - Driver
Master Electrical Component List
Heated Seats Description and Operation
Control Module References
Heated Seat - Passenger