GM Service Manual Online
For 1990-2009 cars only

Tools Required

    • J 28467-B Universal Engine Support Fixture
    • J 36462-A Engine Support Adapter Leg Set
    • J-28467-501 Engine Support Fixture Legs
  1. Disconnect the negative battery cable. Refer to Battery Negative Cable Disconnection and Connection in Engine Electrical.

  2. Object Number: 815195  Size: SH
  3. Remove the left engine mount strut and the bracket from the upper radiator support. Refer to Engine Mount Strut Bracket Replacement .
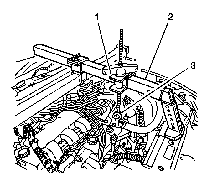
  4. Assemble the J-28467-501  (2) to the J 28467-B cross bar (1).
  5. Install the J 28467-B  (1) and the J-28467-501  (2) to the fender rails.

  6. Object Number: 815198  Size: SH
  7. Install the J 36462-A  (1) to the cross bar (2).

  8. Object Number: 815200  Size: SH
  9. Install the support lift hook (1) to the cross bar (2).
  10. Install the support hook (1) to the right engine lift hook (3).

  11. Object Number: 815211  Size: SH
  12. Install the support hook (1) to the J 36462-A  (2).
  13. Install the support hook (1) to the left engine lift hook (3).

  14. Object Number: 815216  Size: SH
  15. Raise the engine to release the pressure off of the engine mounts.