GM Service Manual Online
For 1990-2009 cars only
Makes
🢒
Chevrolet
🢒
2000
🢒
Impala
🢒
Suspension
🢒
Tire Pressure Monitoring
🢒 Tire Pressure Monitoring System Schematics
Figure
1:
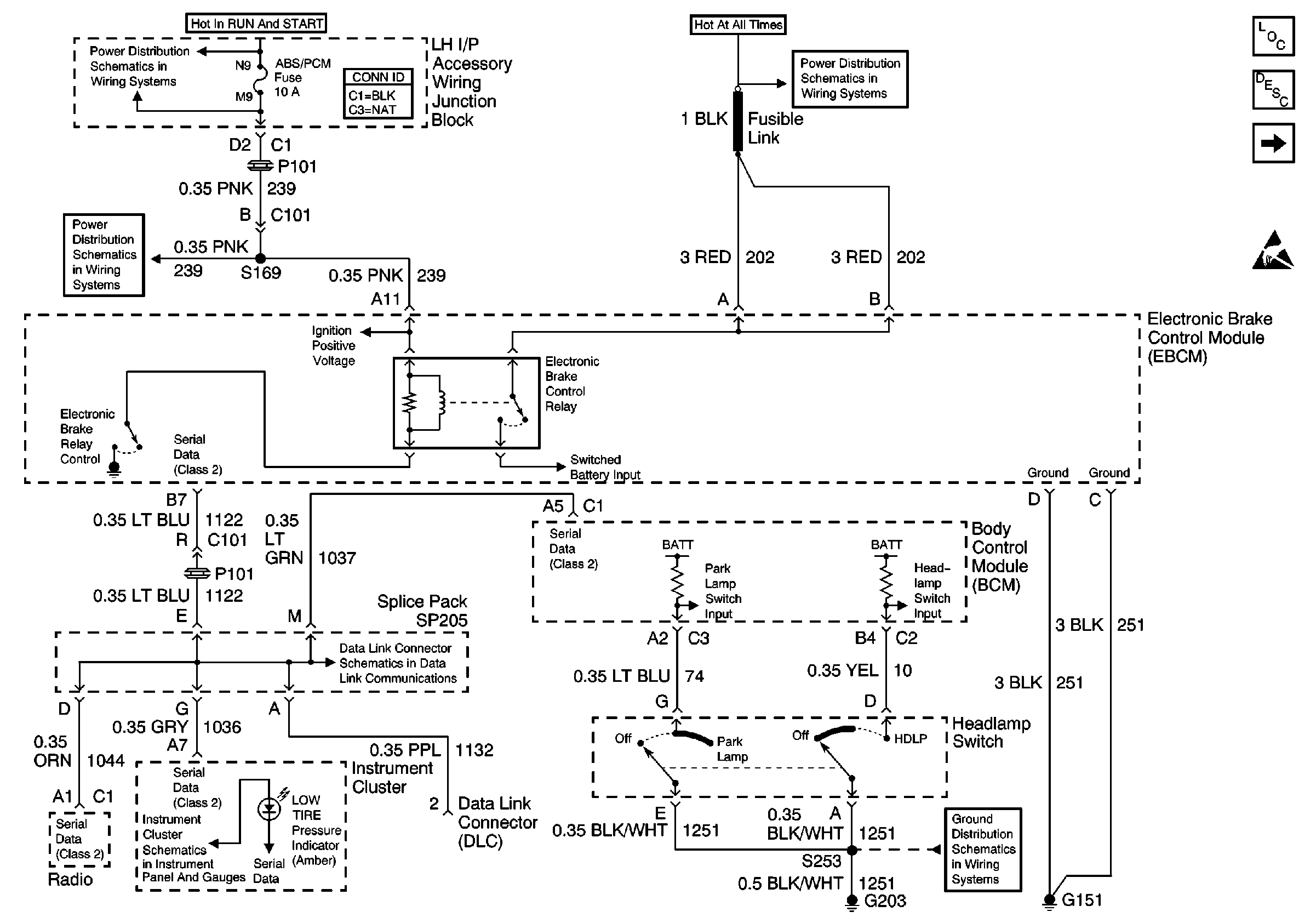
EBCM, Power, Ground and Instrument Cluster
ABS/PCM, STOP, TURN SIGNAL and SRS Fuses
ABS/PCM, STOP, TURN SIGNAL and SRS Fuses
LED Displays
Data Link Communications Schematic
Battery, EBCM, Engine Wiring Harness Junction Blocks (Bottom and Top),Fusible Links, Generator, Remote Battery Stud and Starter
G203 (2 of 3)
Tire Pressure Monitoring System Components
Tire Inflation Monitoring System Operation
Wheel Speed Sensors
Handling ESD Sensitive Parts Notice
Figure
2:
Wheel Speed Sensors
Handling ESD Sensitive Parts Notice
Tire Pressure Monitoring System Components
Tire Inflation Monitoring System Operation
EBCM, Power, Ground and Instrument Cluster