GM Service Manual Online
For 1990-2009 cars only
Makes
🢒
Chevrolet
🢒
2000
🢒
Impala
🢒
Transmission/Transaxle
🢒
Automatic Transaxle - 4T65-E
🢒 Shift Lock Control Schematics
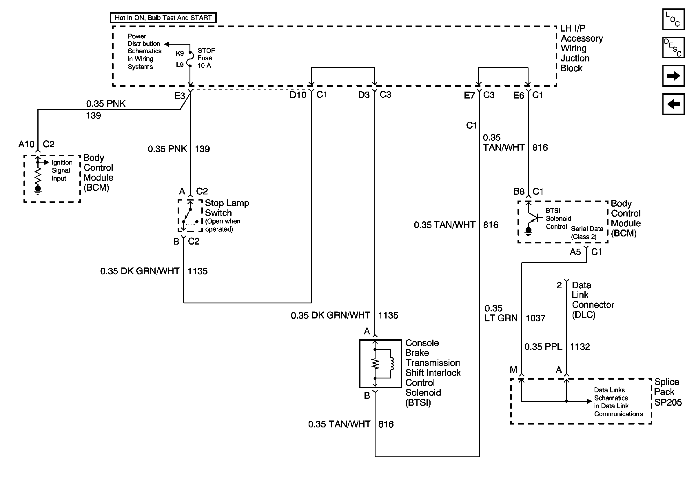
Figure
1:
Automatic Transaxle Controls -- 4 Door
OBD II Symbol Description Notice
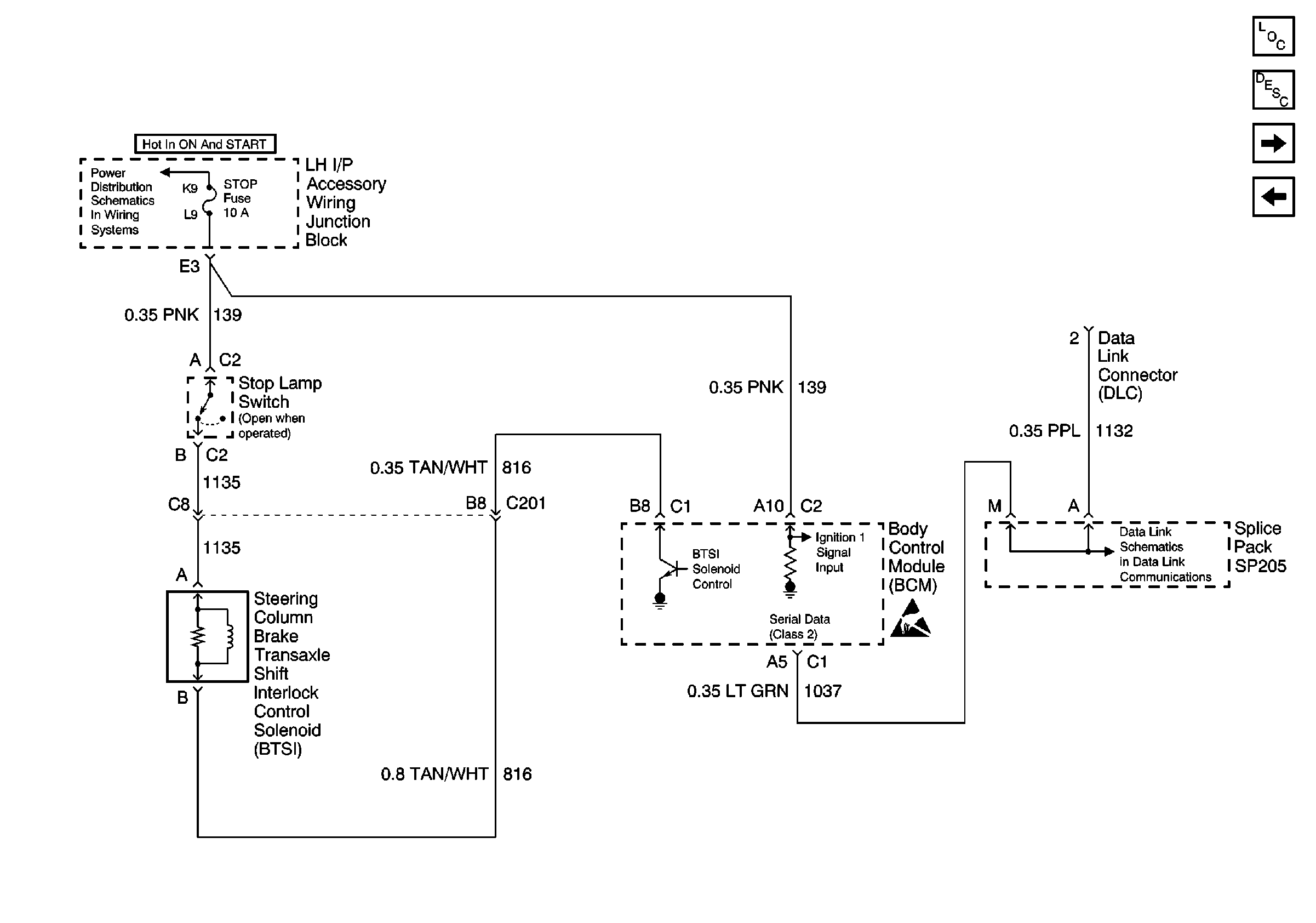
Figure
2:
Automatic Transaxle Controls -- 2 Door
OBD II Symbol Description Notice