GM Service Manual Online
For 1990-2009 cars only
Figure 1:

Front of Vehicle-Forward Lamp Harness


Object Number: 514087  Size: LF
(1)C106 (Inline Connector to IP Harness)
(2)C104 (Inline Connector to IP Harness)
(3)C120 (Inline Connector to IP Harness)
(4)RH Engine Coolant Fan Motor Connector
(5)G101
(6)LH Headlamp Connector
(7)Secondary Air Injection Pump (A.I.R.) Motor Connector
(8)Outside Air Temperature Sensor Connector
(9)LH Fog Lamp Connector
(10)LH Engine Coolant Fan Motor Connector
(11)Horn Connector
(12)RH Fog Lamp Connector
(13)RH Headlamp Connector
(14)Engine Coolant Level Indicator Switch Connector
Figure 2:

Forward Wiring Harness, RPO 9C1 (4-Door)


Object Number: 507611  Size: LF
Figure 3:

Battery Component View


Object Number: 498246  Size: LF
(1)Underhood Accessory Wiring Junction Block
(2)G100 (Negative Battery Ground)
(3)Positive Battery Therminal
(4)Battery
(5)Negative Battery Therminal
(6)Remote Battery Stud
Figure 4:

Right Front of Vehicle


Object Number: 507600  Size: LF
(1)LH Headlamp Connector
(2)Connector Retainer
(3)Secondary Air Injection Motor (A.I.R.) Connector
(4)LH Fog Lamp Connector
Figure 5:

Left Front of Vehicle (RPO LA1)


Object Number: 514079  Size: LF
(1)Fusible Links, Froward Lamp Harness
(2)C102 (Inline to Fuel Injector Jumper Harness)
(3)C112 (Inline Connector to Engine Harness)
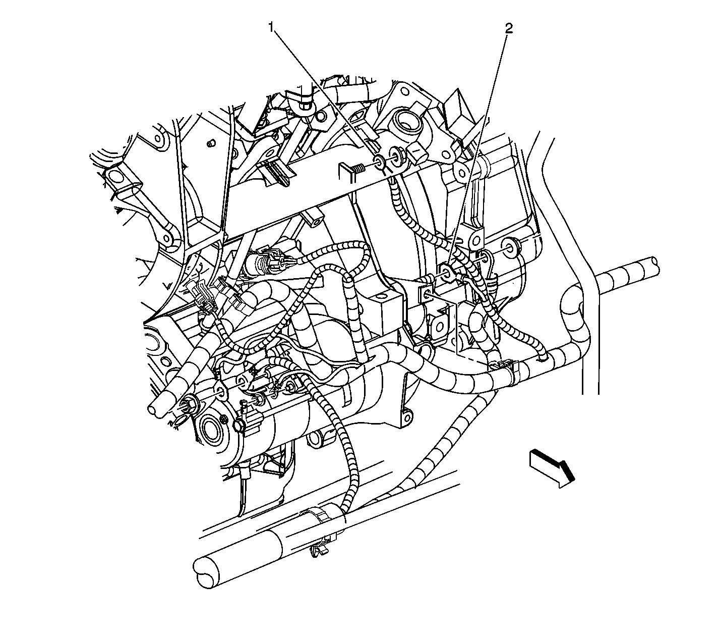
Figure 6:

Left Side of Engine Compartment


Object Number: 514086  Size: LF
(1)P100
(2)Fusible Links, IP Harness to Underhood Accessory Wiring Junction Block
Figure 7:

Front of Engine Compartment


Object Number: 487965  Size: LF
(1)Engine Cooling Fan, RH
(2)Engine Cooling Fan. LH
Figure 8:

Detail View of Engine Coolant Level Indicator Module


Object Number: 500480  Size: LF
Figure 9:

Underhood Accessory Wiring Junction Block


Object Number: 487972  Size: LF
(1)C112 (Inline Connector to Engine Harness
(2)Underhood Accessory Wiring Junction Block (Top and Bottom)
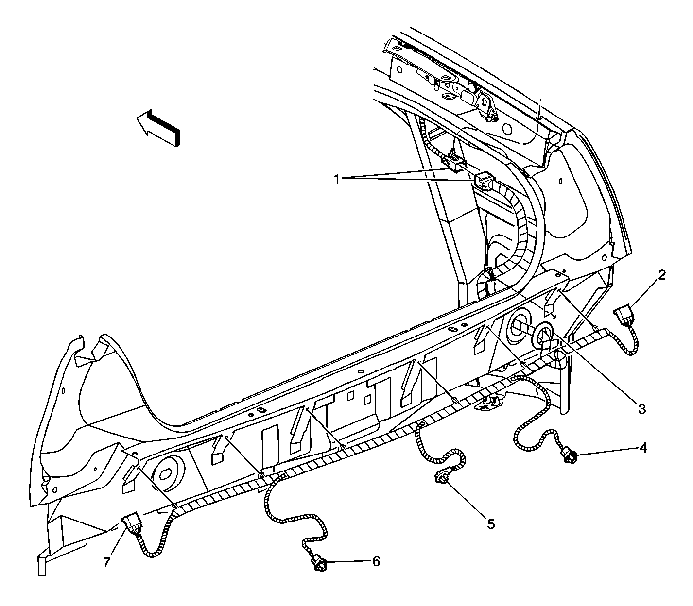
Figure 10:

Left Front Side of Engine Compartment


Object Number: 487955  Size: LF
(1)Positive Battery Terminal
(2)Negative Battery Terminal
(3)Underhood Accessory Wiring Junction Block (Top and Bottom)
(4)G100
Figure 11:

Left of Engine


Object Number: 487942  Size: LF
(1)G113
(2)G111
Figure 12:

Left Front of Engine (RPO L36)


Object Number: 487976  Size: LF
(1)C112 (Male Side)
(2)Manifold Air Pressure (MAF) Sensor Connector
(3)C112 (Female Side)
Figure 13:

Lower Left Rear of Engine 3.4L (RPO LA1)


Object Number: 487943  Size: LF
(1)Fusible Link
(2)Positive Battery Feed
(3)G151
(4)G111, G113
(5)Starter Solenoid Lead
Figure 14:

Lower Left Side of Engine 3.8L (RPO L36) Compartment


Object Number: 487945  Size: LF
(1)Automatic Transaxle Fluid Pressure Manual Valve Position Switch
(2)Automatic Transaxle Fluid Pressure Manual Valve Position Connector
(3)G151
Figure 15:

Lower Left Front of Engine, Mounted to Left Main Frame Rail


Object Number: 487957  Size: LF
(1)C106 (Inline Connector to IP Harness)
(2)C120 (Inline Connector to IP Harness)
(3)C104 (Inline Connector to IP Harness)
Figure 16:

Left Center Rear of Engine Compartment


Object Number: 834273  Size: MF
(1)Brake Master Cylinder
(2)Cruise Control Module
(3)Left Front Strut Tower
(4)C101
(5)G171
Figure 17:

Left Side of Engine Compartment Bulkhead


Object Number: 488048  Size: LF
(1)Wiper/Washer Motor Connector
(2)P103
Figure 18:

Behind Center Left Side of Instrument Panel (4-Door)


Object Number: 514083  Size: LF
(1)Radio, C1 Connector
(2)Radio, C2 Connector
(3)G202
(4)Data Link Connector (DLC)
(5)A/C-Heater Control, C1 Connector
(6)A/C-Heater Control, C2 Connector
(7)G201
(8)Ignition Switch, C2 Connector
(9)Ignition Switch, C1 Connector
(10)Theft Deterrent Key Resister Connector
(11)Ignition Assembly
Figure 19:

Behind Left Center of Instrument Panel (2-Door)


Object Number: 487938  Size: LF
(1)IP Wiring Harness
(2)Instrument Cluster Connector
(3)G201
(4)Ignition Switch Connector (C1 and C2)
(5)Ignition Switch Key Resister Connector
(6)Radio Connector, C2
(7)Radio Connector, C1
Figure 20:

End Left Side of Instrument Panel


Object Number: 488000  Size: LF
(1)Electronic Traction Control Switch Connector
(2)Fog Lamp Switch Connector
(3)Headlamp Switch Connector
(4)LH IP Courtesy Lamp
(5)Radio Antenna Connector
(6)Rear Compartment Lid Release Switch Connector
(7)RH IP Fuse Block Connector
(8)RH IP Fuse Block
Figure 21:

Right Center of Instrument Panel and Engine Compartment


Object Number: 488042  Size: LF
(1)P101 (IP Side)
(2)P101 (Engine Side)
Figure 22:

Lower Left Center of IP, Right of Steering Wheel, RPO 9C1/9C6 (4-Door)


Object Number: 488039  Size: LF
(1)Steering Column
(2)SEO Circuit Breaker Panel
Figure 23:

Lower Center of IP, Right of Steering Wheel


Object Number: 487935  Size: LF
(1)G203
(2)C215 (Inline to SIR Steering Wheel Module)
(3)Data Link Connector (DLC)
(4)C201 (Inline to Steering Column Harness)
(5)Stop Lamp Switch Connector
(6)Cruise Control Release Switch Connector
(7)Cruise Control Release Switch
(8)G201
Figure 24:

Behind Center of Instrument Panel-HVAC


Object Number: 488013  Size: LF
(1)LH Electric Actuator Connector
(2)RH IP Courtesy Lamp
(3)Blower Motor
(4)Blower Motor Resistor Connector
(5)P100
Figure 25:

Behind Center of Instrument Panel, RPO 9C1/9C6 (4-Door)


Object Number: 488018  Size: LF
(1)Blower Motor
(2)LH IP Courtesy Lamp
(3)Emergency Vehicle Rear Window Panel Lamp Package (RPO 6J3)
(4)Blower Motor Resister Connector
(5)Headlamp Flasher, Gille Lamps and Speaker (RPO 6J3)
(6)P100
(7)Blunrt End Wires (SEO Optional Equipment)
(8)Wiring Provisions for SEO Package (RPO WX7)
(9)LH Electric Actuator Connector
Figure 26:

Bottom of Center Instrument Panel


Object Number: 488022  Size: LF
(1)Ashtray Assembly
(2)C240 (Inline Connector to IP Harenss)
(3)C240 (Inline to Ashtray Jumper Harness)
Figure 27:

Upper Right Floor Pan


Object Number: 488043  Size: LF
(1)P100
Figure 28:

Below Right Instrument Panel, RPO 9C1/9C6 (4-Door)


Object Number: 514084  Size: LF
(1)Wiring Provision for Ignition, Main Power Supply, Headlamp Flasher, Grille Lamp and Speaker
Figure 29:

Center Console and Forward Main Body (4-Door)


Object Number: 488340  Size: LF
(1)Cigar Lighter Connector
(2)Heated Seat Switch, Driver Connector
(3)Heated Seat Switch, Passenger Connector
(4)C317 (Inline Connector to Auxiliary Power Harness)
(5)C317 (Inline Connector to Center Console Harness)
(6)Auxiliary Power Connector
(7)SIR/SDM, C1 Connector (w/ RPO AK5)
(8)SIR/SDM, C2 Connector
(9)SIR/SDM, C2 (w/ RPO AK5)
(10)C315 (Inline Connector to Power Seat, Passenger)
(11)C315 (Inline Connector to Power Seat, Driver)
(12)SIR Driver Seat Module (Jumper Harness)
(13)Automatic Transaxle Control Indicator Position Lamp
(14)Brake Transaxle Shift Interlock (BTSI)
Figure 30:

Cross Body Harness


Object Number: 571271  Size: LF
(1)Auxiliary Power Connector
(2)C315 (Inline Connector to Body)
(3)PNDRL Position Lamp
(4)BTSI Connector
(5)SMD Connector
(6)C313 (Inline Connector to Passenger Seat)
(7)C314 (Inline Connector to Driver Seat Airbag)
(8)C311 (Inline Connector to Driver Seat)
Figure 31:

Center Console (2 Door)


Object Number: 487864  Size: LF
(1)C317 (Inline Connector to Auxiliary Power Jumper Harness)
(2)Automatic Transaxle Shift Interlock (BTSI) Control Solenoid
(3)Automatic Transaxle Shift Interlock (BTSI) Control Solenoid Connector
(4)Automatic Transaxle Control Position Indicator Lamp
(5)C315 (Inline Connector to Center Console)
Figure 32:

Below Front Seats, RPO 9C6 (4-Door)


Object Number: 488390  Size: LF
(1)Brake Transaxle Shift Interlock Switch Connector
(2)SIR/SDM, C1 Connector (w/ RPO AK5)
(3)SIR/SDM, C2 Connector (w/ RPO AK5)
(4)C312 (Inline to Power Seat, Driver)
(5)SIR Drivers Seat Module Jumper
(6)C311 (Inline Connector to Power Seat , Driver)
(7)C317 (Inline Connector to Auxiliary Power Harness)
(8)C315 (Inline Connector to Center Console Harness)
(9)Automatic Transaxle Control Indicator Position Lamp
Figure 33:

Below Front Seats (2-Door)


Object Number: 488355  Size: LF
(1)Brake Transaxle Shift Interlock (BTSI) Connector
(2)SIR/SDM, C2 Connector
(3)SIR/SDM, C2 Connector
(4)C315 (Inline Connector to Power Seat, Driver)
(5)SIR Drivers Seat Module (Jumper)
(6)C313 (Inline to Power Seat , Driver Harness)
(7)C317 (Inline Connector to Auxiliary Power Harness)
(8)Automatic Transaxle Control Indicator Position Lamp
(9)Heated Seat Switch Connector, Driver
(10)Heated Seat Switch Connector, Passenger
(11)C315 (Inline Connector Center Console Harness)
Figure 34:

Right Front Door (4-Door)


Object Number: 487866  Size: LF
(1)Right Front Door Lock Switch Connector
(2)Right Front Window Switch Connector
(3)Right Front Door Lock Assembly, Cylinder Switch (RPO AU6)
(4)Right Front Door Lock Assembly (Actuator Connector)
(5)Right Front Door Lock Assembly (Ajar Connector)
(6)Right Front Window Regulator Motor Connector
(7)Right Front Radio Speaker Connector
(8)P600
(9)C302 (Inline Connector to Body Harness)
(10)Inline Connector to Outside Rearview Mirror
Figure 35:

Left Front Door (4-Door)


Object Number: 487902  Size: LF
(1)Outside Rearview Mirror Switch Connector
(2)Inline Connector to Outside Remote Rearview Mirror Connector
(3)P500
(4)C301 (Inline Connector to Left Front Door)
(5)P500
(6)Front Door Radio Speaker Connector
(7)Left Front Window Regulator Motor Connector
(8)Door Lock Assembly (Ajar Switch Connector)
(9)Door Lock Assembly (Actuator Connector)
(10)Door Lock Assembly, Cylinder Switch Connector, (RPO AU6)
(11)Left Front Window Switch (Lockout Connector)
(12)Left Front Window Switch Connector
(13)Door Lock Switch Connector
Figure 36:

Left Front Door (2-Door)


Object Number: 488218  Size: LF
(1)Door Lock Switch Connector
(2)Outside Rearview Mirror Connector
(3)P500
(4)C301 (Inline Connector to Main Body Harness)
(5)Left Front Radio Speaker Connector
(6)Left Front Window Regulator Motor Connector
(7)Left front Window Switch Connector
(8)Outside Rearview Mirror Remote Control Switch Connector
(9)Door Lock Assembly (Ajar Switch Connector)
(10)Door Lock Assembly (Actuator Connector)
(11)Door Lock Assembly, Cylinder Switch Connector (w/RPO AU6)
Figure 37:

Left Front Door (2-Door)


Object Number: 488209  Size: LF
(1)Door Lock Switch Connector
(2)Door Lock Assembly (Actautor Connector)
(3)Door Lock Assembly (Ajar Switch Connector)
(4)Door Lock Assembly, Cylinder Switch Connector (w/ RPO AU6)
(5)Right Front Window Switch Connector
(6)Right Front Window Regulator Connector
(7)Right Front Radio Speaker Connector
(8)C320 (Inline Connector to Main Body Harness)
(9)P600
(10)Outside Rearview Mirror Connector
Figure 38:

Rear Door


Object Number: 487907  Size: LF
(1)Door Lock Assembly (Actuator Connector)
(2)Door Lock Assembly (Ajar Switch Connector)
(3)Window Switch, Rear
(4)C356 Right Shown, C355 Left Similar (Inline Connector to Rear Door)
(5)P800 Right Shown, P700 Left Similar
(6)Window Regulator Motor Connector
Figure 39:

Power Seat Component (RPO KA1/AR9)


Object Number: 500475  Size: LF
(1)Seat Belt Switch
(2)Heated Seat Cushion Element Connector (RPO KA1)
(3)Heated Seat Cushion Back Element Connector (RPO KA1)
(4)Power Seat Adjuster Switch
(5)Seat Lumbar Switch
(6)Manual Seat Back Release Lever
(7)C313 (Inline from Drivers Seat to Main Body (LH Shown, RH Similar)
(8)Seat Horizontal Adjuster Motor
(9)Seat Rear Vertical Adjuster Actuator Motor
(10)Seat Front Vertical Adjuster Actuator Motor
(11)Heated Seat Relay Module
Figure 40:

Front Seat Split Bench (RPO AM6)


Object Number: 500474  Size: LF
(1)C311 Driver Seat Shown, C312 Passenger Seat Similar (Inline Connector to Body Harness)
(2)Inflatable Resistor Driver Seat Module Connector Shown (Passenger Seat Similar)
Figure 41:

Front Seat Bucket, Deluxe (RPO AR9)


Object Number: 500471  Size: LF
(1)C311 Driver Seat Shown, C312 Passenger Seat Similar (Inline Connector to Body Harness)
(2)Inflatable Resistor Driver Seat Module Connector Shown (Passenger Seat Similar)
Figure 42:

Left Side of Passenger Compartment (2-Door)


Object Number: 488351  Size: LF
(1)LH IP Junction Block Connector
(2)Brake Indicator Lamp Connector
(3)C301
(4)Radio Antenna Connection
(5)SIR Side Inpact Sensor Connector
(6)G301
Figure 43:

Left Side of Passenger Compartment (4-Door)


Object Number: 488359  Size: LF
(1)SIR Side Inpact Sensor Connector
(2)G301
(3)LH IP Junction Block, C3 Connector
(4)Brake Indicator Lamp Connector
(5)C301 (Inline Connector to Left Front Door)
(6)Radio Antenna Connection
(7)C355 (Inline Connector to Left Rear Door Harness)
Figure 44:

Right Side of Passenger Compartment (4-Door)


Object Number: 488358  Size: LF
(1)C220 (Inline to IP Harness)
(2)RH IP Junction Block, C3 Connector
(3)Main Body Harness
(4)G302
(5)C218 (Inline to SIR Harness)
(6)C302 (Inline to Right Front Door Harness)
Figure 45:

Left Side of Passenger Compartment, RPO 9C1 (4-Door)


Object Number: 487922  Size: LF
(1)C302 (Inline to Right Front Door Harness)
(2)C218 (Inline Connector to SIR Harness)
(3)G302
(4)C306 (Inline to IP Harness)
(5)C308 (Inline Connector to IP Harness)
Figure 46:

Left Side of Passenger Compartment, RPO 9C6 (4-Door)


Object Number: 488364  Size: LF
(1)C302 (Inline Connector to Right Front Door Harness)
(2)C210 (Inline Connector to SIR Harness)
(3)RH IP Junction Block, C3 Connector
(4)G302
(5)C220 (Inline Connector to IP Harness)
Figure 47:

Right Rear Side of Passenger Compartment, RPO 9C6 (4-Door)


Object Number: 488385  Size: LF
(1)C356 (Inline Connector to Right Rear Door Harness)
(2)C405 (Inline Connector to Fuel Tank Harness)
Figure 48:

Right Rear of Passenger Compartment (2-Door)


Object Number: 488357  Size: LF
(1)Main Body Wiring Harness
(2)C405 (Inline Connector to Fuel Tank Harness)
Figure 49:

Right Side of Rear Window Package Shelf


Object Number: 488082  Size: LF
(1)G309
(2)Rear Window Defogger Ground
Figure 50:

Right Side of Rear Window Package Shelf (4-Door)


Object Number: 488165  Size: LF
(1)C373 (Inline Connector to Roof Courtesy/Reading Harness)
(2)C435 (Inline Connector to Sunroof Harness)
(3)G309
Figure 51:

Right side of Rear Window Package Shelf, RPO 9C1/9C6 (4-Door)


Object Number: 487931  Size: LF
(1)SEO Blunt End Wire
(2)G309 (Roof Harness)
(3)C373 (Inline Connector to Main Body Harness)
Figure 52:

Right Side of Rear Window Package Shelf (2-Door)


Object Number: 488189  Size: LF
(1)G309
(2)C435 (Inline Connector to Sunroof Harness)
(3)C373 (Inline Connector to Roof Courtesy/Reading Harness)
Figure 53:

Left Side of Rear Window Package Shelf (2-Door)


Object Number: 488178  Size: LF
(1)C435 (Inline Connector to Roof Courtesy/Reading Harness)
(2)CD Player
(3)Right Rear Radio Speaker Connector
(4)C430 (Inline Connector to Rear Compartment Lid Applique Harness)
(5)C400 (Inline Connector to Tail Lamp Harness)
(6)Audio Amplifier, C2 Connector
(7)Audio Amplifier, C1 Connector
(8)Rear Compartment Courtesy Lamp Connector
(9)Left Rear Radio Speaker Connector
(10)C373 (Inline Connector to Roof Courtesy/Reading Harness)
Figure 54:

Left Side Rear Window Package Shelf, RPO 9C1/9C6 (4-Door)


Object Number: 487916  Size: LF
(1)Right Rear Radio Speaker Connector
(2)C400 (Inline Connector to Rear Body Harness)
(3)C430 (Inline Connector to Rear Compartment Lid Applique Harness)
(4)Rear Compartment Courtesy Lamp Connector
(5)Audio Amplifier, C1 Connector
(6)Audio Amplifier, C2 Connector
(7)Left Rear Radio Speaker Connector
(8)LH Emergency Vehicle Rear Window Panel Lamp Connector
(9)RH Emergency Vehicle Rear Window Panel Lamp Connector
(10)Blunt End Wires (SEO Option)
(11)C409 (Inline Connector to Right Rear Compartment Courtesy Lamp)
(12)C430 (Inline Connector to Rear Compartment Lid Lock Release Solenoid)
(13)C373 (Inline Connector to Roof Courtesy/Reading Harness)
(14)C435 (Inline Connector to Sunroof Harness)
Figure 55:

Left Side of Rear Window Package Shelf, RPO 9C6 (4-Door)


Object Number: 488370  Size: LF
(1)CD Player Connector
(2)C430 (Inline Connector to Rear Compartment Lid Applique Harness)
(3)C400 (Inline Connector to RH Tail Lamp Harness)
(4)C409 (Inline Connector to Rear Compartment Lamp
(5)Left Rear Radio Speaker Connector
(6)Radio Amplifier, C1 Connector
(7)Radio Amplifier, C2 Connector
(8)C373 (Inline Connector to Roof Courtesy/Reading Harness)
(9)C435 (Inline Connector to Sunroof Harness)
(10)Right Rear Radio Speaker
Figure 56:

Right Rear Side of Passenger Compartment (2-Door)


Object Number: 488344  Size: LF
(1)Power Antenna Module Connector
(2)Radio Antenna Connector
(3)P408
(4)EVAP Emission Canister Vent Valve Solenoid Connector
Figure 57:

Right side of Rear Compartment (4-Door)


Object Number: 488163  Size: LF
(1)Rear Compartment Lid Lock Release Solenoid Connector
(2)Rear Compartment Lid Lock Ajar Switch Connector
(3)Center High Mounted Stop Lamp Connector
(4)Backup Lamp Connector
(5)P900
(6)P401
(7)C430 (Inline Connector to Rear Compartment Lid Applique to Body Wiring Harness)
Figure 58:

Inside Right Side of Rear Compartment (2-Door)


Object Number: 488185  Size: LF
(1)Rear Compartment Lid Ajar Indicator Switch Connector
(2)Center High Mounted Stop Lamp Connector
(3)Rear Compartment Lid Lock Release Solenoid Connector
(4)C430 (Inline Connector to Rear Compartment Lid Applique Harness)
(5)C430 (Inline to Main Body Harness)
(6)P900
Figure 59:

Below the Rear Window Package Shelf


Object Number: 488093  Size: LF
(1)Rear Compartment Courtesy Lamp Assembly
(2)Rear Compartment Courtesy Lamp Connector
Figure 60:

Left Side of Rear Compartment (4-Door)


Object Number: 488377  Size: LF
(1)Main Body Harness
(2)P408
Figure 61:

Inside Rear Compartment, Right Rear Wheel Well


Object Number: 487927  Size: LF
(1)C430 (Inline Connector to Rear Compartment Lid Lock Release Solenoid
(2)C409 (Inline Connector to Right Rear Courtesy Lamp
(3)Rear Accessory Power Junction Block Connections )
Figure 62:

Lower Rear of Vehicle, Behind Rear Bumper (2-Door)


Object Number: 488222  Size: LF
(1)C400 (Inline Connector to Rear Body Harness)
(2)C413 (Inline Connector to RH Tail Harness)
(3)P400
(4)RH Backup Lamp
(5)Rear License Lamp
(6)LH Backup Lamp
(7)C414 (Inline Connector to LH Tail Lamp Harness
Figure 63:

Lower Rear of Vehicle, Behind Rear Bumper (4-Door)


Object Number: 487861  Size: LF
(1)C400 Inline Connector to Rear Body Harness)
(2)Connector to RH Tail Lamp Harness
(3)P400
(4)Right Rear License Lamp
(5)Left Rear License Lamp
(6)Connector to LH Tail Lamp Harness
Figure 64:

Outside Tailing Edge of Rear Compartment


Object Number: 488030  Size: LF
(1)Rear Compartment Lid
(2)C430 (Inline Connector to Rear Body Harness)
(3)Rear Compartment Lid Applique
(4)P900