GM Service Manual Online
For 1990-2009 cars only
Figure 1:

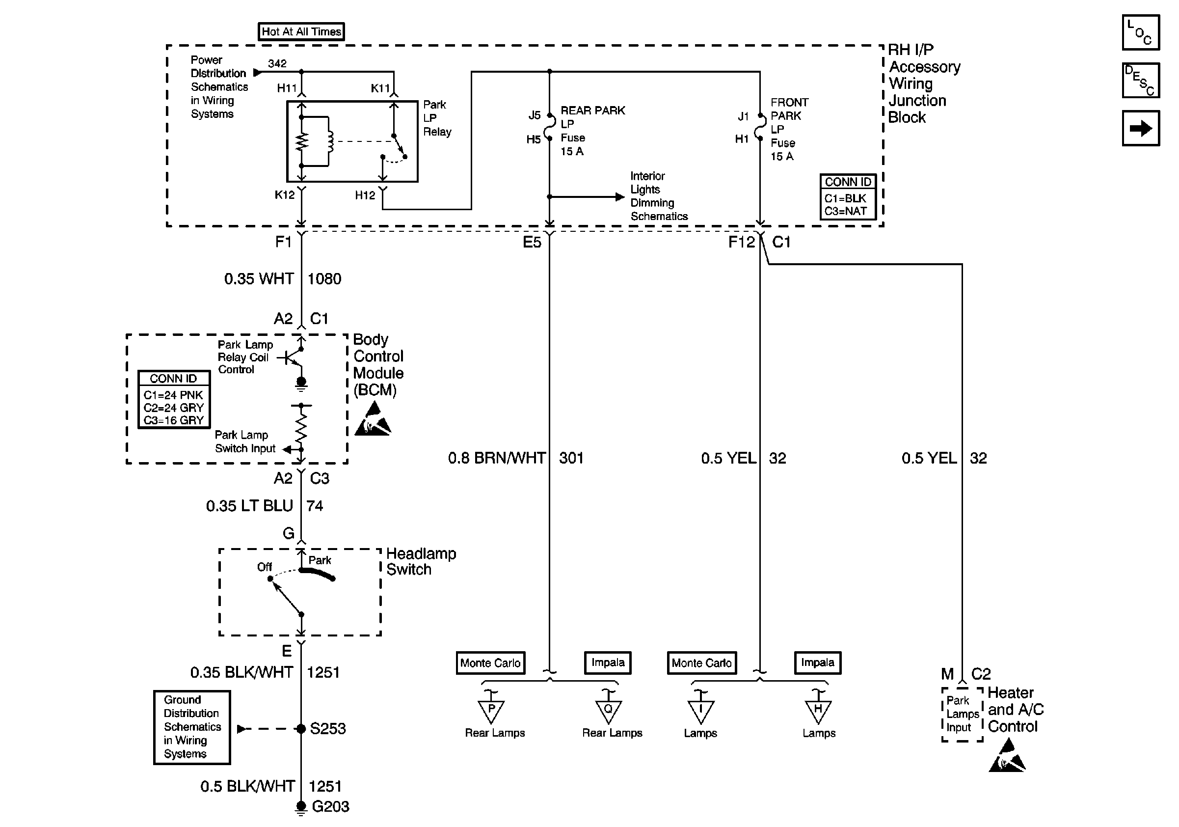
Park Lamps Control


Object Number: 505937  Size: FS
Stationary Windows Components
Exterior Lights Circuit Description
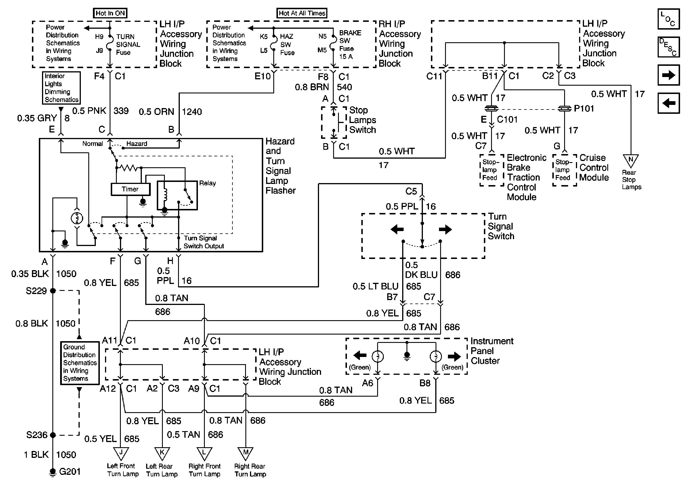
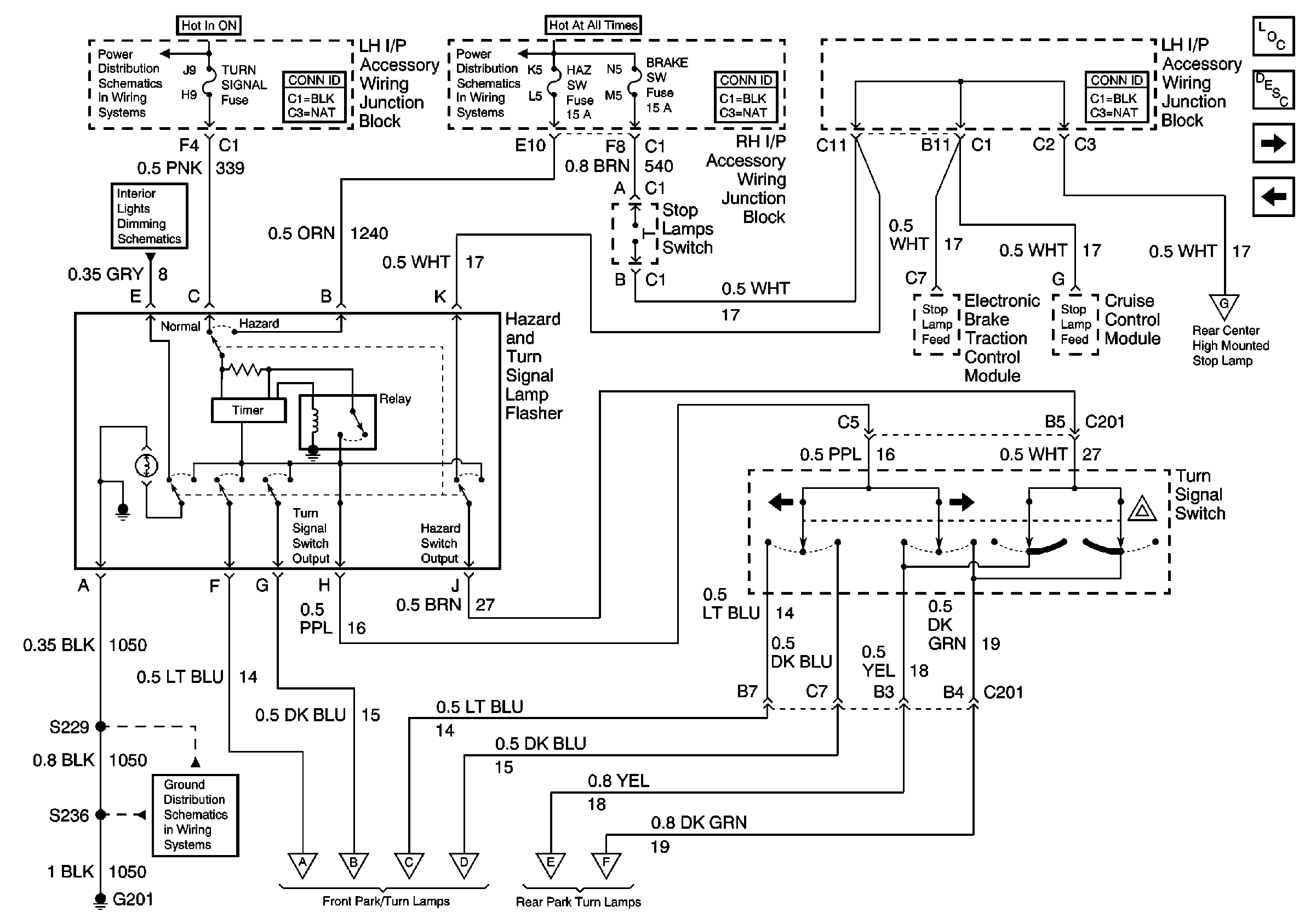
Turn/Hazard Lamps Control - 4 Door
B/U LP, DIC/RKE and FRT PARK LP Fuses, and BACKUP LP, BATT RUN DOWN PROTECTION and PARK LP Relays
G203 (2 of 3)
Handling ESD Sensitive Parts Notice
BCM and Headlamp Switch
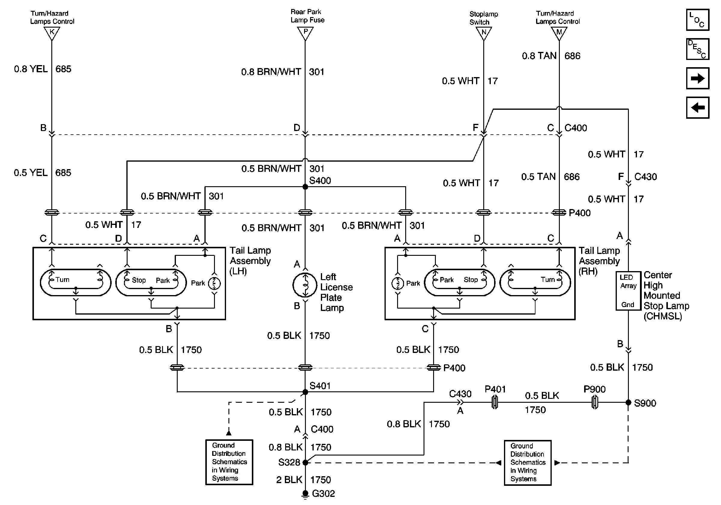
Rear Lamps - 2 Door
Rear Lamps - 4 Door
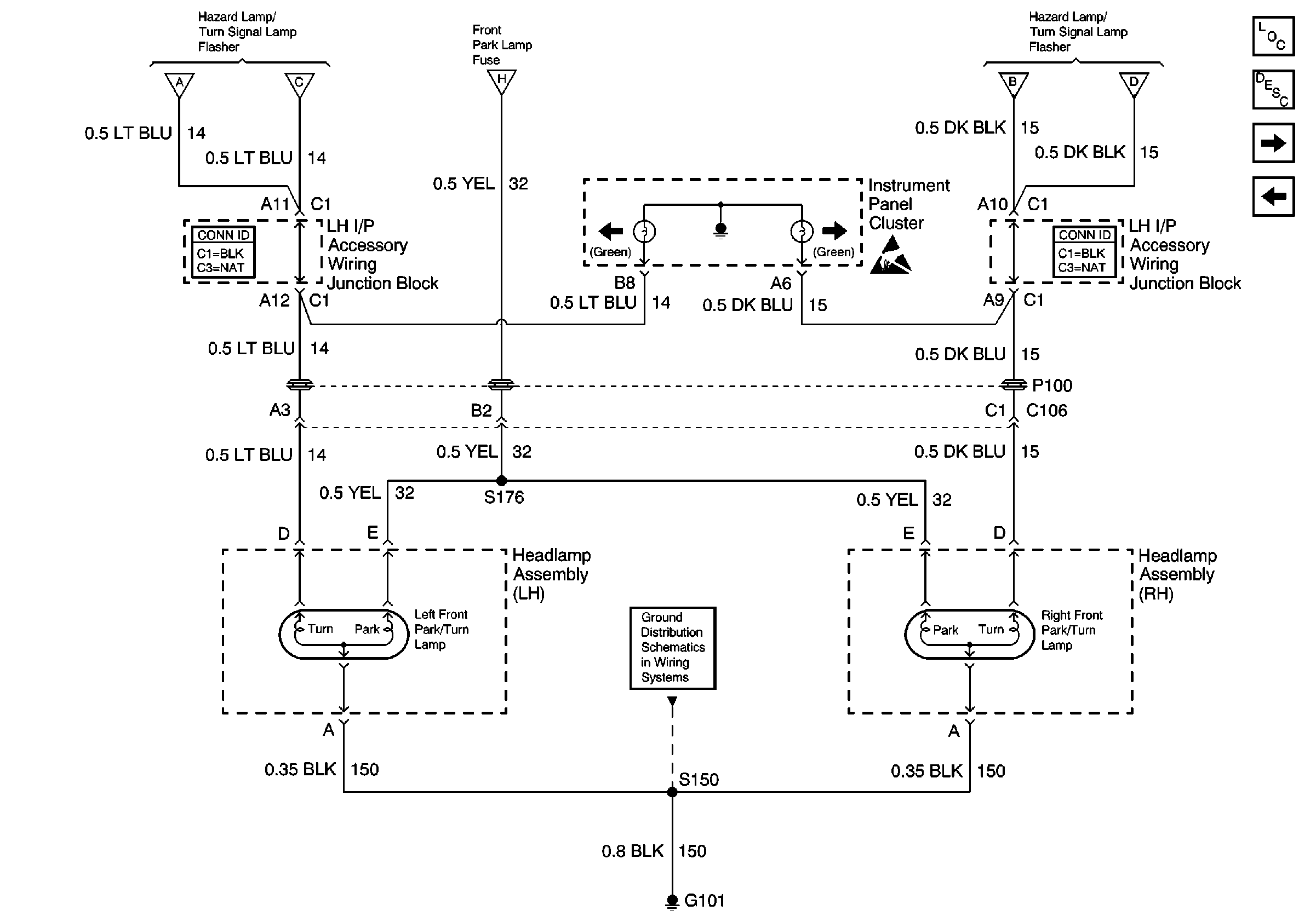
Front Park, Turn/Hazard Lamps - 2 Door
Front Park, Turn/Hazard Lamps - 4 Door
Figure 2:

Turn/Hazard Lamps Control -- 4 Door


Object Number: 505938  Size: FS
Stationary Windows Components
Exterior Lights Circuit Description
Front Park, Turn/Hazard Lamps - 4 Door
Park Lamps Control
ABS/PCM, STOP, TURN SIGNAL and SRS Fuses
C/LTR, AUX PWR, HAZ SW, BRK SW and HVAC BLO Fuses
BCM and Headlamp Switch
G201 (1 of 2)
Front Park, Turn/Hazard Lamps - 4 Door
Front Park, Turn/Hazard Lamps - 4 Door
Front Park, Turn/Hazard Lamps - 4 Door
Front Park, Turn/Hazard Lamps - 4 Door
Rear Lamps - 4 Door
Rear Lamps - 4 Door
Rear Lamps - 4 Door
Figure 3:

Front Park, Turn/Hazard Lamps -- 4 Door


Object Number: 505940  Size: FS
Stationary Windows Components
Exterior Lights Circuit Description
Rear Lamps - 4 Door
Turn/Hazard Lamps Control - 4 Door
Turn/Hazard Lamps Control - 4 Door
Turn/Hazard Lamps Control - 4 Door
Park Lamps Control
G101 (1 of 2)
Turn/Hazard Lamps Control - 4 Door
Turn/Hazard Lamps Control - 4 Door
Figure 4:

Rear Lamps -- 4 Door


Object Number: 505943  Size: FS
Stationary Windows Components
Exterior Lights Circuit Description
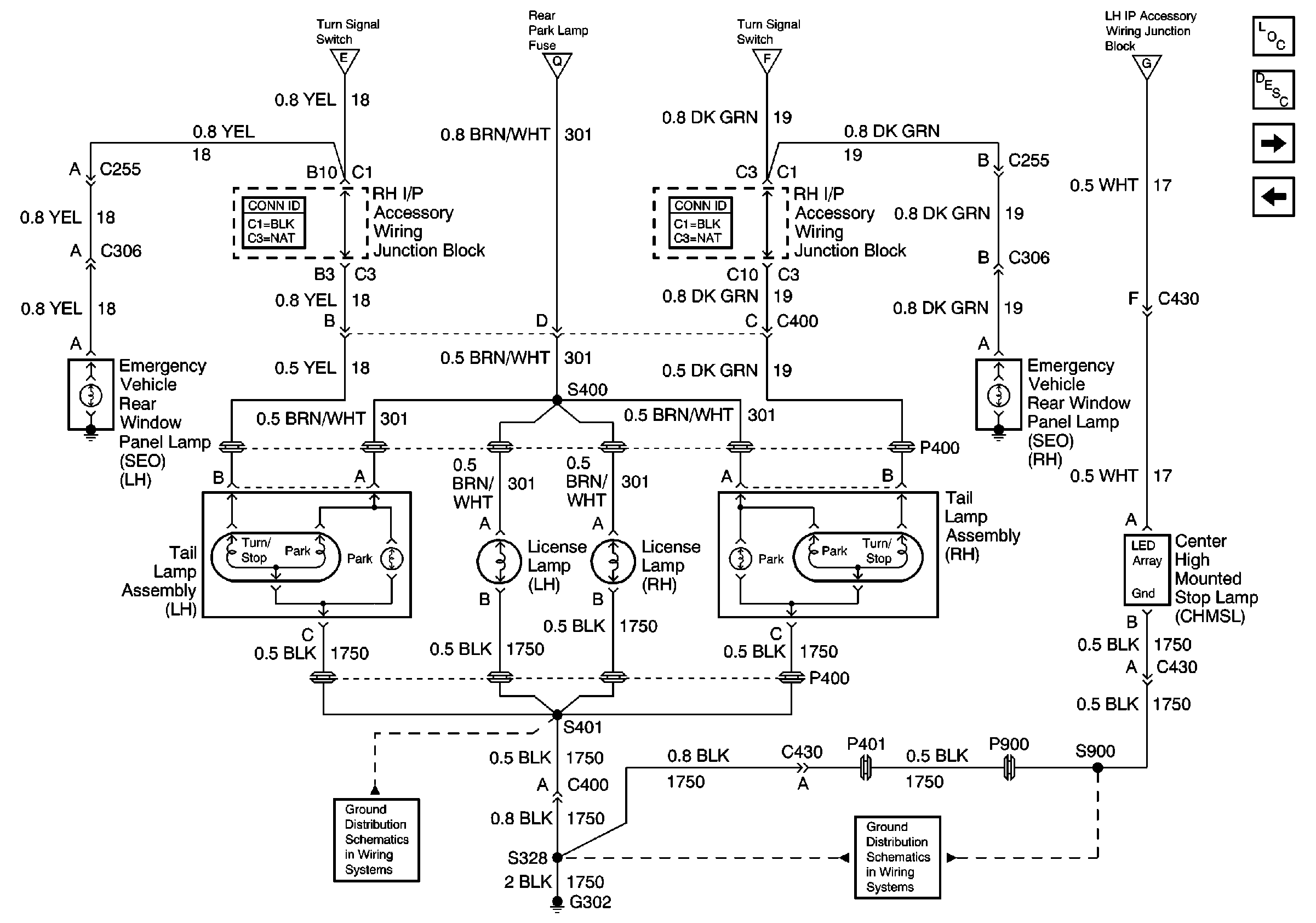
Turn/Hazard Lamps Control - 2 Door
Front Park, Turn/Hazard Lamps - 4 Door
Turn/Hazard Lamps Control - 2 Door
Turn/Hazard Lamps Control - 4 Door
Park Lamps Control
Turn/Hazard Lamps Control - 4 Door
Turn/Hazard Lamps Control - 4 Door
G302
G302
Figure 5:

Turn/Hazard Lamps Control -- 2 Door


Object Number: 505946  Size: FS
Stationary Windows Components
Exterior Lights Circuit Description
Front Park, Turn/Hazard Lamps - 2 Door
Rear Lamps - 4 Door
ABS/PCM, STOP, TURN SIGNAL and SRS Fuses
BCM and Headlamp Switch
C/LTR, AUX PWR, HAZ SW, BRK SW and HVAC BLO Fuses
G201 (1 of 2)
Front Park, Turn/Hazard Lamps - 2 Door
Rear Lamps - 2 Door
Front Park, Turn/Hazard Lamps - 2 Door
Rear Lamps - 2 Door
Rear Lamps - 2 Door
Figure 6:

Front Park, Turn/Hazard Lamps -- 2 Door


Object Number: 505948  Size: FS
Stationary Windows Components
Exterior Lights Circuit Description
Rear Lamps - 2 Door
Turn/Hazard Lamps Control - 2 Door
Turn/Hazard Lamps Control - 2 Door
Park Lamps Control
Turn/Hazard Lamps Control - 2 Door
G101 (1 of 2)
Figure 7:

Rear Lamps -- 2 Door


Object Number: 505951  Size: FS
Stationary Windows Components
Exterior Lights Circuit Description
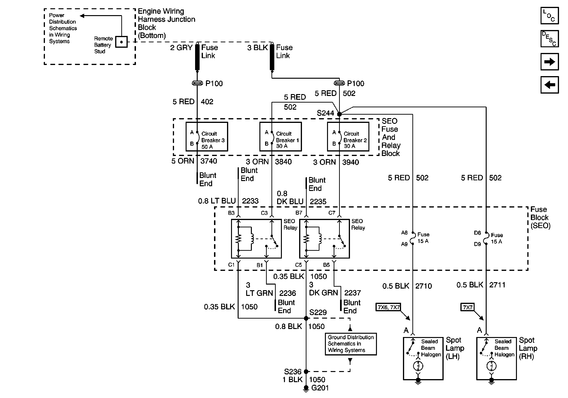
Spot Lamps - 9C1/9C6
Front Park, Turn/Hazard Lamps - 2 Door
G302
G302
Turn/Hazard Lamps Control - 2 Door
Park Lamps Control
Turn/Hazard Lamps Control - 2 Door
Turn/Hazard Lamps Control - 2 Door
Figure 8:

Spot Lamps -- 9C1/9C6


Object Number: 505960  Size: FS
Stationary Windows Components
Exterior Lights Circuit Description
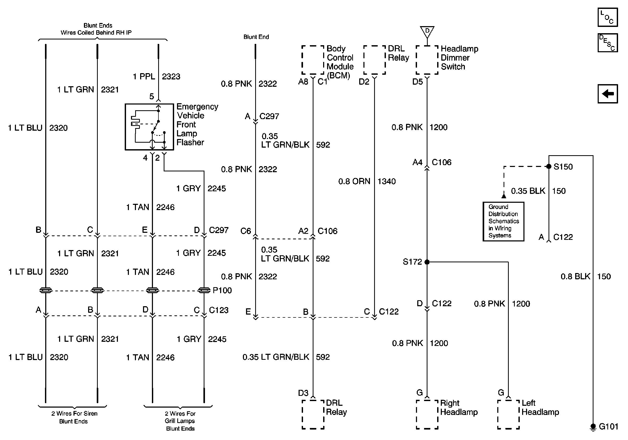
Front Lamps - Emergency Vehicle
Rear Lamps - 2 Door
G201 (1 of 2)
Battery, EBCM, Engine Wiring Harness Junction Blocks (Bottom and Top),Fusible Links, Generator, Remote Battery Stud and Starter
Figure 9:

Front Lamps -- Emergency Vehicle


Object Number: 505963  Size: FS
Stationary Windows Components
Exterior Lights Circuit Description
Spot Lamps - 9C1/9C6
G101 (1 of 2)