GM Service Manual Online
For 1990-2009 cars only
Figure 1:

BCM, Footwell Lamps and Rear Compartment Lamp


Object Number: 505967  Size: FS
Lighting Systems Components
Interior Lights Circuit Description
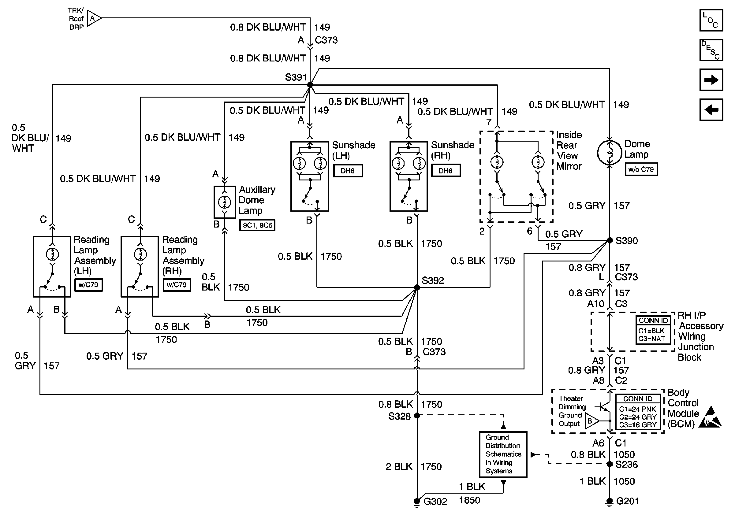
Interior Lamps - Roof Lamps
B/U LP, DIC/RKE and FRT PARK LP Fuses, and BACKUP LP, BATT RUN DOWN PROTECTION and PARK LP Relays
Handling ESD Sensitive Parts Notice
G203 (2 of 3)
G201 (2 of 2)
G302
Handling ESD Sensitive Parts Notice
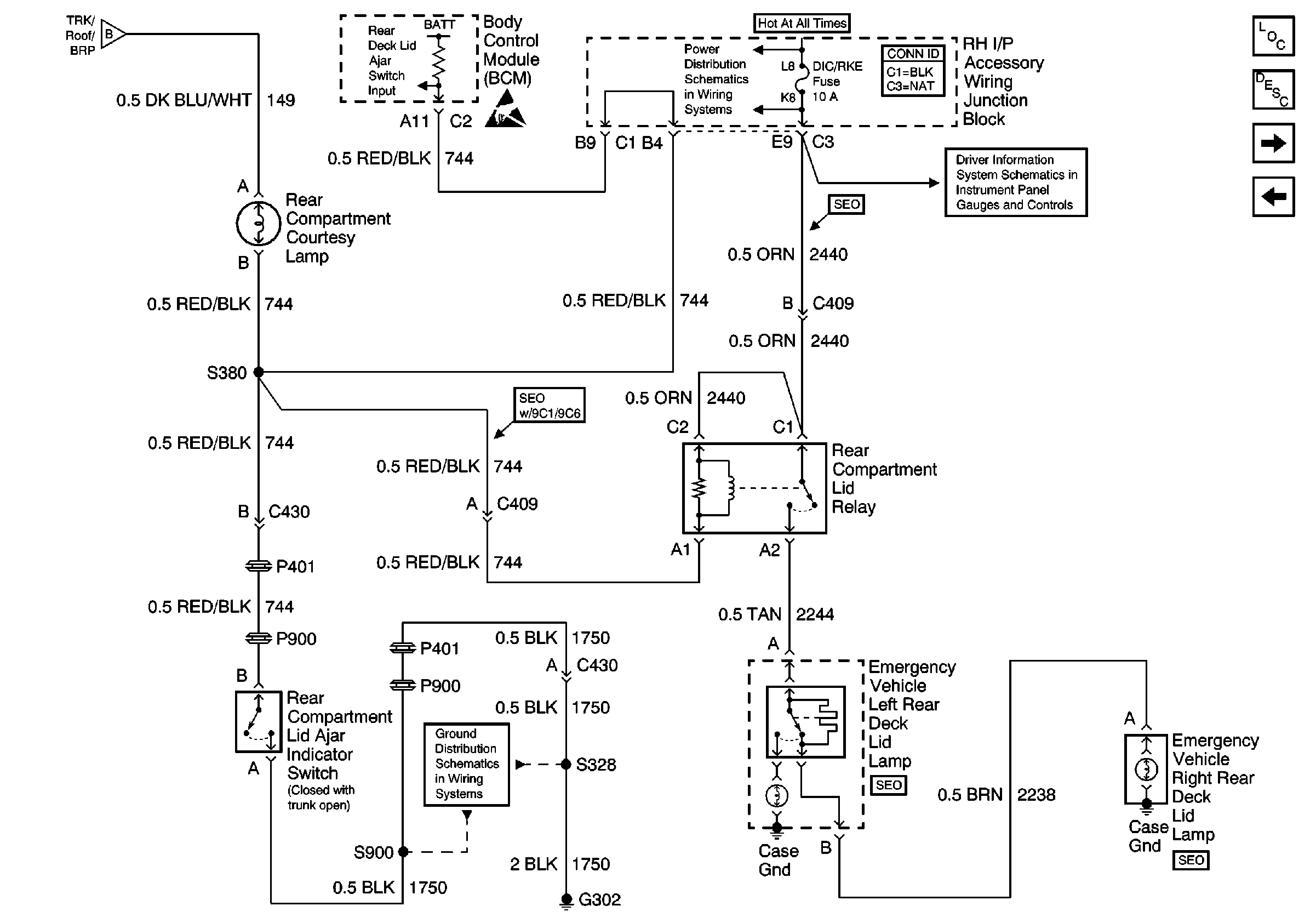
Interior Lamps - Rear Compartment
Interior Lamps - Roof Lamps
Figure 2:

Interior Lamps -- Roof Lamps


Object Number: 505970  Size: FS
Lighting Systems Components
Interior Lights Circuit Description
Door Lock Switches
BCM, Footwell Lamps and Rear Compartment Lamp
BCM, Footwell Lamps and Rear Compartment Lamp
G302
Handling ESD Sensitive Parts Notice
Figure 3:

Door Lock Switches


Object Number: 500544  Size: FS
BCM, Door Lock, Door Window Switch, HVAC, Radio, and Fog Lamp Switch Lamps
G301 (2 of 2)
G203 (2 of 3)
G203 (2 of 3)
G203 (2 of 3)
Handling ESD Sensitive Parts Notice
Lighting Systems Components
Interior Lights Circuit Description
Interior Lamps - Rear Compartment
Interior Lamps - Roof Lamps
Door Lock Switches and Motors
Door Lock Switches and Motors
Figure 4:

Interior Lamps -- Rear Compartment


Object Number: 505972  Size: FS
Lighting Systems Components
Interior Lights Circuit Description
Door Lock Switches and Motors
Door Lock Switches
BCM, Footwell Lamps and Rear Compartment Lamp
Handling ESD Sensitive Parts Notice
B/U LP, DIC/RKE and FRT PARK LP Fuses, and BACKUP LP, BATT RUN DOWN PROTECTION and PARK LP Relays
G302
Driver Information System Schematics
Figure 5:

Door Lock Switches and Motors


Object Number: 500547  Size: FS
Door Lock Switches
Door Lock Switches
G203 (2 of 3)
G203 (2 of 3)
Interior Lamps - Rear Compartment
Lighting Systems Components
Interior Lights Circuit Description