GM Service Manual Online
For 1990-2009 cars only
Makes
🢒
Chevrolet
🢒
2000
🢒
Impala
🢒
Body and Accessories
🢒
Lighting Systems
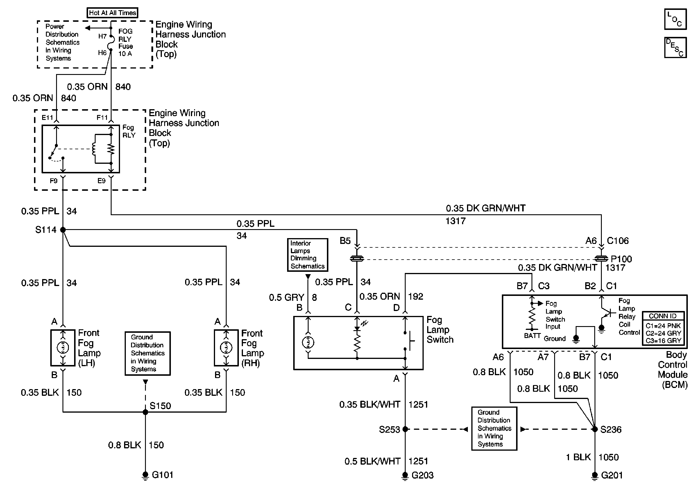
🢒 Fog Lights Schematics
Lighting Systems Components
Fog Lights Circuit Description
FOG RLY, F/PMP RLY, DLR/EXT LTS, EXT LTS, A/C RLY (CMPR), PCM and HORN RLY Fuses
BCM and Headlamp Switch
G101 (2 of 2)
G203 (3 of 3)